Студопедия

Главная страница Случайная страница

КАТЕГОРИИ:

АвтомобилиАстрономияБиологияГеографияДом и садДругие языкиДругоеИнформатикаИсторияКультураЛитератураЛогикаМатематикаМедицинаМеталлургияМеханикаОбразованиеОхрана трудаПедагогикаПолитикаПравоПсихологияРелигияРиторикаСоциологияСпортСтроительствоТехнологияТуризмФизикаФилософияФинансыХимияЧерчениеЭкологияЭкономикаЭлектроника






Устройство автомобильного вентильного генератора с клювообразным ротором






 

1. Цель работы

Изучение устройства и принципа работы автомобиль­ного вентиль­ного генератора с клювообразным ротором (на примере генератора Г 250).

 

2. Краткие сведения

В настоящее время на автомобилях и тракторах с элек­тропус­ком применяются системы электропитания постоян­ного тока, так как при этом просто и надежно осуществляется параллельная работа ге­нератора с аккумуляторной батареей. Поэтому при применении на ав­томобиле в качестве источ­ника электропитания синхронного генера­тора переменного тока его мощность выпрямляется, т.е. в автотрак­торной сис­теме электропитания применяется вентильный генератор. Ге­нератор на автомобиле предназначен для питания всех элек­тропо­требителей автомобиля при работающем двигателе внутреннего сгора­ния.

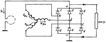
Автомобильный вентильный генератор представляет собой синхрон­ную трехфазную машину с выпрямлением всей мощности полупроводнико­вым выпрямителем. Электриче­ская схема вентильного генератора пока­зана на рис. 3.1. Об­мотка возбуждения, питаемая постоянным током от выпря­мителя, создает магнитный поток возбуждения Ф (ротора). Магнитное поле возбуждения, вращаясь вместе с ротором, пересекает проводники фазных обмоток якоря, расположенные в пазах статора.

Вследствие этого в фазных обмотках якоря индуктируются переменные Э.Д.С. ЕФА, ЕФВ, ЕФС одинаковой величины и частоты, но сдвинутые по фазе на 120º .

 

Рис. 3.1. Электрическая схема вентильного генератора.

 

Э.Д.С. фазы обмотки якоря определяется выражением:

где - частота перемагничивания зубца якоря, сек;

kФ – коэффициент формы поля;

Ф – магнитный поток возбуждения (ротора), Вб;

W1 – число витков фазы обмотки якоря;

k0 – обмоточный коэффициент обмотки якоря;

n – частота вращения ротора генера­тора, об/мин

Величина линейной Э.Д.С. на выходе синхронного трехфазного генератора зависит от схемы соединения фазных обмоток статора:

при соединении в звезду (Y)

при соединении в треугольник (∆)

При подключении к обмотке якоря нагрузки Rнагр в обмотках яко­ря (статора) появляются токи IФА, IФВ, IФС. Магнитное после, соз­данное этими токами, вращаются в пространстве с той же скоростью, что и ротор, т.е. син­хронно. Отсюда и название синхронный генера­тор.

Рассмотрим работу трехфазного генератора с выпрямителем на нагрузку (Rнагр.) при со­единении обмотки якоря в звезду. Концы фазных обмоток генератора соединены с выпрямите­лем, собранным по трехфазной двухполупериодной схеме (схема А.Н.Ларионова). В этой схеме применены шесть вентилей. В верхней группе вентилей положи­тельной полярности (1, 3, 5) катоды электрически связаны между собой, в нижней группе вентилей отрицательной полярности (2, 4, 6) аноды электрически связаны между собой. Теоретически в такой схеме в проводящем направлении работают из верхней группы вентиль, у которого анод имеет наиболее высокий потенциал, и из нижней группы вентиль, у которого катод имеет более низкий потенциал. Следовательно, в любой момент времени ра­ботают два вентиля: один положительной полярности (верхний), другой отрицательной полярности (нижний) и каж­дый вентиль про­пускает ток в течение одной трети периода.

Отличительной особенностью автомобильного вентильного гене­ратора от генератора об­щепромышленного назначения является: мно­гополюсный ротор клювообразного типа с обмот­кой возбуждения, со­стоящей из одной катушки, размещенной внутри ротора; малая осевая длина и увеличенный диаметр электрической машины; малое число па­зов на полюс и фазу q£ 1 (реже 2).

где

z1 – число пазов якоря; р – число пар полюсов; m - чис­ло фаз.

Рис. 3.2. Клювообразный полюсный наконечник (6-ти полюсный)

 

Многополюсный ротор при одной катушке возбуждения получает­ся за счет применения полюсного наконечника специальной формы – клювообразный полюсный наконечник (рис. 3.2.). На рис. 3.3 приведе­на конструктивная схема магнитной системы и обмоток такого гене­ратора (продольный и поперечный разрез). При подаче постоянного напряжения на щетки 6 по обмотке возбуждения 2 протекает постоян­ный ток возбужде­ния IВ. На рис. 3.3 знаком «•» обозначен ток возбуждения, текущий на нас, знаком «+» - ток, текущий от нас. Ток возбуждения вызы­вает магнитный поток Ф, направленный по оси генератора. Силовая линия магнитного потока возбуждения показана пунктирной линией, а направление потока - стрелками.

Рис. 3.3. Конструктивная схема генератора.

1 – втулка; 2 – обмотка возбуждения; 3 – клювообразные полюсные наконечники; 4 – пакет якоря; 5 – обмотка якоря; 6 – щетки; 7 - контактные кольца; 8 – изоляционная втулка; 9 – вал.

 

Возникший маг­нитный поток проходит по магнитной цепи генератора, а именно, по втулке через стык между втулкой и кольцом полюсного наконечни­ка со стороны контактных колец (к.к.), по клювам по­люсного нако­нечника, по рабочему воздушному зазору, по зубцам пакета якоря, по ярму, зубцам, рабочему зазору, через клювы и сборное кольцо полюсного наконечника со стороны противоположной контактным коль­цам, через стык между сборным кольцом и втулкой возвращается на втулку. На рис. 3.3, показано, что магнитный поток выходит из клю­вов полюсного наконечника со стороны к.к. и выходит в клювы полюс­ного наконечника с про­тивоположной стороны, т.е. клювы одного по­люсного наконечника можно считать полюсами N, а клювы другого наконечника полюсами S. Таким образом, в рассматриваемой выше конст­рукции при одной катушке возбуждения имеем многополюсный ин­дуктор.

Малое число пазов на полюс и фазу позволяет применять пакет с малым числом пазов и технологичные обмотки. В этом случае об­мотки состоят из отдельных катушек. Так при q=0, 5 каждая ка­тушка размещается на одном зубце, а при q=1, 0 каждая катушка размещается на трех зубцах.

Устройство автомобильного вентильного генератора с клювообразным ротором рассмот­рим на примере генератора Г 250.

Генератор Г 250 (рис. 3.4 а и б) выполнен из следующих ос­новных узлов: якоря - статора, индуктора - ротора, крышек со сто­роны привода и контактных колец, вентилятора.

 

Рис. 3.4. а. Генератор Г 250

Рис. 3.4. Генератор Г 250

1 – обмотка якоря; 2 – пакет якоря; 3 – полюсный наконечник; 4 – обмотка возбуждения; 5 – втулка; 6 – вал; 7 – передняя крышка; 8 – вентилятор; 9 – шкив; 10 – подшипник передний; 11 – стакан; 12 – разрезное кольцо; 13 – шпонка; 14 – гайка; 15 – втулка; 16 – крышка подшипника; 17 – винт; 18 – задняя крышка; 19 – положительный теплоотвод БПВ; 20 – отрицательный теплоотвод БПВ; 21 – отрицательный вентиль; 22 – изоляционные втулки; 23 – вывод переменного тока БПВ; 24 – винт; 25 – подшипник задний; 26 – крышка подшипника; 27 – гайка; 28 – контактные кольца; 29 и 30 – отрицательная и положительная щетки; 31 – щеткодержатель; 32 – вывод Ш; 33 – винт щеткодержателя; 34 – каркас; 35 – стяжной винт; 36 – клемма «+»; 37 – клемма «-»; 38 – положительный вентиль.

 

Якорь состоит из пакета 2 и обмотки 1. Пакет 2 набирается из пластин электротехнической стали толщиною 1, 0 мм каждая. Две край­ние пластины для увеличения жесткости изготовлены из стали 10 м имеют толщину 2±0, 13 мм. Пластины по наружной поверхности пакета соеди­нены в шести местах сваркой. Пакет является магнитопроводом якоря.

Внутренняя часть пакета имеет 18 равномерно расположенных по окружности пазов тра­пецеидального сечения, в которые помещена распределенная однослойная обмотка якоря 1. На каждом зубце располо­жена одна катушка (всего 18 катушек). Каждая катушка обмотки 1 состоит из 13 витков медного провода марки ПЭВ-2 диаметром 1, 35/1, 46 мм. Катушки соединены в фазы: 1, 4, 7, 10, 13, 16 - в фазу А; 2, 5, 8, 11, 14, 17 - в фазу В; 3, 6, 9, 12, 15, 18 - в фазу С. Число витков в фазе - 78. Фазные обмотки со­единены по схе­ме " звезда". Выводы фазных обмоток для присоединения к выпрямите­лю снаб­жены наконечниками.

Индуктор состоит из вала 6, двух клювообразных наконечников (полюсных) 3, втулки 5, обмотки возбуждения 4 и контактных колец 28.

Втулка 5 и примыкающие к её торцам два клювообразных полюс­ных наконечника 3, имеющий каждый по шесть полюсов, образуют 12-полюсную магнитную систему.

Клювообразные полюсные наконечники 3 выполняются холодной штамповкой из полосо­вой стали толщиной 12 мм с последующей обра­боткой по наружному диаметру. Для снижения магнитного шума часть ротора наружной поверхности полюса имеет скосы (на сбегающем крае).

Обмотка возбуждения 4 наматывается на каркас 34 в несколько рядов и состоит из 490±10 витков медного провода марки ПЭВ-2 диаметром 0, 74/0, 83 мм. При намотке провод в рядах ук­ладывают плотно виток к витку и между рядами прокладывают слои конденса­торной бумаги. Сверху обмотку обклеивают крепированной бумагой, которая образует слой наружной изоля­ции. Сопротивление обмотки в холодном состоянии 3, 7±0, 2 Ома. Выводы обмотки возбужде­ния про­ходят между полюсами, в проточке торца полюсного наконечника со стороны контакт­ных колец, под изоляционными втулками контактных колец и припаиваются к двум изолиро­ванным друг от друга и от вала медным контактным кольцам 28.

Втулка 5 и полюсные наконечники 3 магнитопровода ротора, контактные кольца 28 закреплены на валу посредством прессовой посадки на накатку вала.

Ротор динамически балансирует в двух плоскостях, допустимая динамическая неуравно­вешенность в каждой плоскости 4 г∙ см. На вал со стороны контактных колец установлен (по плотной посадке) шариковый подшипник 25.

Якорь и ротор для повышения электрической прочности, тепло­проводности и цементиро­вания витков катушек пропитывают компаун­дами или лаками.

Якорь генератора центрируется в расточках крышек 7 и 18. Крышки стягиваются че­тырьмя стяжными винтами 35.

Крышки 7, 18 выполняются из алюминиевого сплава методом литья под давлением. Поса­дочные места под подшипники и отвер­стия в лапах для крепления генератора к двигателю для предотвра­щения износов армированы стальными втулками. В крышках установ­лены закрытые шарикоподшипники 10, 25 с двухсторонним резиновым уплотнением и одноразовой кремний­органической смазкой.

Крышки со стороны привода (передняя) в сборе состоит из собственно крышки 7 и узла подшипника.

Крышка со стороны привода 7 снабжена двумя лапами для уста­новки генератора на дви­гателе и для осуществления натяжения при­водного ремня и имеет вентиляционные отверстия и два резьбовых отверстия для снятия крышки с вала в процессе разборки генерато­ра. В крышке установлен опорный подшипник 10, не допускающий осевого перемещения вала (наружная и внутренняя обоймы подшипни­ка не имеют осевого перемещения).

Крышка со стороны контактных колец (задняя) в сборе, состо­ит из собственно крышки 18, выпрямительного блока (19 ¸ 23) и щеткодержателя 31 со щетками 29 и 30;

Крышка со стороны контактных колец 18 имеет вентиляционные отверстия и лапу для крепления генератора на двигателе. На кры­шке двумя винтами 33 крепится пластмассовый щеткодержатель 31, в направляющих отверстиях которого находятся две прямоугольные щетки 29 и 30 марки M1 размерами 6, 0x6, 5x15 мм. Одна щетка 29 соединена с массой генератора, другая 30 - медным канатиком с клеммой Ш-32 генератора. При сборке в гнездо крышки 18 входит на­ружная обойма подшипника 26, насаженного внутренней обоймой плотно на вал. Гнездо допускает осевое перемещение наружной обой­мы подшипника, не­обходимое для выбора допусков при сборке генера­тора, а также для предотвращения заклини­вания машины при температурных изменениях размеров вала. Следовательно, подшипник со сто­роны контактных колец является направляющим.

Внутри крышки монтируется трехфазный двухполупериодный вы­прямительный блок ШВ-4-45; выполненный на автомобильных венти­лях типа ВА 20 (рис. 3.4 и рис. 3.5).

Блок состоит из положительного теплоотвода 19 с тремя впре­ссованными положитель­ными вентилями 37 типа ВА 20П и отрицатель­ного теплоотвода 20 с тремя впрессованными от­рицательными венти­лями 21 типа ВА 200. Теплоотвода - это пластины из алюминиевого сплава, в которых предусмотрены гнезда для запрессовывания вен­тилей.

Рис. 3.5. Выпрямительный блок БПВ-4-45.

19 и 20 – положительный и отрицательный теплоотводы; 37 и 21 - положительный и отрицательный вентили; 23 – вывод переменного тока БПВ

 

Положительный вентиль - это вентиль, у которого катод соединен с корпусом вентиля. Отрицательный вентиль - это вентиль, у ко­торого анод соединен с корпусом вентиля. Такое вы­полнение вентилей позволило существенно упростить выпрямительный блок.

Положительный теплоотвод 19 одновременно является положи­тельным выводом, отрица­тельный теплоотвод 20 - отрицательным выводом выпрямителя. Теплоотводы соединены между собой тремя винтами 23, изолированными от пластин втулками 22, 38. Винты 23, на которых происходит соединение катода положительного вентиля с анодом отрицательного вентиля и вывода фазной обмотки, являются выводом переменного тока выпрямителя «~». С указанных трех выводов 23 можно снимать переменное линейное напряжение ге­нератора.

Теплоотводы 19 и 20 имеют вентиляционные отверстия, причем отверстия в отрицатель­ном теплоотводе находятся против положи­тельных вентилей. Таким образом, вентили нахо­дятся в потоке ох­лаждающего воздуха, что и обеспечивает хорошее охлаждение вып­рямитель­ного блока.

Блок с помощью болта, который является плюсовой клеммой генератора 36 и винта 37, который является минусовой клеммой генератора, закрепляется в крышке генератора со сто­роны кон­тактных колец (рис. 3.4 б). Кроме того, для повышения вибропроч­ности предусмот­рено дополнительное крепление теплоотводов к крышке.

Выпрямительный блок БПВ-4-45 ремонтоспособен - можно про­водить замену вышедшего из строя вентиля.

Для охлаждения катушек обмотки якоря, обмотки возбуждения, контактных колец, а также кремниевых диодов выпрямителя в генераторе применена протяжная вентиляция, осуществляемая с помощью вентилятора 8, свя­занного с приводным шкивом 9 генератора. Крыль­чатка генератора штампования, изготовлена из тонколистовой стали и имеет десять лопастей. Шкив генератора литой из чугуна.

Разъемное соединение обмотки якоря с выпрямителем, осуществ­ляемое на клеммах вы­прямителя 23 (рис. 3.5), обеспечивает удоб­ство сборки и возможность разборки и ремонта гене­ратора. Вывод­ные болты генератора - клемма «+», «-» и «Ш» - расположены на торце крышки со стороны щеточного узла, что обеспечивает удоб­ный доступ к ним на автомобиле.

Генераторы переменного тока типа Г 250 устанавливаются как на легковых (ГАЗ-24, «Волга» - генератор Г 250 E1; «Москвич-408», - 412» - генератор Г 250 Ж1), так и на грузовых автомоби­лях малой и средней грузоподъемности с 12-вольтовой системой электрооборудования (ЗИЛ-130 - генератор Г 250 И1; ГАЗ 66 - ге­нератор Г 250 B1; ГАЗ 53 - генератор Г 250 Г1; УАЗ-451 Д - ге­нератор Г 250 A1). Все модификации генератора переменного тока типа Г 250 (Г 250 A1, -Б1, -B1, -Г1, -Д1, -E1, -И1, -Ж1) пол­ностью унифицированы, а отличаются лишь размерами приводных шкивов.

Привод генератора на автомобиле осуществляется, в основном от двигателя внутреннего сгорания через ременную передачу. Ремен­ная передача отличается эластичностью, бесшумно­стью в работе и простотой конструкции. Однако она имеет большие размеры (шкивы, ремень), значительный износ ремня и требует контроля и периоди­ческого натяжения ремня.

При ременной передаче обычно крепление генератора к двига­телю производят на крон­штейне. Применяют два варианта схем ременного привода:

- клиновидный ремень охватывает ведущий шкив, расположенный на коленчатом валу двигателя, шкив вентилятора и шкив генерато­ра (привод на три шкива);

- генератор приводится во вращение индивидуальным приводом.

 

3. Учебные пособия, приспособления и инструменты

3.1. Генератор Г 250 в сборе, разрезные образцы, щиты с де­талями и плакаты.

3.2. Приспособления и инструменты, необходимые для разборки и сборки генераторов.

 

4. Порядок проведения работы

4.1. Разобрать генератор.

4.2. Ознакомиться с устройством отдельных деталей и узлов генератора.

4.3. Вычертить электрическую схему соединения обмоток яко­ря, возбуждения и диодов выпрямителя и обозначить выводы гене­ратора.

4.4. Вычертить эскиз магнитной системы генератора (продоль­ный и поперечный разрезы) и разместить обмотки.

4.5. Определить количество пазов пакета, материал пазовой изоляции, количество катушек в якоре, число катушек в фазе, фор­му катушки, тип обмотки, дать эскиз паза.

4.6. Определить число полюсов, количество катушек, форму об­мотки возбуждения, крепление выводов обмотки и проследить прок­ладку выводов до контактных колец.

4.7. Вычертить эскиз устройства выпрямителя.

4.8. Вычертить эскиз устройства щеточно-контактного узла.

4.9. Вычертить эскиз системы вентиляции.

4.10.Вычертить эскиз установки (крепление) генератора на двигателе.

4.11. Нарисовать схему обмотки якоря.

4.12. Ознакомиться с параметрами генератора (мощность, напря­жение, начальная частота возбуждения генератора в режимах холос­того хода, расчетной и полной нагрузки).

4.13. Собрать генератор. Сборка генератора производится в последовательности, обратной процессу разборки генератора.

 

5. Содержание отчета

5.1. Тип изучаемого генератора и его краткая техническая характеристика.

5.2. Последовательность осуществления сборки генератора.

5.3. Описание принципа работы вентильного генератора с при­ведением электрической схемы вентильного генератора (схема вклю­чения обмоток генератора и диодов выпрямителя).

5.4. Краткое описание устройства клювообразного вентильного генератора.

5.5. Эскизы магнитной цепи генератора (продольный и попе­речный) с указанием пути основного магнитного потока.

5.6. Эскиз щеточно-контактного узла.

5.7. Эскиз выпрямительного блока.

5.8. Эскиз охлаждения генератора с указанием типа исполне­ния рассматриваемого генератора по способу охлаждения.

 

6. Контрольные вопросы

6.1. К какому типу генераторов относится автомобильный ге­нератор Г 250?

6.2. Из каких узлов и деталей состоит генератор и в какой последовательности осуществляется сборка генератора?

6.3. Что такое вентильный генератор и как он работает?

6.4. В чем особенности устройства вентильных автомобильных генераторов по сравнению с генераторами общепромышленного наз­начения?

6.5. Как устроен индуктор генератора?

6.6. Как устроен якорь?

6.7. Из какого материала выполнены втулка ротора, клювы, пакет якоря, крышки?

6.8. Каково назначение и устройство щеточно-контактного узла?

6.9. Каково назначение и устройство выпрямителя?

6.10. Что достигается применением в выпрямительном блоке дио­дов разной полярности?

6.11 Как осуществляется охлаждение генератора?

6.12.Какие подшипники применены в ге­нераторе?

 

 


Поделиться с друзьями:

mylektsii.su - Мои Лекции - 2015-2026 год. (0.874 сек.)Все материалы представленные на сайте исключительно с целью ознакомления читателями и не преследуют коммерческих целей или нарушение авторских прав Пожаловаться на материал