Студопедия

Главная страница Случайная страница

КАТЕГОРИИ:

АвтомобилиАстрономияБиологияГеографияДом и садДругие языкиДругоеИнформатикаИсторияКультураЛитератураЛогикаМатематикаМедицинаМеталлургияМеханикаОбразованиеОхрана трудаПедагогикаПолитикаПравоПсихологияРелигияРиторикаСоциологияСпортСтроительствоТехнологияТуризмФизикаФилософияФинансыХимияЧерчениеЭкологияЭкономикаЭлектроника






Устройство контактно-транзисторных реле-регуля­торов






 

1. Цель работы

Изучение устройства и принципа действия автотранс­портного контактно-транзисторного реле-регулятора (на примере реле-ре­гулятора РР 362).

 

2. Краткие сведения

Контактно-транспортный реле-регулятор РР 362 пред­назна­чен для регулирования напряжения генератора пере­менного тока в 12-вольтовой системе электрооборудования и состоит из сле­дующих основных функциональных элементов:

- регулирующего элемента - полупроводникового герма­ниевого транзистора;

- управляющего электромагнитного регулятора напря­жения;

- электромагнитного реле защиты транзистора от корот­ких замыканий в цепи возбуждения генератора.

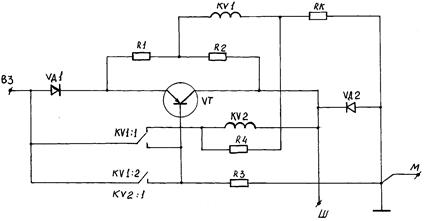
Принципиальная схема контактно-транзисторного реле-регу­лятора РР 362 представлена на рис. 4.1. Регулятор напря­жения и реле защиты имеют аналогичную конструкцию и представляют собой электромагнитное реле клапанного типа.

Магнитная система регулятора напряжения и реле за­щиты включает в себя П-образное ярмо, сердечник с обмот­кой и яко­рей. Сердечник, якорек и ярмо изготовлены из ма­лоуглеродистой стали и являются магнитопроводом.

Электромагнитный регулятор напряжения имеет две пары контактов KV1: 1 и KV1: 2. Верхняя пара контактов KV1: 1 в нерабочем состоянии, постоянно замкнута. Подвиж­ной контакт регулятора напряжения и реле защиты (контакт якоря) электрически соединен с корпусом (магнитопроводом) реле. Обмотка ре­гулятора напряжения KV1, выполненная из провода марки ПЭТВ, диаметром 0, 29 мм имеет 1240 витков, сопротивление 17 Ом. Для повышения частоты переключения транзистора VT в схему вве­дено сопротивление обратной связи R4= 240 Ом. Для компен­сации влияния температуры окружающей среды на уровень регули­руемого напряжения генератора обмотка регулятора напряжения KV1 включена через термокомпенсирующее сопротивление RK =15 Ом намо­танное проводом диаметром 0, 3 мм, содержащее 82 витка, к общей точке ускоряющего сопротивления R1 и добавочного со­противления R2. Ускоряющее сопротивление R1, равное 4, 5 Ома, выполнено из провода марки ПЭК, диаметром 0, 3 мм, содер­жит 23 витка.

Рис. 4.1. Электрическая схема контактно-транзисторного реле-регулятора РР 362:

KV1 – обмотка регулятора напряжения; RK – сопротивление термокомпенсирующее; R1 – сопротивление ускоряющее; R2 – сопротивление добавочное; KV1: 1, KV1: 2 – контакты регулятора напряжения; KV2: 1 - контакты реле защиты; VT – транзистор; VD1 - диод смещения; VD2 – диод гасящий; КV2 – обмотка реле защиты; R3 – сопротивление базы; R4 - сопротивление обратной связи; В3, Ш, М – клеммы реле-регулятора.

 

Добавочное сопротивление представлено резистором типа МЛТ-2 и составляет 62 Ома. На сердечнике электромаг­нита реле защиты расположена обмотка KV2, которая вклю­чена через нормально-замкнутые контакты KV1: 1 и диод смещения VD1 параллельно транзистору VT. Обмотка реле защиты KV2, как и обмотка регулятора напряжения KV1, на­матывается проводом марки ПЭТВ, диаметром 0, 29 мм, имеет 1240 витков и сопротивле­ние 17 Ом.

В отсеке, отделенном от блока электромагнитных реле пере­городкой, имеющейся на внутренней части крышки, вы­полненной литьем из цинкового сплава, расположены транзи­стор VT типа П 217 и два диода - диод смещения VD1 типа Д 242 и гасящий диод VD2 типа КД 202. Транзистор VT, кото­рый для лучшего охлаждения крепится на теплоотводе, рабо­тает в режиме ключа и управляется нормально-разомкнутнми серебряными контактами ре­гулятора напряжения KV1: 2.

В цепь базы транзистора для обеспечения необходимой сте­пени его насыщения включено сопротивление R3 величи­ной 40 Ом.

Диод смещения VD1 служит для обеспечения необхо­димой величины запирающего напряжения на входе транзи­стора и момен­ты его запертого состояния, когда контакты КV1: 2 замыкаются.

Защита транзистора VT от перенапряжений, обуслов­ленных индуктивностью обмотки возбуждения генератора, обеспечивается гасящим диодом VD2, включенным парал­лельно обмотке воз­буждения.

Регулятор напряжения, реле защиты и теплоотвод тран­зистора крепятся на текстолитовой панели, устанавливаются в корпусе ре­ле-регулятора, выполненном методом литья из цинкового сплава ЦАМЧ-1, и сверху закрываются крышкой. В блоке электромагнитных реле под панелью расположены сопротивления. Крышка над блоком полупроводниковых элементов имеет отверстия (жалюзи) для улуч­шения условий отвода тепла от транзистора.

Между крышкой и основанием расположена уплотни­тельная резиновая прокладка.

На реле-регуляторе РР 362 имеются две клеммы: клемма Ш, которая соединяется с обмоткой возбуждения ге­нератора через клемму Ш на генераторе, и клемма В3 (плю­совой вывод реле-ре­гулятора), соединяющаяся через кон­такты включателя зажигания с плюсовой клеммой генера­тора. Это сделано для того, чтобы при не работающем двига­теле (при отключенном включателе за­жигания) не было бы разряда аккумуляторной батареи через реле-регулятор на об­мотку возбуждения генератора.

Масса М (минусовой вывод, выполненный в виде винта) реле-регулятора соединена с массой (минусовым выводом) генератора.

Принцип действия регулятора напряжения и реле за­щиты заключается в следующем:

В нерабочем состоянии нижняя пара контактов регуля­тора напряжения KV1: 2 и контактная пара реле защиты KV2: 1 за счет усилия пружин находятся в разомкнутом состоянии. При малой частоте вращения ротора генератора, когда на­пряжение его ниже величины регулируемого напряжения (13, 8…14, 6 В), германиевый транзистор VT открыт и сопро­тивление его перехода эмиттер-коллектор осень мало. Через обмотку возбуждения генератора протекает ток возбуждения, который замыкается по цепи: клемма В3, диод смещения VD1, переход эмиттер-коллектор транзистора VT, клемма Ш, обмотка возбуждения генератора и масса. В этом случае ве­личина тока возбуждения определяется в основном только сопротивлением обмотки возбуждения генератора.

Одновременно ток протекает и по цепи обмотки регуля­тора напряжения и по цепи реле защиты. После диода смеще­ния VD1 часть тока ответвляется по пути: ускоряющее сопро­тивление R1, обмотка регулятора напряжения KV1, термо­компенсирующее сопротивление RK, масса, а также ток про­текает через замкнутые контакты KV1: 1 регулятора напряже­ния на обмотку реле защиты KV2. однако контакты реле за­щиты остаются в разомкнутом состоянии, так как величина тока в обмотке KV2 ограничена сопротивлением обмотки возбуждения и недостаточна для необходимого намагничива­ния сердечника реле-защиты и притяжения его якорька.

При достижении генератором напряжения, равного ре­гулируе­мому напряжению, электромагнитное усилие, созда­ваемое ампервитками обмотки регулятора напряжения KV1, преодолевает уси­лие пружины. Якорек реле притягивается к сердечнику и контакты КV1: 2 замыкаются. При этом на базу транзистора подается положительный потенциал, превы­шающий потенциал эмиттера на ве­личину падения напряже­ния на диоде смещения VD1 за счет протекания через него тока, и транзистор VT надежно запи­рается.

При запирания транзистора в цепь обмотки возбужде­ния после­довательно включается ускоряющее сопротивление R1 и добавочное сопротивление R2, ток возбуждения генера­тора резко уменьшается и напряжения генератора снижается. Последнее приводит к размыканию контактов KV1: 2 регуля­тора напряжения и транзистор VT снова открывается.

В дальнейшем вес процесс замыкания и размыкания контактов KV1: 2 электромагнитного регулятора напряжения периодически повторяется, что и обеспечивает регулирование напряжения гене­ратора в необходимых пределах 13, 8...14, 6 В.

В случае короткого замыкания клеммы Ш массу об­мотка воз­буждения обесточивается. Напряжение генератора снижается прак­тически до нуля и под действием усилия пру­жины контактная пара регулятора напряжения KV1: 1 замыка­ется, включая обмотку реле защиты KV2 под напряжение ак­кумуляторной батареи. Реле заши­ты срабатывает, замыкая контакты KV2: 1.

Транзистор VT переключается в состояние отсечки. Кон­такты реле защиты KV2: 1 будут оставаться в замкнутом состоя­нии до тех пор, пока не будет устранено короткое за­мыкание в цепи обмотки возбуждения генератора. После уст­ранения короткого замыкания ток в обмотке реле защиты KV2, замыкающийся теперь через обмотку возбуждения, резко снижается, контакты KV2: 1 размыкаются и реле за­щиты возвращается в исходное состоя­ние.

Контактно-транзисторный регулятор напряжения по сравнению с контактно-вибрационным обеспечивает повы­шенную надежность и долговечность работы при больших значениях тока возбуждения генератора, так как через кон­такты проходит ток управления транзистора (0, 1...0, 2 А) и практически отсутствует износ кон­тактов. Недостатком кон­тактно-транзисторного регулятора напря­жения является раз­регулировка - изменение величины регулируе­мого напряже­ния и эксплуатации из-за старения упругих элемен­тов элек­тромагнитного регулятора (якорька, пружины и др.).

 

3. Учебные пособия, приспособления и инструменты.

3.1. Реле-регуляторы, отдельные узлы и детали реле-регу­ляторов, учебные плакаты.

3.2. Приспособления и инструменты - отвертка, торцо­вый ключ, пинцет, паяльник, лгун, тестер.

 

4. Порядок проведения работы

4.1. Изучить устройство регулятора напряжения, реле защи­ты и реле-регулятора в сборе.

4.2. Изучить принцип работы регулятора напряжения и реле защиты.

4.3. Произвести разборку реле-регулятора.

4.4. Замерить тестером сопротивление обмотки регуля­тора напряжения.

4.5. Ознакомиться с магнитной системой регулятора напря­жения.

4.6. Ознакомиться с электрической схемой соедине­ния эле­ментов (транзистора и диодов) панели теплоотвода.

4.7. Нарисовать электрическую монтажную схему со­единения элементов (электромагнитов и сопротивлений) па­нели в сборе.

4.8. Произвести сборку реле-регулятора в последова­тель­ности, обратной разборке.

4.9. Отрегулировать с помощью щупов зазоры в уз­лах регу­лятора напряжения:

- зазор между якорем и сердечником при разомкнутых кон­тактах (1, 4...1, 5 мм);

- зазор между контактами (0, 2...0, 3 мм).

 

5. Оформление отчета

Отчет по выполненной работе должен содержать:

5.1. Тип изучаемого реле-регулятора и его краткая тех­ни­ческая характеристика.

5.2. Краткое описание устройства и принципа работы реле-регулятора.

5.3. Электрическая схема контактно-транзисторного реле-регулятора.

5.4. Эскиз магнитной цепи регулятора напряжения.

5.5. Назначение и технические характеристики полу­провод­никовых приборов и других элементов реле-регуля­тора.

5.6. Преимущества и недостатки контактно-транзи­сторного реле-регулятора.

 

6. Контрольные вопросы

6.1. Как устроено контактно-транзисторный реле-регу­лятор?

6.2. Объясните назначение полупроводниковых дио­дов в реле-регуляторе.

6.3. Как производится регулировка величины регули­руемого напряжения?

6.4. Как работает реле защиты?

6.5. Укажите преимущества контактно-транзистор­ного регу­лятора напряжения по сравнению с контактно-виб­рационным регуля­тором.

6.6. Какие материалы применяют в реле-регуляторе и какие требования к ним предъявляют?

6.7. Какой тип транзистора используется в реле-регу­ляторе и каковы его основные параметры?

6.8. В каком режиме работает транзистор?

6.9. Как осуществляется охлаждение полупроводнико­вых элементов в реле-регуляторе?

6.10. Укажите на схеме путь тока возбуждения при ра­зомкну­той нижней паре контактов регулятора напряжения.

6.11. Укажите на схеме путь тока возбуждения при замкнутой нижней паре контактов регулятора напряжения.

 


Поделиться с друзьями:

mylektsii.su - Мои Лекции - 2015-2026 год. (1.623 сек.)Все материалы представленные на сайте исключительно с целью ознакомления читателями и не преследуют коммерческих целей или нарушение авторских прав Пожаловаться на материал