Студопедия

Главная страница Случайная страница

КАТЕГОРИИ:

АвтомобилиАстрономияБиологияГеографияДом и садДругие языкиДругоеИнформатикаИсторияКультураЛитератураЛогикаМатематикаМедицинаМеталлургияМеханикаОбразованиеОхрана трудаПедагогикаПолитикаПравоПсихологияРелигияРиторикаСоциологияСпортСтроительствоТехнологияТуризмФизикаФилософияФинансыХимияЧерчениеЭкологияЭкономикаЭлектроника






Лабораторная работа № 2






Исследование метрологических характеристик электронного осциллографа. Измерение временных и амплитудных параметров сигналов с помощью осциллографа.

Цель работы

Целью работы является:

1) исследование метрологических характеристик электронного осциллографа;

2) ознакомление с методикой управления;

3) измерение временных и амплитудных параметров сигналов различной формы;

4) оценка погрешностей произведенных измерений.

1 Домашнее задание

 

1.1 Ознакомиться с основными техническими характеристиками осциллографа С1-49, измерительных генераторов. Наиболее важные характеристики выписать.

1.2 Ознакомиться с методикой проведения измерений амплитудных и временных параметров сигналов с помощью осциллографа.

1.3 Теоретически исследовать процессы в последовательной R- С цепи при входном напряжении прямоугольной формы.

Параметры R-C цепи:

R = 5, 1 кОм,

С = 0, 015 мкФ

Um = 5 В,

tU= 200 мкс.

Зарисовать в масштабе временные диаграммы UR(t), Uc(t).


2 Рабочее задание

 

2.1 Выполнить поверку метрологических характеристик осциллографа:

2.1.1 Определить для данного осциллографа минимальное напряжение синхронизации. Оценить влияние частоты на это напряжение.

2.1.2 Определить экспериментально полосу пропускания усилителя вертикального отклонения.

2.1.3 Оценить погрешность установки напряжения калибратора.

2.1.4 Определить погрешность измерения амплитуд сигналов и их временных параметров.

2.2 Измерить осциллографом, работающим в режиме внутренней и внешней синхронизации, параметры вырабатываемого генератором прямоугольного импульса: амплитуду Um; длительность tu; длительность фронта tф; длительность спада tc; частоту повторения f; неравномерность вершины DUm/ Um

2.3 Измерить амплитуду Um, временные параметры tu, tф, tc на резисторе R и конденсаторе С при питании последовательной цепи R-С напряжением прямоугольной формы – U = 5 В.

 

3 Порядок выполнения работы

 

3.1 Поверка метрологических характеристик осциллографа.

3.1.1 Минимальное напряжение синхронизации определяется следующим образом. На вход " Y" осциллографа нужно подать напряжение синусоидальной формы к добиться устойчивой " картинки" на экране ЭЛТ. Затем уменьшая напряжение, необходимо поддерживать это устойчивое изображение, вращая ручки " УРОВЕНЬ СИНХРОНИЗАЦИИ" и " СТАБИЛЬНОСТЬ", измеряя при этом цифровым вольтметром величину напряжения. Минимальным напряжением синхронизации будет такое U, при котором ещё наблюдается устойчивое изображение. Рекомендуемая минимальная амплитуда синусоидального сигнала на экране ЭЛО - 0, 5 деления при положении входного аттенюатора mU=0, 01 В/дел.

Измерение произвести для нескольких значений частот.

3.1.2 Полоса пропускания усилителя вертикального отклонения определяется путем снятия частотной характеристики при всех положениях входного аттенюатора.

На открытый вход усилителя " Y " с выхода измерительного генератора подается постоянное по размаху синусоидальное напряжение. Размер изображения на частоте f = 200 кГц должен быть равен четырем делениям шкалы по вертикали. Затем, изменяя частоту входного сигнала от 100 Гц до 2000 кГц с шагом Df = 10 кГц, измерить высоту осциллограммы при том же напряжении.

Результаты измерений занести в таблицу 1.

Таблица 1

Частота (положение входного аттенюатора) Результаты измерения и расчеты
F, Гц W = lg f h, дел
         

 

3.1.3 Оценка погрешности установки напряжения калибратора производится путем сравнения (по амплитуде) сигнала калибратора и сигнала измерительного генератора. Для этого нужно установить пе­реключатель " вольт/дел." в положение " 0, 1" и подать сигнал калибратора с гнезда " выход 500 mV " на вход " Y" осциллографа.

Затем на вход " Y" подать синусоидальный сигнал с измерительного генератора такой величины, чтобы изображение сигнала занимало столько же делении, сколько сигнал калибратора (f = 2 кГц). С помощью цифрового вольтметра измерить величину сигнала.

Нужно помнить, что калибратор выдает однополярные импульсы, вольтметр измеряет действующее значение сигнала, а на экране ЭЛО мы наблюдаем амплитуду синусоидального сигнала.

Погрешность " d " установки амплитуды калибратора определяется по формуле

где Uг - амплитудное значение напряжения генератора в вольтах.

Оценку погрешности произвести при двух (0, 1; 0, 2) положениях входного аттенюатора. Результаты измерений занести в таблицу 2.

Таблица 2

Положение аттенюатора (В/дел) Uг, В d, %
0.1    
0.2    

 

3.1.4 Измерение и оценка погрешности измерения амплитуд сигналов производится следующим образом.

На открытый вход " Y" осциллографа подается синусоидальный сигнал от измерительного генератора. Производится измерение амплитуды сигнала по делениям на экране осциллографа h:

Uизм = h*mU,

где mU - положение входного аттенюатора (" вольт/дел").

(Обратить внимание на положение ручки плавной регулировки входного аттенюатора).

Напряжение синусоидального сигнала U измеряется с помощью цифрового вольтметра. Тогда погрешность d определяется следующим образом:

 

d = ,

Погрешность следует определить для нескольких значений mU (по согласованию с преподавателем). Размер изображения h должен быть в пределах 2-6 делений. Частота входного сигнала f = 1 кГц. Результаты измерений занести в таблицу 3.

Таблица 3

m U , В U, B d, %
       

 

Для оценки погрешности измерения временных параметров, в частности периода синусоидального сигнала, необходимо на вход " Y" осциллографа подать сигнал от измерительного генератора определен­ной частоты (по согласованию с преподавателем). Множитель развер­тки установить в положение " х1". Переключателем " ДЛИТЕЛЬНОСТЬ" развертки добиться, чтобы на экране осциллографа в пределах рабочей части было 2, 4, 6 периодов. Подсчитать число делений h, которое занимают 2, 4, 6 периодов. Тогда измеренный период будет равен:

,

где DР - длительность развертки,

n - число периодов.

(Обратить внимание на положение ручки плавной регулировки частоты)

Погрешность d будет равна:

 

,

 

где f - частота измерительного генератора, определяемая по частотомеру (можно измерять период Т).

Результаты измерений занести в таблицу 4.

Таблица 4

n f TИЗМ d, %
       

 

3.2 Измерение параметров прямоугольного импульса

3.2.1 осциллографом, работающим в режиме внутренней синхронизации, производится так:

- Осциллограф перевести в режим внутренней синхронизации.

- Установить на генераторе значение частоты (по согласованию с преподавателем).

- Выход генератора подключить ко входу осциллографа.

- Измерить параметры вырабатываемого генератором прямоугольного импульса (рисунок 1).:

амплитуду Um;

длительность tu;

длительность фронта tф;

длительность спада tc;

частоту повторения f;

неравномерность вершины DUm/ Um

Рисунок 1 Параметры прямоугольного импульса.

3.2.2 Измерение параметров прямоугольного импульса осциллографом, работающим в режиме внешней синхронизации, производится аналогично п.3.2.1, при условии переключения в режим внешней синхронизации.

 

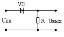
3.3 Измерение амплитуды Um, временных параметров tu, tф, tc на резисторе R и конденсаторе С при питании последовательной R-С - цепи (рисунок 2) напряжением прямоугольной формы – U = 5 В, значение частоты аналогично предыдущему пункту (п. 3. 2).Зарисовать в масштабе временные диаграммы UR(t), Uc(t).

Параметры R-С цепи: R = 5, 1 кОм, С = 0, 015 мкФ.

Рисунок 2.Схема принципиальной электрической цепи.

 

4 Обработка результатов измерений

 

4.1 По результатам измерений п.3.1.1 произвести сравнение экспериментально полученных значений с паспортным значением, сделать вывод. Сделать вывод о зависимости минимального напряжения синхронизации от частоты.

4.2 По результатам измерений п.3.1.2 построить АЧХ и ЛАЧХ, определить экспериментальную полосу пропускания канала вертикального отклонения осциллографа и сравнить с паспортным значением. Сделать соответствующие выводы.

4.3 По результатам измерений п.3.1.3 оценить погрешность установки напряжения калибратора. Сравнить с паспортным значением и сделать соответствующие выводы.

4.4 По результатам измерений п.3.1.4 оценить погрешность измерения амплитуд сигналов и их временных параметров. Сравнить с паспортными значениями, сделать соответствующие выводы.

4.5 Сравнить временные диаграммы UR(t), Uc(t), полученные в результате выполнения п.3.3 и п.1.3. Сделать вывод.

 

5 Контрольные вопросы

 

5.1 На какой вход осциллографа подается исследуемый сигнал, амплитуду которого необходимо измерить?

5.2 Как измерить частоту следования импульсов с помощью осциллографа?

5.3 Перечислить амплитудные и временные параметры импульса.

5.4 Назначение входного аттенюатора.

5.5 Что такое длительность развертки?

5.6 Каково назначение Х-входа ЭО?

5.7 Как изменяется развертывающее напряжение ЭЛО по времени?

 

6 Рекомендуемая аппаратура

 

6.1 Осциллограф С1-49.

6.2 Вольтметр универсальный цифровой В7-2О.

6.3 R-C-цепь.

 

Литература

1 Основы метрологии и электрические измерения, /Ред.Душин Е.М, -М.: Энергоиздат, 1987.-480 с.

2 Атамалян Э.Г. Приборы и методы измерения электрических величин. - М.: Высшая школа, 1982.-384 с..

3 Баранов Б.В., Посконный Г.И. Методические указания по работе с измерительными приборами, - МИФИ-2, 1988.-44 с.

4 Тартаковский Д.Ф., Ястребов А.С. Метрология, стандартизация и технические средства измерений: Учеб. Для вузов. - М.: Высшая школа, 2001.-205 с.

5 Лекции.


3 Лабораторная работа № 3

 

Анализ измерений напряжений аналоговыми и цифровыми вольтметрами.

Исключение методических погрешностей из результатов измерений.

 

Цель работы

Целью работы является:

1) Анализ показаний аналоговых электромеханических и цифрового вольтметров, оценка погрешностей измерений;

2) Овладение практическими навыками работы с вольтметрами различных видов.

 

1 Домашнее задание

1.1 Ознакомиться с приложением к работе (приложение 3 и 4).

1.2 Рассчитать действующее значение напряжения на резисторе R последовательной R-C цепи (рис.1) при входном синусоидальном напряжении, действующее значение которого U=5 В, при изменении частоты f от 20 Гц до 20 кГц (ориентировочно шаг изменения частоты f = 2 кГц).

Расчеты свести в таблицу 1.

Таблица 1

Частота f f U 20 lg ()
         

Примечание: U - максимальное напряжение на резисторе R.

 

Рисунок 1

1.3 По результатам расчетов п.1.2 построить частотные характеристики R-C цепи (характеристики построить в координатах (, f) и (20 lg ).

1.4 Определить среднее U и действующее (среднеквадратичное) Uд значение напряжений на выходе однополупериодного выпрямителя (рис.2) методом разложения заданной функции в ряд Фурье и непосредственным интегрированием.

Рисунок 2

Таблица 2

U U Амплитуды гармоник U U
  U = U = U = U = U =    
Непосредствен ное интегрирование    

 

1.5 Определить теоретические показания вольтметров магнитоэлектрической и электромагнитной систем при U = (21-24) В.

Результаты расчетов свести в таблицу 3.

 


Таблица 3

Тип вольтметра Теоретические показания (В) Результаты измерений (В)
Магнитоэлектрическая система    
Электромагнитная система    

 

 

2 Рабочее задание

 

2.1 Измерить цифровым и аналоговым (магнитоэлектрической системы с выпрямителем) вольтметрами напряжение на резисторе R в последовательной R-C цепи при гармоническом входном сигнале.

2.2 Снять частотные характеристики аналогового и цифрового вольтметров, измеряя выходное напряжение.

2.3 Измерить напряжения на резисторе R в схеме рис.2 вольтметрами магнитоэлектрической и электромагнитной систем.

 

3 Порядок выполнения работы

 

3.1 Измерить цифровым и аналоговым (магнитоэлектрической системы с выпрямителем) вольтметрами напряжение на резисторе R в последовательной R-C цепи (рис.1) при гармоническом входном сигнале, частота которого изменяется от 20 Гц до 20 кГц. Шаг изменения частоты 2 кГц (в области существенного изменения напряжения шаг изменения частоты должен быть меньше 2 кГц). Действующее значение напряжения входного сигнала U=5 В.

Результаты измерений занести в таблицу 4.


Таблица 4

  Измеренные данные Абсолютные погрешности измерений
Частота сигнала Вольтметр магнитоэлектрический Вольтметр цифровой АВ ЦВ
f, Гц f U B 20lg U , B 20lg
                   
                   

 

3.2 Снять частотные характеристики аналогового и цифрового вольтметров, измеряя выходное напряжение генератора при изменении частоты от 20 Гц до 20 кГц с шагом ∆ f= 2 кГц.

Результаты измерений занести в таблицу 5.

Таблица 5

Частота сигнала Показания цифрового вольтметра Показания аналогового вольтметра
f, Гц Ω =lg f U, B U/U 20lg () U, B U/U 20lg ()
               

Примечание U - максимальное напряжение из всех полученных для каждого вольтметра.

 

3.3 Произвести измерение напряжения на резисторе R в схеме рис.2 вольтметрами магнитоэлектрической и электромагнитной систем, подключив схему к фазному напряжению трехфазной сети (0 и фазы А, В, С, которой выведены на стенд).

Результаты измерений занести в таблицу 3.

4 Обработка результатов измерений

 

4.1 В координатных осях графиков U /U =F(f), 20lg ()=F(W), построенных в п.1.3 (по результатам выполнения п.1.2), построить зависимости =F(f), 20lg() = F(W) по результатам измерений аналоговым и цифровым вольтметрами (п.3.1). Сравнить полученные значения и сделать выводы.

4.2 Исключить методическую погрешность из результатов измерений, полученных в п.3.1 и нанести исправленные графики, на которых показать предельные границы результатов измерений. Объяснить причину отличия теоретических расчетов (п.1.2.) и эксперимента (п.3.1.).

4.3 Построить частотные характеристики аналогового и цифрового вольтметров (п.3.2). Сравнить полученные значения и сделать выводы.

4.4 Внести поправку в показание выпрямительного прибора (п.1.5. и п..3.3).

 

5 Контрольные вопросы

 

5.1 В каком частотном диапазоне можно производить измерение переменных напряжений вольтметром В7-20, вольтметром магнитоэлектрической системы?

5.2 Влияет ли спектральный (гармонический) состав измеряемого напряжения переменного тока на показание вольтметров и как?

5.3 На какие напряжения реагируют вольтметры магнитоэлектрической и электромагнитной систем?

 

6 Рекомендуемая аппаратура

7.1 Цифровой вольтметр В7-20.

7.2 Измерительный генератор ГЗ-111 (Г3-112).

7.3 Вольтметры магнитоэлектрической и электромагнитной систем.

 

Литература

1 Основы метрологии и электрические измерения./ Под ред.Е.М.Душина.-Л: Энергоатомиздат, 1987.- 480 с.

2 Приложение В, Г.


4 Лабораторная работа № 4

 


Поделиться с друзьями:

mylektsii.su - Мои Лекции - 2015-2026 год. (1.312 сек.)Все материалы представленные на сайте исключительно с целью ознакомления читателями и не преследуют коммерческих целей или нарушение авторских прав Пожаловаться на материал