Студопедия

Главная страница Случайная страница

КАТЕГОРИИ:

АвтомобилиАстрономияБиологияГеографияДом и садДругие языкиДругоеИнформатикаИсторияКультураЛитератураЛогикаМатематикаМедицинаМеталлургияМеханикаОбразованиеОхрана трудаПедагогикаПолитикаПравоПсихологияРелигияРиторикаСоциологияСпортСтроительствоТехнологияТуризмФизикаФилософияФинансыХимияЧерчениеЭкологияЭкономикаЭлектроника






Параметры варикапов.






Несмотря на то, что варикап разработан на базе диода, это всё-таки конденсатор и именно параметры, связанные с ёмкостью и являются основными. Вот лишь некоторые из них:

Максимальное обратное постоянное напряжение (Uобр. max.). Измеряется в вольтах (В). Это максимальное напряжение, которое можно подавать на варикап. Напомним, что ёмкость варикапа уменьшается при увеличении обратного напряжения на нём.

Номинальная ёмкость варикапа (СВ). Это ёмкость варикапа при фиксированном обратном напряжении. Поскольку варикапы выпускаются на различные значения ёмкости, начиная от долей пикофарады и до сотен пикофарад, то их ёмкость измеряют, подавая определённую величину обратного напряжения на варикап. Оно может быть равным 4 и более вольтам, и, как правило, указывается в справочных данных.

Также может указываться минимальная и максимальная ёмкость варикапа (Cminи Cmaх). Это связано с тем, что параметры выпускаемых варикапов могут несколько отличаться. Поэтому в справочных данных указывают минимально- и максимально- возможную ёмкость варикапа при фиксированном обратном напряжении (Uобр). Это и есть Cmax и Cmin.

У импортных варикапов обычно указывается только одна величина Cd (или Cд) – ёмкость варикапа при обратном напряжении, близком к максимальному. Например, для импортного варикапа BB133 ёмкость Cd = 2, 6 pF (пФ) при обратном напряжении VR = 28 V.

Коэффициент перекрытия по ёмкости (Кс). Этот параметр показывает отношение максимальной ёмкости варикапа к минимальной. Считается так:

Например, для отечественного варикапа КВ109А коэффициент перекрытия Кс равен 5, 5. Ёмкость при Uобр = 25 В составляет 2, 8 пФ (Это - Cmin). Так как диапазон обратного напряжения для варикапа КВ109А составляет 3 – 25 вольт, то используя формулу, можно узнать ёмкость этого варикапа при обратном напряжении в 3 вольта. Оно составит 15, 4 пФ.(Это - Cmax).

В документации на импортные варикапы так же указывается коэффициент перекрытия. Он называется capacitance ratio. Формула, по которой считается этот параметр, выглядит так (для варикапа BB133).

Как видим, берётся ёмкость варикапа при обратном напряжении в 0, 5 V и в 28 V. Так как ёмкость варикапа уменьшается при увеличении обратного напряжения на нём, то становиться ясно, что эта формула расчёта аналогична той, что применяется для расчёта Кс.

Вольт-фарадная характеристика варикапа – это основная характеристика данного прибора. График этой характеристики приведён на рис. 8. Из графика следует, что чем больше приложенное к варикапу обратное напряжение, тем меньше ёмкость варикапа.

Рис. 8. Вольт-фарадная характеристика варикапа.

Основные параметры варикапов:

UОБР – заданное обратное напряжение
СВ – номинальная ёмкость, измеренная при заданном обратном напряжении UОБР
КС – коэффициент перекрытия ёмкости, который определяется отношением ёмкостей варикапа при двух значениях обратного напряжения
UОБР.МАКС – максимально допустимое обратное напряжение
QB – добротность, определяемая как отношение реактивного сопротивления варикапа к сопротивлению потерь

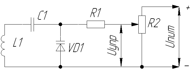
Типовая схема включения варикапа в колебательный контур приведена на рис. 9.

Рис. 9. Схема включения варикапа.

На этой схеме на R2 подаётся стабилизированное напряжение Uпит. Напряжение управления варикапом Uупр формируется с помощью переменного резистора R2. Изменяя напряжение управления Uупр с помощью резистора R2, мы изменяем ёмкость варикапа. Это, в свою очередь, приводит к изменению резонансной частоты колебательного контура.

 


Поделиться с друзьями:

mylektsii.su - Мои Лекции - 2015-2026 год. (1.333 сек.)Все материалы представленные на сайте исключительно с целью ознакомления читателями и не преследуют коммерческих целей или нарушение авторских прав Пожаловаться на материал