Студопедия

Главная страница Случайная страница

КАТЕГОРИИ:

АвтомобилиАстрономияБиологияГеографияДом и садДругие языкиДругоеИнформатикаИсторияКультураЛитератураЛогикаМатематикаМедицинаМеталлургияМеханикаОбразованиеОхрана трудаПедагогикаПолитикаПравоПсихологияРелигияРиторикаСоциологияСпортСтроительствоТехнологияТуризмФизикаФилософияФинансыХимияЧерчениеЭкологияЭкономикаЭлектроника






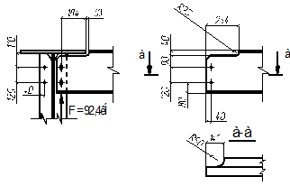
Настила к главной балке






Проектирование примыкания балок настила к главной балке выполняется только при сопряжении балок в одном уровне.

Принимаются болты класса точности " В" М20, класса прочности 5.6. Диаметр отверстий d = 23 мм. По табл. 58* и 59* [3] определяется расчетное сопротивление болтов срезу Rbs = 190 МПа, расчетное сопротивление смятию элементов, соединяемых болтами, Rbp = 465 МПа. Площадь болта Ab = 3, 14 см2 (табл. 62*[3]). Несущая способность односрезного болта по срезу при g b = 0, 8 принимается по табл. 35*[3]:

Nbs = Rbs × g b × A × ns = 190 × 106 × 0, 8 × 3, 14 × 10-4 × 1 = 47 728 Н = =47, 73кН,

где ns - число расчетных срезов одного болта.

Несущая способность по смятию более тонкого элемента (стенка балки настила) равна

Ndp = Rbp × g b × d × S t = 465 × 106 × 0, 8 × 0, 02 × 0, 007 = 59 520 Н = =52, 08кН,

где S t – наименьшая суммарная толщина элементов, сминаемых в одном направлении (в примере, это стенка балки настила).

Так как Nbs = 47, 73 кН < Nbp = 52, 08 кН, необходимое количество болтов подбирается по срезу по усилию F = Q max1 = 92, 4 кН, где Q max1 – поперечная сила балки настила на опоре (см. п. 1.2):

Принимаются два болта и размещаются так, как показано на рис. 11.

Проверяется прочность стенки на срез по площади сечения нетто:

 

Рис. 11. Примыкание балки настила к главной балке

 

Здесь, 0, 29 м высота сечения стенки двутавра № 33 (330-40 =290 мм).

 


Поделиться с друзьями:

mylektsii.su - Мои Лекции - 2015-2026 год. (0.932 сек.)Все материалы представленные на сайте исключительно с целью ознакомления читателями и не преследуют коммерческих целей или нарушение авторских прав Пожаловаться на материал