Студопедия

Главная страница Случайная страница

КАТЕГОРИИ:

АвтомобилиАстрономияБиологияГеографияДом и садДругие языкиДругоеИнформатикаИсторияКультураЛитератураЛогикаМатематикаМедицинаМеталлургияМеханикаОбразованиеОхрана трудаПедагогикаПолитикаПравоПсихологияРелигияРиторикаСоциологияСпортСтроительствоТехнологияТуризмФизикаФилософияФинансыХимияЧерчениеЭкологияЭкономикаЭлектроника






Конструирование и расчет опорной части балки






Различают два вида сопряжения балок с колоннами – опирание сверху и примыкание сбоку. При опирании сверху сопряжение балок и колонн считается шарнирным, т.е. передающим только опорную реакцию. Передача опорной реакции V = Q max происходит через опорное ребро, которое приваривают к торцу балки по всему контуру их примыкания угловыми швами (рис. 9).

 

 

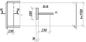
Рис. 9. К расчету опорной части балки

 

Ширину опорного ребра принимают равной ширине пояса балки в измененном сечении. Нижний торец ребра выступает за грань нижнего пояса на 20 мм (не более 1, 5 ts) и его поверхность фрезеруется с целью плотного опирания на опорную плиту оголовка колонны, поверхность которой строгается.

Опирание ребра рассчитывается по смятию торцевой поверхности по формуле

где b и t – ширина и толщина опорного ребра; Rp – расчетное сопротивление смятию торцевой поверхности (при наличии пригонки), принимается по табл. 52* [3].

Опорные ребра балок рассчитывают на продольный изгиб из плоскости стенки как условного центрально-сжатого стержня. Расчет ведется на действие опорной реакции. В расчетное сечение этого стержня включается опорное ребро и участок стенки балки шириной . Расчетная длина стержня принимается равной высоте стенки балки hw.

Для обеспечения местной устойчивости ширина свеса опорного ребра bef к его толщине не должна превышать значений, определенных по табл. 29 [3].

 

 

Пример

 

Главная балка опирается на колонну сверху и через опорное ребро, приваренное к торцу балки, передает на нее опорную реакцию V = Q max = 1 434 кН; Rp = 336 МПа (табл. 52* [3]).

Принимается конструкция опорной части по варианту (см. рис. 9).

Ширина опорного ребра принимается равной ширине пояса балки bp = = 280 мм.

Определяется толщина ребра из условия прочности на смятие торцевой поверхности:

Принимается ребро из листа размером 280 х 16 и проверяется устойчивость опорной части:

площадь сечения условной стойки (см. рис. 9, сечение а-а)

где

Вычисляется момент инерции сечения относительно оси х 1 (см. рис. 9), без учета момента инерции участка стенки (ввиду малости), радиус инерции сечения и гибкость стойки с расчетной длиной, равной высоте стенки.

По табл. 72 [3] в зависимости от значений l x 1 = 26, 7 и Ry = 240 МПа определяется значение коэффициента продольного изгиба j = 0, 941.

Проверяется устойчивость опорного ребра:

Проверяется местная устойчивость опорного ребра (табл. 29*[3]):

Местная устойчивость ребра обеспечена.

Выполняется расчет угловых швов сварного соединения опорного ребра со стенкой (сварка полуавтоматическая сварочной проволокой Св-08Г2C, d = 1, 4…2 мм). Для этих условий и стали С255: Rwf = 215 МПа (см. табл. 56 [3]); Rwz = 0, 45 Run = 0, 45∙ 370 = 166, 5 МПа(см. табл. 51٭ [3]). b f = 0, 9 и = 1, 05 (см. табл. 34 [3]); g wf = 1 (см. п. 11.2 [3]).

по металлу шва:

по металлу границы сплавления:

Минимальный катет шва по табл. 38* [3] kf min = 5мм.

Минимальный катет флангового шва из условия l w £ 85 × b f × kf:

Окончательно принимается катет шва kf = 8 мм.

 

 


Поделиться с друзьями:

mylektsii.su - Мои Лекции - 2015-2026 год. (1.058 сек.)Все материалы представленные на сайте исключительно с целью ознакомления читателями и не преследуют коммерческих целей или нарушение авторских прав Пожаловаться на материал