Студопедия

Главная страница Случайная страница

КАТЕГОРИИ:

АвтомобилиАстрономияБиологияГеографияДом и садДругие языкиДругоеИнформатикаИсторияКультураЛитератураЛогикаМатематикаМедицинаМеталлургияМеханикаОбразованиеОхрана трудаПедагогикаПолитикаПравоПсихологияРелигияРиторикаСоциологияСпортСтроительствоТехнологияТуризмФизикаФилософияФинансыХимияЧерчениеЭкологияЭкономикаЭлектроника






Моделювання пристрою управління електророзрядними імпульсами






За допомогою пристрою управління електророзрядними імпульсами (УУЕІ) можна на вхід випромінювача подавати нерегулярну послідовність імпульсів, відповідну двійковим символам закодованої інформації і перетворює відповідно синхронізовану послідовність електричних імпульсів, що надходять з ГИТ. Параметри генераторів наведені в таблиці 1.1

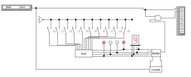
Схема складається з десяткового цифрового шифратора, перекодовує десяткові цифри в 4-х розрядний двійковий код, чотириканального мультиплексора, що подає на вихід двійкові розряди шифру, лічильника розрядів, призначеного для вибору номера розряду і кон'юнктор, що пропускає або обнуляти електричний імпульс. Основні параметри пристрою представлені на рис.2.3.

Рис.2.3. Основні параметри пристрою управління

 

На рис.2.4. на цифровому осцилографи показаний результат роботи пристрою для набраного на шифраторі коду 9 (1001).

Рис.2.4. Перетворення синхроімпульсів в двійковий код дев'ятки

 

Код виділений візирними лінійками. Таким чином, на вхід електророзрядного випромінювача можна подавати послідовність імпульсів або пауз з тактовою частотою, відповідними частоті випромінювання сферичного випромінювача.

 


Поделиться с друзьями:

mylektsii.su - Мои Лекции - 2015-2026 год. (1.228 сек.)Все материалы представленные на сайте исключительно с целью ознакомления читателями и не преследуют коммерческих целей или нарушение авторских прав Пожаловаться на материал