Студопедия

Главная страница Случайная страница

КАТЕГОРИИ:

АвтомобилиАстрономияБиологияГеографияДом и садДругие языкиДругоеИнформатикаИсторияКультураЛитератураЛогикаМатематикаМедицинаМеталлургияМеханикаОбразованиеОхрана трудаПедагогикаПолитикаПравоПсихологияРелигияРиторикаСоциологияСпортСтроительствоТехнологияТуризмФизикаФилософияФинансыХимияЧерчениеЭкологияЭкономикаЭлектроника






Часть 1. Литейное производство






Разработать технологический процесс изготовления отливки в песчаную

форму для заданной детали. Производство крупносерийное. Формовка

машинная. Чертежи деталей, в соответствии с номером варианта, помещены в

приложении 1.

В графической части указать:

- рабочий чертеж детали;

- рабочий чертеж модели с модельно-литейными указаниями;

- эскиз элементов литниковой системы;

- эскиз литейной формы в сборе перед заливкой.

В пояснительной записке указать:

- расшифровать марку сплава, указать его механические свойства (для

чугуна) или химический состав (для стали);

- указать усадку сплава, %;

- эскизы модели и литниково-питающей системы;

- материал модели;

- тип литниковой системы;

- эскиз стержневого ящика и стержня, материал стержневого ящика;

- особенность конструкции ящика, сторона набивки и площадь разъема;

- состав стержневой смеси и способ изготовления стержня;

- состав формовочной смеси;

- способ уплотнения формы;

- агрегат для плавки металла;

- возможные дефекты в отливке и способы контроля.

При выполнении задания используйте методические указания [7], а также

стандарты: ГОСТ 2.423-73, ГОСТ 26645-85, ГОСТ 3212-80, ГОСТ 3606-80,

ГОСТ 977-75.

Материал деталей всех вариантов - серый чугун марок СЧ10 - СЧ30

 

Методические указания к разделу «литейное производство»

При выполнении раздела используются методические указания [9, 10 ].

По варианту задания на проектирование выбирается чертеж детали, на котором указаны размеры, отмечены поверхности детали, которые подвергаются механической обработке. Разработка литейной технологии складывается из нескольких этапов. Основные из них следующие: конструирование модели с учетом усадки литейного сплава, назначение припусков на механическую обработку, литейных (формовочных) уклонов, галтелей (радиусов скруглений в местах сопряжения поверхностей). Назначается плоскость разъема модели и выбирается положение модели в форме; конструируется стержень, выполняющий полости или отверстия в будущей отливке с его знаковыми частями; конструируется стержневой ящик для изготовления стержня. Производится конструирование и расчет элементов литниковой системы и выбор места её подвода к отливке. При необходимости конструируются все необходимые приспособления – шаблоны, кондукторы и т.д.

Моделями называют приспособления, предназначенные для получения в литейных формах полостей, конфигурация которых соответствует изготовляемым отливкам. Основой для разработки технологического процесса является чертеж детали. Модель отличается по конфигурации и размерам от детали. В зависимости от конструкции детали необходимо решить будет ли модель разъемная или нет. Если возможно удалить модель из формовочной смеси не нарушая полость формы, то модель выполняется неразъемной. В противном случае необходимо выбрать линию разъема, которая указывается на чертеже модели буквами «В» (верх) и «Н» (низ). Разъем модели и формы показывают на всех проекциях отрезком или ломаной штрихпунктирной линией, заканчивающейся знаком «Х-Х», над которой указывается буквенное обозначение разъема – МФ (модель, форма). Направление разъема показывают сплошной основной линией, ограниченной стрелками, перпендикулярной линии разъема, ограниченной стрелками.

Припуски на механическую обработку изображают у поверхности, где указан знак обработки, сплошной тонкой линией. Допускается выполнять линию припуска красным цветом. Величину припуска указывают перед знаком шероховатости детали или величиной уклона и линейными размерами. Припуск - слой металла (на одну сторону), предназначенный для снятия в процессе механической обработки отливки. Величина припусков регламентируется ГОСТом и зависит от класса точности изготовления отливки и её расположения в форме. Припуск для

«верха» отливки всегда выше, чем для «низа» и «бока». Припуски на механическую обработку отливок назначают по ГОСТ 26645-85 (чугунное литьё), ГОСТ 26880-85 (стальное литьё). Припуски составляют для мелких чугунных отливок 2-4мм, для средних- 4-7мм, для крупных - до 18мм. Для стальных отливок припуски в 1.5 раза больше, а для отливок из цветных металлов – меньше, чем у чугунных отливок.

Технологический припуск применяется для упрощения и облегчения процесса изготовления отливки. К технологическим припускам относятся литейные формовочные уклоны, напуски, приливы, галтели. Формовочные уклоны служат для удобства извлечения модели из формы без разрушения ее и для свободного удаления стержня из стержневого ящика. Величина уклонов определяется по ГОСТ 3212-80.

Формовочные уклоны выполняются:

а) на обрабатываемых поверхностях – сверх припуска на механическую обработку путем увеличения отливки;

б) на необрабатываемых поверхностях, которые не сопрягаются с другими деталями, путем одновременного увеличения или уменьшения размеров отливки;

в) на необрабатываемых поверхностях, которые не сопрягаются с другими деталями, путем уменьшения, увеличения или одновременного увеличения и уменьшения отливки.

Уклоны местных небольших утолщений (бобышек, планок и т.д.) следует принимать 30º -40º. В ребрах жесткости уклоны следует делать до 5º -8º. Формовочные уклоны наружных поверхностей деревянных моделей, в зависимости от высоты поверхности модели, принимаются от 0º 30´ до 3º 00´.

Напуск служит для упрощения изготовления отливки и назначается взамен элементов, которые выполняются при литье: небольшие отверстия, пазы, канавки, углубления, резьбы и т.д. Способом изображения напуска на чертеже является перечеркивание двумя сплошными тонкими линиями указанных элементов. Минимальный диаметр отверстия для мелкого литья (масса отливки до 2 кг) – 15мм,

для среднего литья (масса отливки 2-50 кг) – 20мм, для крупных отливок (масса отливки > 50 кг) – 30мм. Минимальная толщина стенок отливки для стали углеродистой: для мелкого литья – 8мм, для среднего литья – 12мм, для крупного – 20мм; для чугуна серого соответственно 3-4мм, 6-8мм и 10-20мм. Эскиз модели отливки приведен на рис.1.1

Рисунок 1.1 - Эскиз модели отливки: 1 - уклоны знака; 2 - уклоны модели;

3 - знак модели; 4 - плоскость разъёма; 5 - центрирующие шипы; L - основная (профилирующая) часть модели

 

Радиусы галтелей (внутренние скругления) при сопряжении стенок отливки (мм)

рассчитываются по формуле:

R= (A +B) / 4 1.1

где А и В – толщины сопрягаемых стенок, мм.

При расчете литниковой системы, для ее правильной работы, необходимо соблюдать определенное соотношение размеров ее элементов – стояка (Fст), шлакоуловителя (Fшлак), питателей (Fпит). Размеры литниковой системы для отливок из чугуна подсчитывают по соотношению:

Fпит: Fшлак: Fст = 1.0: 1.1: 1.5 1.2

После определения площадей сечения определяют размеры всех элементов литниковой системы. Для прямого круглого стояка определяют его диаметр. Определяют размеры трапециевидного шлакоуловителя:

D ст = В шлак.в. 1.3

В шлак.н. = 1.25 В шлак.в. 1.4

Н шлак. = 2F шлак. / (В шлак.в. + В шлак.н.) 1.5

В пит.в = В шлак.н 1.6

где В шлак.в. и В шлак.н. - соответственно верхнее и нижнее основание шлакоуловителя, Н шлак. –высота шлакоуловителя, В пит.в – соответственно сторона сечения питателя.

Поперечные сечения питателя и шлакоуловителя могут иметь трапециевидную или прямоугольную форму (рис. 1.2).

Рисунок 1.2 - Литниковая система: 1 – литниковая воронка или чаша; 2 – стояк; 3 – шлакоуловитель; 4 – питатель; 5 – прибыль; 6 – выпор; 7 – зумпф

Высота питателя не должна превышать толщину отливки в месте подвода металла. Стояк заканчивается литниковой чашей или воронкой. Размеры литниковой чаши или воронки берут конструктивно или по справочным материалам.

Стержень - элемент литейной формы, выполняющий те или иные её поверхности, которые нельзя сделать по модели. Он служит для образования отверстия, полости или иного сложного контура в отливке. Если конструктивное устройство отливки не позволяет осуществить надежную установку стержней на знаках, то применяют специальные стальные пластинки или стержни (жеребейки), которые устанавливают в соответствующих местах форм и на них опираются стержни. Стержни изготавливают также из стержневых смесей, к ним предъявляют более высокие требования, чем к формовочным, так как стержень испытывает значительные механические и температурные воздействия, поскольку находится внутри расплавленного металла. Стержень крепится в литейной форме благодаря его знаковым частям и в ряде случаев - жеребейкам. Жеребейку применяют лишь тогда, когда стержень имеет лишь одну опору в литейной форме. К недостаткам способа литья в песчаную форму относят низкую точность размеров и значительную шероховатость поверхности отливок, что приводит к увеличению объёма механической обработки резанием.

Размеры и элементы стержневых знаков регламентируются ГОСТом и выбираются в зависимости от конструкции отливки. Между знаками формы и знаками стержней предусматривают зазоры, величина которых также выбирается по ГОСТ (табл.2.4, 2.5, 2.6 [ ]).

Стержни, их знаки и знаки моделей изображают в масштабе чертежа тонкой сплошной линией. Стержни в разрезе штрихуют только у контурных линей. Длина линей – 3-30 мм, рис.1.3

Рисунок 1.3 - Эскиз стержня: 1 - основная (профилирующая) часть стержня; 2 - знак стержня

Формовочные и стержневые смеси являются строительным материалом для разовых форм и стержней. Смеси должны обладать следующими основными технологическими свойствами: пластичностью, прочностью, выбиваемостью,

газопроницаемостью и огнеупорностью. Кроме того, смеси должны отвечать требованиям санитарии и гигиены, а также быть, по возможности, недорогими.

Пластичность смесей обеспечивает получение точного отпечатка формы и стержня с рабочих поверхностей модели и стержневого ящика.

Прочность смесей обеспечивает сохранность конфигурации и размеров полости формы в процессе её изготовления, транспортировки и заливки. Избыточная прочность нежелательна, так как увеличивается трудоёмкость извлечения отливки из формы, а также и стержня из отливки.

Выбиваемость определяется работой, затрачиваемой на разрушение разовых форм и стержней в процессе извлечения отливок.

Газопроницаемость смесей обеспечивает удаление газов из формы и стержня. После заливки металла форма и стержень выделяют газы в значительном количестве. Газы могут привести к образованию в отливках таких дефектов как газовая пористость и газовые раковины, которые приводят к браку отливки.

Огнеупорность определяется температурой плавления смеси. Температура плавления формовочной и стержневой смесей должна быть выше температуры заливаемого в форму металла. Для получения отливок из сплавов на основе железа (стали, чугуна) достаточную температуру плавления имеет кварцевый песок (около 17000 С). Естественно, для сплавов на основе алюминия или меди, кварцевый песок является абсолютно надёжным огнеупорным материалом.

Состав стержневых и формовочных смесей оказывает заметное влияние на санитарно-гигиенические условия труда в литейном цехе, так как они выделяют пыль и вредные газы (окись углерода, формальдегид, фенолы). В производстве применяют все методы изоляции источников пыле- и газовыделения, а также методы сокращения количества выделяющихся пыли и газов.

Типовая формовочная смесь содержит:

- 90 % кварцевого песка и отработанной смеси;

- 5 – 10 % глины;

- до 5 % компонентов, улучшающих свойства смесей;

- 3 – 6 % воды сверх 100 % сухой смеси.

Кварцевый песок SiO2 - огнеупорная основа смеси, состоящая из зёрен размером 0, 06 - 0, 8 мм.

Глина является связующим материалом песчаных смесей. Свои связующие свойства глина проявляет только в присутствии воды.

К добавкам, позволяющим регулировать свойства смеси, относятся: молотый уголь, мазут, асбестовая крошка, древесные опилки, битум и ряд других материалов.

Типовая стержневая смесь содержит:

- 94 – 98 % кварцевого песка;

- 2 – 6 % связующих материалов на основе синтетических смол и других добавок.

К стержневым смесям предъявляются более высокие требования, чем к формовочным. Стержень испытывает значительные механические и температурные воздействия, поскольку находится внутри расплавленного металла. При остывании окружающий металл сдавливает стержень. Поэтому до заливки металла стержневая смесь должна иметь более высокую прочность, чем формовочная.

После заливки металла стержневая смесь должна резко снижать свою прочность до уровня самовысыпания за счёт выгорания смолы. Если стержень не разрушается произвольно, то его подвергают механическому разрушению с помощью слесарных инструментов.

Рассмотрим получение песчаной литейной формы на примере отливки ролика с фланцами. На рисунке 1.4 показана в разрезе песчаная литейная форма для получения отливки. Форма состоит из нижней и верхней полуформ. Полуформы изготавливают в нижней 1 и верхней 2 опоках, представляющих собой металлические ящики без дна и крышки. Опоки придают песчаным полуформам необходимую прочность и жёсткость. Собранные полуформы соприкасаются друг с другом по плоскости разъёма 3. Для точной установки полуформ используют центрирующие штыри 11, а скрепление опок перед заливкой производится

скобами 12. Рабочая полость 17 повторяет наружную конфигурацию будущей отливки. Металл подаётся в рабочую полость формы через систему каналов - литниковую систему. Она служит для заполнения рабочей полости формы металлом, а также для улавливания шлака и удаления воздуха, вытесненного из рабочей полости. Литниковая система состоит из литниковой воронки 7, стояка 8, шлакоуловителя 9, питателя 10 и выпоров 6.

Стояк и выпор имеют форму усечённого конуса с уклоном 3 - 50. Шлакоуловитель и питатель в поперечном сечении имеют вид трапеции.

Для образования полости в отливке в форму устанавливают стержень 16, который закрепляется своими концами (знаками) в форме. Собранную форму устанавливают на металлическую плиту 14. Заливка формы металлом производится из ковша через литниковую воронку непрерывно до того момента, пока металл не покажется в выпоре.

 

Рисунок 1.4 - Эскиз песчаной литейной формы в сборе: 1 - нижняя опока;

2 - верхняя опока; 3 - плоскость разъёма; 4 - зазоры; 5 - вентиляционный канал;

6 - выпоры; 7 - литниковая воронка; 8 - стояк; 9 - шлакоуловитель; 10 - питатель; 11 - центрирующий штырь; 12 - скоба; 13 - местный разрез; 14 - плита; 15 - формовочная смесь; 16 - стержень; 17 - рабочая полость формы

 

 

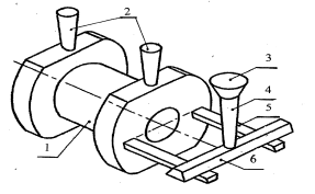
Спустя некоторое время после заливки металл затвердевает и отливку вместе с элементами литниковой системы (рисунок 1.5) извлекают из формы. Полуформы и стержень при этом разрушают. Затем от отливки отделяют элементы литниковой системы, которые впоследствии переплавляют.

Рисунок 1.5 – Эскиз отливки с элементами литниковой системы: 1 - отливка; 2 – выпор; 3 – литниковая воронка; 4 – стояк; 5 – питатель; 6 – шлакоуловитель

Независимо от степени механизации формовка проводится в определённой последовательности. На рисунке 1.6 показана установка нижней половины модели отливки (металлической), модели питателя и нижней опоки на подмодельную плиту. На шипы 5 подмодельной плиты 4 устанавливают половину модели отливки 1 и модели питателей 2 с отверстиями под шипы. Нижнюю опоку 3 устанавливают на центрирующие штыри 6. Модель питателя, имеющего в сечении форму трапеции, кладут большим основанием вниз. Модели отливки и питателя необходимо располагать так, чтобы между опокой и моделями сохранялось расстояние не менее 30 мм.

 

Рисунок 1.6 - Установка нижней половины модели отливки, модели питателя и нижней опоки на подмодельную плиту: 1 - половина модели отливки;

2 - модель питателя; 3 - нижняя опока; 4 - подмодельная плита; 5 - центрирующие шипы; 6 - центрирующий штырь

 

На рисунке 1.7 показана набитая нижняя опока - полуформа. Для её получения на модель насыпают слой формовочной смеси 1 толщиной 20 - 50 мм и уплотняют острым концом трамбовки. Насыпают и уплотняют следующие слои смеси до верха опоки. Верхний слой утрамбовывают плоским концом трамбовки. Срезают избыток смеси поверх опоки плоской заострённой линейкой, а иглой производят наколы (вентиляционные каналы 2) в набитой нижней опоке. Игла имеет форму длинного

шила диаметром около 3 мм. Конец иглы не должен доходить до поверхности модели на 10 - 15 мм. На 100 см2 поверхности формовочной смеси следует наколоть 3 - 4 канала.

 

Рисунок 1.7 - Набитая нижняя опока - полуформа: 1 - формовочная смесь; 2 - вентиляционные каналы

 

Для изготовления верхней полуформы переворачивают нижнюю набитую опоку 8. Устанавливают верхнюю половину модели детали 2 так, чтобы центрирующие шипы вошли в отверстия нижней половины.

Модели шлакоуловителя 6, стояка 3 и выпоров 1 устанавливают аналогично. Модель выпора устанавливают в самой верхней точке модели отливки. Если таких точек две и больше, то ставят несколько выпоров. Плоскость разъёма опок посыпают сухим кварцевым песком. Затем устанавливают по центрирующим штырям 7 верхнюю опоку 5, которую заполняют послойно формовочной смесью и уплотняют так же, как и нижнюю. После удаления избытка смеси и накола вентиляционных каналов в верхней полуформе вырезают литниковую воронку 4.

Производят раскрытие полуформ, из которых извлекают при помощи подъёмников половинки модели отливки и модели элементов литниковой системы. Подъёмниками называют устройства с резьбой на конце, ввинчивающиеся в отверстия в моделях. Если образовались повреждения полуформ, то их следует исправить.

При сборке формы (см. рисунок 1.4) в нижнюю полуформу, устанавливают стержень 16 и затем по штырям 11 накрывают верхней полуформой. Опоки скрепляют скобами 12. После спаривания опок внутри образуется рабочая полость литейной формы 17, которая будет заполнена металлом через литниковую систему.

Форму устанавливают на заливочный участок, где производится заливка металла в форму из ковша. Металл должен быть предварительно очищен от шлака. Заливку литейной формы металлом производят из литейных ковшей различ­ных конст­рукций. Температуру заливки сплавов назначают на 100…150°С выше тем­пера­туры ликвидуса. Струя металла падает с небольшой высоты в литниковую чашу. Перерыв в процессе заливки не допускается. Заливка прекращается, как только металл появится в выпоре.

После остывания металла форма разрушается и из неё извлекается отливка. Затем из отливки удаляется стержень, производится обрубка элементов литниковой системы с удалением заливов и очистка отливок.


Поделиться с друзьями:

mylektsii.su - Мои Лекции - 2015-2026 год. (1.305 сек.)Все материалы представленные на сайте исключительно с целью ознакомления читателями и не преследуют коммерческих целей или нарушение авторских прав Пожаловаться на материал