Студопедия

Главная страница Случайная страница

КАТЕГОРИИ:

АвтомобилиАстрономияБиологияГеографияДом и садДругие языкиДругоеИнформатикаИсторияКультураЛитератураЛогикаМатематикаМедицинаМеталлургияМеханикаОбразованиеОхрана трудаПедагогикаПолитикаПравоПсихологияРелигияРиторикаСоциологияСпортСтроительствоТехнологияТуризмФизикаФилософияФинансыХимияЧерчениеЭкологияЭкономикаЭлектроника






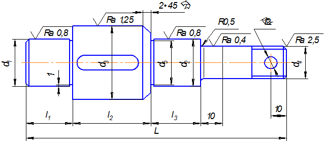
Приложение 3. Задание 1. Расчет линейных размеров поковки вала d3 h8 d4 s6 d1 k6 d2 d9 l1 h8 l2






Задание 1. Расчет линейных размеров поковки вала

  d3 h8 d4 s6 d1 k6 d2 d9 l1 h8 l2 h9 l3 h9 L h10
  Æ 200 Æ 100 Æ 80 Æ 140        
  Æ 140 Æ 70 Æ 40 Æ 110        
  Æ 180 Æ 120 Æ 60 Æ 100        
  Æ 120 Æ 80 Æ 70 Æ 100        
  Æ 100 Æ 80 Æ 50 Æ 80        
  Æ 100 Æ 90 Æ 70 Æ 110        
  Æ 160 Æ 100 Æ 50 Æ 120        
  Æ 80 Æ 54 Æ 60 Æ 45        
  Æ 100 Æ 90 Æ 70 Æ 110        
  Æ 125 Æ 85 Æ 65 Æ 100        

 

Сталь 12Х18Н9Т ГОСТ5632-72

  d1 k6 d2 k6 d3 h8 d4 H7 d5 H12 l1 h8 l2 h10 l3 h8 L h10
  Æ 28 Æ 28 Æ 40 Æ 25 Æ 26, 0        
  Æ 32 Æ 32 Æ 38 Æ 30 Æ 31, 5        
  Æ 40 Æ 40 Æ 50 Æ 28 Æ 38, 5        
  Æ 42 Æ 50 Æ 62 Æ 40 Æ 40, 5        
  Æ 50 Æ 50 Æ 72 Æ 36 Æ 48, 4        
  Æ 56 Æ 56 Æ 80 Æ 48 Æ 55, 4        
  Æ 64 Æ 64 Æ 72 Æ 52 Æ 62, 5        
  Æ 68 Æ 68 Æ 74 Æ 36 Æ 66, 5        
  Æ 72 Æ 72 Æ 84 Æ 42 Æ 70, 5        
  Æ 78 Æ 78 Æ 90 Æ 64 Æ 77, 5        

Задание 2. Расчет линейных размеров поковки вала выполненной штамповкой

Сталь 4ОХ ГОСТ 4543-71


Задание 3. Расчет линейных размеров поковки вала выполненной штамповкой

  d1 h8 d2 k6 d3 p6 d4 f7 d5 h11 l1 h8 l2 H10 l3 H10 L h10
  Æ 40 Æ 26 Æ 24 Æ 20 Æ 22, 0        
  Æ 41 Æ 30 Æ 26 Æ 24 Æ 24, 2        
  Æ 50 Æ 38 Æ 30 Æ 26 Æ 28.4        
  Æ 62 Æ 36 Æ 34 Æ 30 Æ 32, 1        
  Æ 68 Æ 42 Æ 38 Æ 32 Æ 36, 4        
  Æ 70 Æ 46 Æ 42 Æ 30 Æ 40, 2        

 

 

Сталь 20 ГОСТ 1050-74

 

Оглавление

1. Общие методические указания к выполнению курсовой работы………. 3

2. Литейное производство…………………………………………………….. 4

3. Обработка металлов давлением…………………………………………….12

4. Сварочное производство……………………………………………………18

5. Обработка резанием……………………………………………………… 25

6. Библиографический список рекомендованных источников…………… 26

7. Приложение 1……………………………………………………………… 27

8. Приложение 2.................................................................................................52

9. Приложение 3……………………………………………………………… 54

 

 


Поделиться с друзьями:

mylektsii.su - Мои Лекции - 2015-2026 год. (0.268 сек.)Все материалы представленные на сайте исключительно с целью ознакомления читателями и не преследуют коммерческих целей или нарушение авторских прав Пожаловаться на материал