Студопедия

Главная страница Случайная страница

КАТЕГОРИИ:

АвтомобилиАстрономияБиологияГеографияДом и садДругие языкиДругоеИнформатикаИсторияКультураЛитератураЛогикаМатематикаМедицинаМеталлургияМеханикаОбразованиеОхрана трудаПедагогикаПолитикаПравоПсихологияРелигияРиторикаСоциологияСпортСтроительствоТехнологияТуризмФизикаФилософияФинансыХимияЧерчениеЭкологияЭкономикаЭлектроника






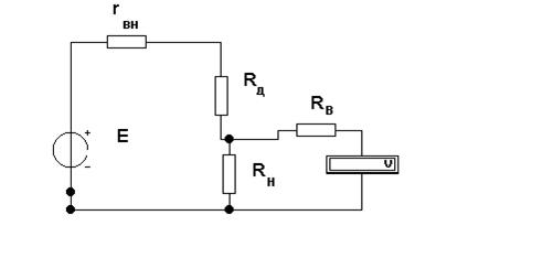
Задание 1.2






 

Данные взять из табл. вариантов 1.2

 

 

 

 

Для измерения ЭДС Е с rвн=R используется вольтметр класса gВ с верхним пределом U в(max) и внутренним сопротивлением R В или током потребления Iпр.

1.Определить относительную методическую погрешность измерения ЭДС при R Н® ¥.

2. Вывести формулы определения методической погрешности, предел допускаемой относительной погрешности прибора и сравнить ее с методической погрешностью, если ЭДС равна E вольт при а) R H®¥ и б) R H =R H

3. Определить мощность, потребляемую нагрузкой Рн и измерительным прибором Pпр=Uпр Iпр и КПД процесса измерения.

4. Определить RВ(min), чтобы методическая погрешность измерения U не превышала -0.01%; -0.1%; -1%; -10%.

 

 

Задание 1.3

 

 

Использовать данные задания 1.2

Вольтметром класса g В с верхним пределом UB(max) , имеющим внутреннее сопротивление R B или ток полного отклонения Iпр(мах), измеряется падение напряжения U на делителе напряжения RД, RH.

1. Определить показания прибора и относительную методическую погрешность измерения, и допускаемую относительную погрешность прибора.

2. Определить RB(min) , чтобы методическая погрешность измерения не превышала –4%; -0.5%; -0.03%.

 

 

Таблица 1.1

 

Варианты заданий 1.1

 

IА А g1 % I1(max) A RA1 Ом g2 % I2(мах) А RA2 Ом RH Ом rвн Ом
    0.5   0.03 1.5   0.1    
  0.1 0.02 0.5   2.0 0.1      
    1.5   0.04 0.5   0.01    
  0.7 1.0 1.0 1.0 0.2   0.5    
    4.0   0.001 0.5   0.0001 0.01 0.001
  0.5 0.5 1.5 1.0 1.0 0.75      
  0.01 0.5 0.02   0.2 0.05      
    2.5 2.5 2.0 1.0   0.5    
    4.0   0.2 1.0   0.002    
    2.5   0.001 0.5   0.0005 0.5 0.01
  0.012 1.5 0.015   0.2 0.050      
  7.5 2.5   0.04 0.5   0.01   0.5

 

 

Таблица 1.2

 

Варианты к заданию 1.2

 

gВ % UB(мах), v E, v rвн Ом RВ, Ом RH Ом Iпр (мах) Rд Ом
  0.2   1.5          
  0.5           50мкА  
  1.0              
  0.1           0.2мА  
  4.0              
  2.5 7.5         20мкА  
  0.5              
  1.0           1мА  
  0.02              
  0.2       1МОм      
  4.0           30мА  
12 1.5           50мкА  

 

 

Контрольные вопросы к заданию 1

1. Классификация погрешностей. Их составляющие.

2. Классы точности приборов.

3. Составляющие приборной погрешности электромеханических ЭИП.

4. Вывод формул расчета методической погрешности измерения тока и напряжения.

5. Учет влияние средств измерения на объект измерения. Понятие КПД процесса измерения.

6. Понятие случайных, приборных и методических составляющих суммарной погрешности измерения. Их особенности.

 



Поделиться с друзьями:

mylektsii.su - Мои Лекции - 2015-2026 год. (0.977 сек.)Все материалы представленные на сайте исключительно с целью ознакомления читателями и не преследуют коммерческих целей или нарушение авторских прав Пожаловаться на материал