Студопедия

Главная страница Случайная страница

КАТЕГОРИИ:

АвтомобилиАстрономияБиологияГеографияДом и садДругие языкиДругоеИнформатикаИсторияКультураЛитератураЛогикаМатематикаМедицинаМеталлургияМеханикаОбразованиеОхрана трудаПедагогикаПолитикаПравоПсихологияРелигияРиторикаСоциологияСпортСтроительствоТехнологияТуризмФизикаФилософияФинансыХимияЧерчениеЭкологияЭкономикаЭлектроника






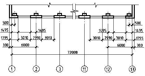
Координационные оси здания (сооружения).






Координационные (разбивочные) оси – оси, определяющие положение основных несущих конструкций здания и проходящие по его капитальным стенам и колоннам. Эти оси, которые могут быть продольными и поперечными, расчленяют здание на ряд элементов. Координационные оси наносят штрихпунктирными линиями с длинными штрихами (рис.6).

 

Рисунок 6 – Пример оформления фрагмента плана

 

На планах разбивочные оси выводят за контур стен и маркируют буквами русского алфавита и арабскими цифрами (числами), которые записывают в маркировочных окружностях диаметром 6-12мм. Маркировочные кружки координационных осей располагают на расстоянии 4мм от последней размерной линии.

Для маркировки на стороне здания с большим числом осей используют цифры, а с меньшим числом осей – буквы, за исключением букв Ё, З, Й, О, Х, Ц, Ч, Щ, Ъ, Ы, Ь. Буквами маркируют, как правило, оси, идущие вдоль здания.

Маркируют координационные оси слева направо и снизу вверх, располагая маркировочные окружности с левой и нижней сторон здания (рис.6, 8).

Если расположение осей на правой и верхней сторонах плана не совпадает с разбивкой осей левой и нижней его сторон, то координационные оси маркируются на всех сторонах плана. Пропуски букв и чисел при маркировке осей не допускаются.

Для отдельных элементов, расположенных между координационными осями основных несущих конструкций, наносят дополнительные оси и обозначают их в виде дроби, в числителе которой указывают обозначение предшествующей координационной оси, а в знаменателе – дополнительный порядковый номер в пределах участка между координационными осями.

После обводки чертежа допускается оставлять оси только в пересечении стен.


Поделиться с друзьями:

mylektsii.su - Мои Лекции - 2015-2026 год. (0.674 сек.)Все материалы представленные на сайте исключительно с целью ознакомления читателями и не преследуют коммерческих целей или нарушение авторских прав Пожаловаться на материал