Студопедия

Главная страница Случайная страница

КАТЕГОРИИ:

АвтомобилиАстрономияБиологияГеографияДом и садДругие языкиДругоеИнформатикаИсторияКультураЛитератураЛогикаМатематикаМедицинаМеталлургияМеханикаОбразованиеОхрана трудаПедагогикаПолитикаПравоПсихологияРелигияРиторикаСоциологияСпортСтроительствоТехнологияТуризмФизикаФилософияФинансыХимияЧерчениеЭкологияЭкономикаЭлектроника






Требования к чертежам деталей






■ чертежи деталей выполнить с соблюдением ГОСТов ЕСКД;

■ каждый чертеж оформить форматом по ГОСТ 2.301-68;

■ основную надпись на чертежах выполнить по форме 1 ГОСТ 2.104-68 (приложение А);

■ для выполнения чертежей деталей масштаб принимается в соответствии с ГОСТ 2.302-68* и требованием, что 80% поля формата должно быть занято изображениями детали;

■ размеры деталей взять со сборочного чертежа путем замера, с учетом масштаба сборочного чертежа;

■ нанесение размеров на чертежах деталей выполнить всоответствии с требованиями ГОСТ 2.307-68 (приложение

■ Заставить шероховатости поверхностей в соответствии с ГОСТ 2.309-73 (приложением);

■ проставить ГОСТ на материал (приложение К);

■ все надписи на чертежах деталей выполнить стандартным шрифтом по ГОСТ 2.304-81, типы линий должны соответствовать ГОСТ 2.303-68* (приложение Г);

■ чертежи деталей обозначить по типу:

ИГЧД. 053401, где

ИГ - курс «Инженерная графика»,

ЧД - тема задания «Чертежи деталей»,

05 - номер темы,

01 - номер детали по спецификации.

■ допускается выполнение чертежей с помощью компьютера с учетом всех вышеперечисленных требований.

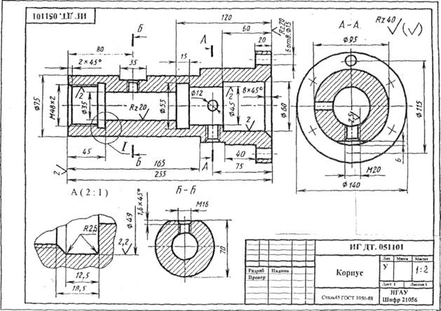
Рисунок 10 - Пример выполнения чертежа детали

 

Зачетные вопросы по теме 5

1. Дайте определения детали, сборочной единицы, изделия, комплекта, комплекса по ГОСТ 2.102-68,

2. Что такое местный разрез, какой линией он ограничивается?

3. Какие размеры должны указываться на сборочных чертежах?

4. Как изображаются крепежные детали на сборочных чертежах?

5. Какой линией показывают следы секущей плоскости и как они обозначаются на чертежах сечения?

6. Что указывают в основной надписи чертежа детали?

7. Какое изображение детали на чертежах принимается в качестве главного вида?

8. Как на чертежах обозначают дополнительные виды?

9. Что называют видом?

10. Что называется рабочим чертежом детали?

11. Что такое полный разрез? В каком случае он обозначается на чертеже?

12. Какие резьбы обозначаются на сборочном чертеже?

13. Назовите типы линий и их назначение по ГОСТ 2.303-68.

14. Что называется сечением? Какие различают сечения и как они изображаются на чертежах?

15. Какие детали при выполнении разреза показываются не рассеченными?

16. Какие условности применяются при вычерчивании пружин?

17. Как на чертежах обозначаются метрическая и коническая резьбы?

18. Что называется выносным элементом и как он обозначается на чертеже?

19. В каком положении изображаются подвижные детали на сборочном чертеже?

20. Чем отличаются разрезы от сечений?

 



Поделиться с друзьями:

mylektsii.su - Мои Лекции - 2015-2026 год. (3.449 сек.)Все материалы представленные на сайте исключительно с целью ознакомления читателями и не преследуют коммерческих целей или нарушение авторских прав Пожаловаться на материал