Студопедия

Главная страница Случайная страница

КАТЕГОРИИ:

АвтомобилиАстрономияБиологияГеографияДом и садДругие языкиДругоеИнформатикаИсторияКультураЛитератураЛогикаМатематикаМедицинаМеталлургияМеханикаОбразованиеОхрана трудаПедагогикаПолитикаПравоПсихологияРелигияРиторикаСоциологияСпортСтроительствоТехнологияТуризмФизикаФилософияФинансыХимияЧерчениеЭкологияЭкономикаЭлектроника






Методика визначення напруг у відливаннях.






 

Для визначення величини залишкових ливарних напруг застосовують спеціально відлиті усадкові проби різної форми. Найзручнішими для лабораторних досліджень є проба у вигляді решітки (рис.4.1).

Коли товстий брусок II при охолоджуванні досягає температури 620° і перейде в пружний стан, тонкі бруски I мають вже низьку температуру і перешкоджає подальшій усадці бруска II.

Унаслідок термічного гальмування усадки до кінця охолоджування тонкі бруски I1 і I2 виявляються пружно стислими на величину – Δ I, товстий брусок II пружно розтягнутим на величину +Δ II, а поперечні бруски III пружно зігнутими на величину 2Δ III.

Абсолютна величина пружних деформацій системи

2Δ =2Δ IIIIII мм

Якщо поперечні бруски III мають малу товщину, то величини___ в порівнянні з 2Δ III дуже малі.

Під впливом внутрішніх напруг в тонких, товстому і поперечних брусках система знаходиться в рівновазі, але бруски усадкової решітки I, II і III деформуються згідно схемі рис.4.2.

Замінюємо дію бруска II силою 2Р, а дія Δ правої половини решітки на ліву - горизонтальною силою х і моментом М. Горизонтальні сили х, прикладені до окремих брусків, взаємно знищуються.

Розрізаючи брусок I посередині висоти, можемо уявити його закріпленим в точці 0 (рис.4.3). Під дією вертикальної сили Р і згинаючого моменту М, ця частина усадкової решітки деформується по схемі (рис.4.3). Загальна величина пружних деформацій Δ є сумою алгебри переміщень крапки В на поперечному бруску III і деформацію половини бруска II.

Застосовуючи методи опору матеріалів, переміщення крапки В від вигину бруска III силою P і обертаючим моментом М, можна визначити з виразу:

 

мм (1)

 

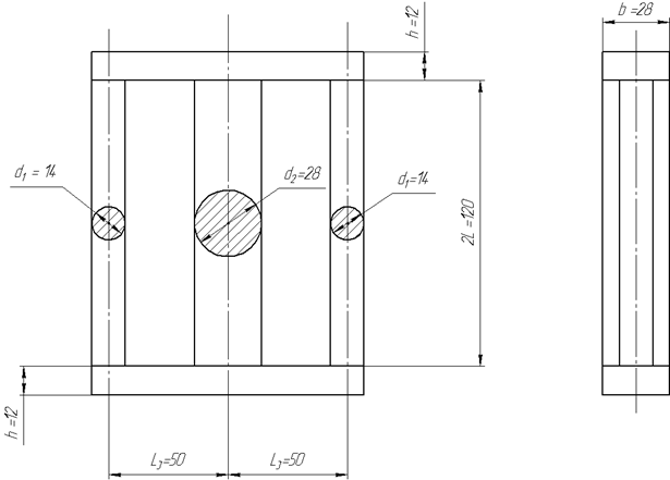
Рис.4.1. Усадочна решітка для визначення внутрішніх напруг у відливаннях.

 


Рис.4.2 Схема пружних Мал. 4.3 Розрахункова схема для

деформацій усадочної решітки. визначення напруженого і деформо- ваного стану усадочної решітки.

 

де

Е - модуль пружності матеріалу (для алюмінієвих сплавів, Е=7000 кгс/мм2, для сірого чавуну Е=10000 кгс/мм2);

FI і FII - площі поперечних перетинів брусків I і П;

JI і JIII, - моменти інерцій брусків I і III.

Для визначення невідомих Р і М є додаткове рівняння, яке отримане з умови, що кут повороту перетину В щодо площини закладення 0 в результаті деформація дорівнює нулю:

(2)

Вирішуючи спільно рівняння /1/ і /2/ визначаємо значення Р (кгс) і М (кгс/мм).

Величину напруг в тонких I, товстих II і поперечних III брусках визначають з рівнянь:

(3)

(4)

(5)

 

де

- момент опору бруска мм3; (6)

- момент опору бруска мм3. (7)


Поделиться с друзьями:

mylektsii.su - Мои Лекции - 2015-2026 год. (1.259 сек.)Все материалы представленные на сайте исключительно с целью ознакомления читателями и не преследуют коммерческих целей или нарушение авторских прав Пожаловаться на материал