Студопедия

Главная страница Случайная страница

КАТЕГОРИИ:

АвтомобилиАстрономияБиологияГеографияДом и садДругие языкиДругоеИнформатикаИсторияКультураЛитератураЛогикаМатематикаМедицинаМеталлургияМеханикаОбразованиеОхрана трудаПедагогикаПолитикаПравоПсихологияРелигияРиторикаСоциологияСпортСтроительствоТехнологияТуризмФизикаФилософияФинансыХимияЧерчениеЭкологияЭкономикаЭлектроника






Схемотехника линейных стабилизаторов напряжения






Семинар 5

 

ЛИНЕЙНЫЕ СТАБИЛИЗАТОРЫ НАПРЯЖЕНИЯ

 

Для питания любой активной электронной схемы необходимо иметь один или несколько источников стабильного напряжения постоянного тока. Про­стые нерегулируемые источники питания, выполненные по схеме «трансформатор — неуправляемый выпрямитель — сглаживающий фильтр», во многих случаях оказываются непригодными, так как их выходное напряжение зависит от тока нагрузки и напряжения в сети. Однако с помощью все той же отрицательной обратной связи, легко построить источник стабильного пита­ния, используя для компенсации влияния нагрузки и нестабильности сети регу­лирующий сигнал, полученный в результате сравнения выходного напряжения источника с некоторым постоянным эталонным (опорным) напряжением. Та­кие стабилизированные источники питания относятся к классу компенсацион­ных. Они достаточно универсальны и могут быть изготовлены в виде интегральных микросхем стабилизаторов напряжения (ИМС).

Как правило, регулирующим элементом ИМС стабилизаторов напряжения является биполярный либо полевой транзистор. Если этот транзистор все время работает в активном режиме, то схему называют линейным (непрерывным) ста­билизатором напряжения (ЛСН), а если регулирующий транзистор работает в ключевом режиме — импульсным (ИСН).

Схемотехника линейных стабилизаторов напряжения

 

Микросхемы ЛСН включают помимо силовых регуляторов более или менее сложную маломощную схему управления. Принципиальная трудность создания интегральных стабилизаторов заключается в том, что силовые транзисторы рас­сеивают значительную мощность, вызывая локальный нагрев кристалла с су­щественным градиентом температур. Это резко ухудшает стабильность пара­метров схемы управления, в состав которой входит источник опорного напряжения, дифференциальный усилитель ошибки, цепи зашиты от перегру­зок по току и короткого замыкания нагрузки, от перегрева кристалла и других аварийных или нештатных режимов.

Монолитный линейный интегральный стабилизатор напряжения был впер­вые разработан Р. Видларом в 1967 году. Эта микросхема (mА723) содержит регулируюший транзистор, включенный последовательно между источником нестабилизированного напряжения и нагрузкой, усилитель ошибки и термокомпенсированный источник опорного напряжения.

В упрощенном виде схема линейного стабили­затора напряжения приведена на рисунке.

 

 

Базовая схема линейного стабилизатора напряжения

 

Схема состоит из операционного усилителя в неинвертирующем включении с отрицательной обратной связью по напряжению, источника опорного напряжения и регулирующего транзистора , включенного последовательно с нагрузкой.

Выходное напряжение контролируется с помощью цепи отрицательной обратной связи, выполненной на резистивном делителе . ОУ играет роль усилителя ошибки, в качестве которой здесь выступает разность между опорным напряжением задаваемым источником опорного напряжения (ИОН), и выходным напряжением делителя

Схема работает следующим образом. Пусть по тем или иным причинам (на­пример, из-за уменьшения сопротивления нагрузки или входного нерегулируе­мого напряжения) выходное напряжение стабилизатора уменьшилось. При этом на входе ОУ появится ошибка . Выходное напряжение усилите­ля возрастет, что приведет к увеличению тока базы, а, следовательно, и тока эмиттера регулирующего транзистора до значения, при котором выходное на­пряжение возрастет практически до первоначального уровня.

В случае идеального операционного усилителя установившееся значение ошибки, совпадающее с дифференциальным входным напряжением ОУ, близ­ко к нулю. Отсюда следует, что

 

Питание операционного усилителя осуществляется от входного нерегу­лируемого однополярного напряжения, в данном случае положительного (при регулирующем транзисторе -типа все напряжения в схеме должны быть отрицательными). Это накладывает ограничения на допустимый диапа­зон входных и выходных сигналов, которые в этих условиях должны быть только положительными.

Для схем источников питания такое ограничение не играет роли, поэтому от использования напряжения другой полярности для питания ОУ можно отка­заться. Еще одно преимущество подобной схемы состоит в том, что напряжение питания операционного усилителя можно удвоить, не опасаясь превысить его предельно допустимые параметры. Таким образом, стандартные операционные усилители можно использовать в схемах стабилизаторов с входным напряжени­ем до 30 В. Хотя операционный усилитель питается от нестабилизированного входного напряжения V IN, благодаря глубокой отрицательной обратной связи влияние этого фактора на стабильность выходного напряжения невелико.

Представленная на следующем рисунке схема стабилизатора может быть выполнена в виде интегральной схемы. Такие схемы выпускаются промышленностью (на­пример, серии и др.) на несколько фиксиро­ванных значений стандартных выходных напряжений: 1, 2... 27 В. В таком ис­полнении схема может иметь только три внешних вывода: вход, выход и общий вывод.

 

 

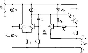
Типовая упрощенная схема интегрального стабилизатора напряжения

 

Характерной особенностью этого стабилизатора является включение регу­лирующего -транзистора по схеме с общим коллектором (эмиттерным по­вторителем).

В зарубежной литературе такое устройство часто называют -стабилиза­тором. Требования, предъявляемые к усилителю ошибки, не очень высоки и он, как правило, выполняется по простейшей схеме дифференциального усилите­ля. Опорное напряжение может быть получено самыми различными способа­ми. На рисунке в качестве источника опорного напряжения символически по­казан стабилитрон . Реально в низковольтных стабилизаторах используется так называемый ИОН на ширине запрещенной зоны. Впервые его применил Р. Видлар в одном из первых трехвыводных стабилизаторов LM109. За счет отрицательной обратной связи, образуемой делителем напряжения , выходное напряжение стабилизатора установится равным

 

 

Интегральный стабилизатор напряжения имеет встроенную схему ограни­чения выходного тока, состоящую в данном случае из резистора и транзисто­ра . Если падение напряжения на превысит величину, равную прибли­женно 0.6 В, транзистор откроется и предотвратит дальнейшее увеличение базового тока транзистора , поэтому величина выходного тока стабилизато­ра ограничена уровнем

 

 

При этом максимальная мощность, рассеиваемая на выходном регулирую­щем транзисторе . будет равна

 

 

В случае короткого замыкания нагрузки (режим КЗ) эта мощность может значительно превысить предельную мощность для регулирующего транзистора, т. к. при этом выходное напряжение упадет от номинальной величины до нуля. Чтобы снизить мощность, рассеиваемую транзистором в режиме КЗ, одновре­менно с уменьшением выходного напряжения (точнее, с увеличением разности потенциалов «вход—выход») нужно уменьшать уровень ограничения тока. С увеличением напряжения на регулирую­щем транзисторе (например, из-за нестабиль­ности входного напряжения) происходит быст­рый рост мощности, рассеиваемой на его коллекторном переходе. Это обусловлено тем, что соответственно возрастает разность напряжений , которая входит в выражение для мощности. Защита выходного транзистора от пере­грева в этом случае достигается тем, что уро­вень ограничения тока делают зависи­мым от разности напряжений . В схеме для этой цели служат резистор и стабилитрон .

Если разность напряжений остается меньшей, чем напряжение стабилизации стабилитрона , через резистор ток не течет. В этом случае уровень ограничения тока остается равным 0.6 . Если же эта разность пре­высит величину напряжения стабилизации стабилитрона, замыкается цепь де­лителя напряжения на резисторах и к эмиттерному переходу транзистора прикладывается дополнительное положительное напряжение. В результате транзистор будет открываться при меньших токах через регулирующий транзистор .

В последних моделях ИМС стабилизаторов напряжения все шире применя­ется тепловая защита от перегрузок. Так, например, стабилизатор ADP3303 снабжен схемой, которая резко снижает выходной ток при нагреве кристалла до температуры 165°С.

Конденсатор осуществляет необходимую частотную коррекцию схемы. В качестве дополнительной меры по предотвращению самовозбуждения следует включать на входе и выходе стабилизаторов конденсаторы емкостью 0.1... 10 мкФ. В последнее время на рынке появились стабилизаторы, так называемые Cap-free, которые не требуют подключения внешних конденсаторов па­раллельно выходу.

Кроме стабилизаторов с фиксированным выходным напряжением выпуска­ются также регулируемые стабилизаторы напряжения (например, 142ЕНЗ или 1168ЕН1). В схемах таких стабилизаторов отсутствует делитель напряжения , а база транзистора подключена к выводу микросхемы для соединения с внешним делителем напряжения. Значительная часть ИМС регулируемых стабилизаторов (. 142ЕН4 и др.) имеет, как минимум, 4 вывода, поскольку ток собственного потребления микросхемы составляет единицы миллиампер и зависит от нагрузки. Поэтому его нельзя замкнуть через цепь внешнего дели­теля напряжения, поскольку это вызовет изменение напряжения на делителе при изменении тока нагрузки. Усовершенствование схемотехники ИМС стаби­лизаторов позволило снизить этот ток до десятков микроампер и избавиться от четвертого вывода (LM317, LT1085 и др.).

В то же время наличие специального вывода для подключения цепи обрат­ной связи по напряжению позволяет обеспечить высокую стабильность напря­жения на удаленной нагрузке (сделать его независимым от падения напряже­ния на соединительных проводах). Поэтому наряду с трехвыводными выпускаются ИМС стабилизаторов с числом выводов больше 3 (например, ADP3331, TPS70151 и др.). которые помимо входов обратной связи имеют так­же дополнительные входы для управления цепями защиты от КЗ, от перегрузки по току и других подобных режимов.


Поделиться с друзьями:

mylektsii.su - Мои Лекции - 2015-2026 год. (0.568 сек.)Все материалы представленные на сайте исключительно с целью ознакомления читателями и не преследуют коммерческих целей или нарушение авторских прав Пожаловаться на материал