Студопедия

Главная страница Случайная страница

КАТЕГОРИИ:

АвтомобилиАстрономияБиологияГеографияДом и садДругие языкиДругоеИнформатикаИсторияКультураЛитератураЛогикаМатематикаМедицинаМеталлургияМеханикаОбразованиеОхрана трудаПедагогикаПолитикаПравоПсихологияРелигияРиторикаСоциологияСпортСтроительствоТехнологияТуризмФизикаФилософияФинансыХимияЧерчениеЭкологияЭкономикаЭлектроника






Система TN






 

Питающие сети системы TN имеют непосредственно присоединенную к земле точку. Открытые проводящие части электроустановки присоединяются к этой точке посредством нулевых защитных проводников.

Система TN-C-S - функции нулевого рабочего и нулевого защитного проводников объединены в одном проводнике в части сети (рис. 21). В зависимости от устройства нулевого рабочего и нулевого защитного проводников различают следующие типы систем заземления электрических сетей.

Система TN-C - функции нулевого рабочего и нулевого защитного проводников объединены в одном проводнике по всей длине (рис. 21, б).

Система TN-S - нулевой рабочий и нулевой защитный проводники работают раздельно по всей длине сети (рис. 22).

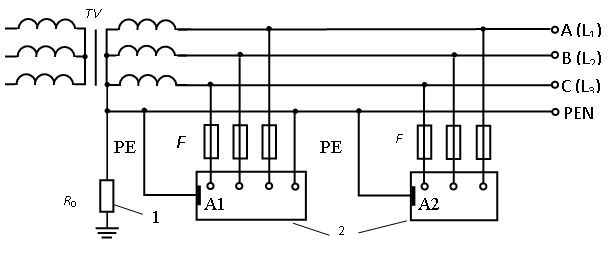
Рис. 21. Виды заземлений электрических сетей: а) электрическая сеть с системой заземления ТN-С-S (в начале сети нулевой рабочий и нулевой защитный проводники объединены); б) электрическая сеть с системой заземления ТN-С (нулевой защитный и нулевой

рабочий проводники объединены по всей длине сети); 1 - рабочее заземление источника питания; 2 - открытые проводящие части (корпуса ЭУ); А1, А2 - электроустановки


Поделиться с друзьями:

mylektsii.su - Мои Лекции - 2015-2026 год. (2.761 сек.)Все материалы представленные на сайте исключительно с целью ознакомления читателями и не преследуют коммерческих целей или нарушение авторских прав Пожаловаться на материал