Студопедия

Главная страница Случайная страница

КАТЕГОРИИ:

АвтомобилиАстрономияБиологияГеографияДом и садДругие языкиДругоеИнформатикаИсторияКультураЛитератураЛогикаМатематикаМедицинаМеталлургияМеханикаОбразованиеОхрана трудаПедагогикаПолитикаПравоПсихологияРелигияРиторикаСоциологияСпортСтроительствоТехнологияТуризмФизикаФилософияФинансыХимияЧерчениеЭкологияЭкономикаЭлектроника






С изолированным от земли выводами источника тока






(системы заземления IT)

 

Примером такой сети может служить электрическая сеть небольшой протяженности напряжением до 1000 В. Такие сети используются для питания сверхнизким (малым) напряжением 12, 24, 36 и 42 В ручных переносных ламп, переносного электроинструмента и др.

Схема замещения приведена на рис. 29. Требуется оценить опасность прикосновения человека к одному из проводов этой сети, т.е. определить напряжение прикосновения UПР, под которым окажется человек, и ток IЧ, проходящий через него. В общем случае при нормальном режиме работы сети напряжение прикосновения и поражающий ток могут быть определены из выражений

, (5)

. (6)

Из этих выражений можно сделать выводы:

1. Прикосновение человека к проводу с большим сопротивлением изоляции относительно земли более опасно, что видно из выражения (5).

2. Если предположить, что R 1 = R 2 = RИЗ, тогда выражения (5) и (6) примут вид

, (7)

. (8)

То есть, чем больше сопротивление изоляции проводов относительно земли, тем меньше опасность однофазного прикосновения к проводу.

 

Пример. Определить UПР при R 1 = R2 = RИЗ и RИЗ = (1, 10, 20, 40)∙ 103 Ом, RЧ = 1∙ 103 Ом.

Решение:

при RИЗ = 1∙ 103 Ом, UПР = U ∙ 1000/(2∙ 1000+1000) = U /3;

при RИЗ = 10∙ 103 Ом, UПР = U /12;

при RИЗ = 20∙ 103 Ом, UПР = U /22;

при RИЗ = 40∙ 103 Ом, UПР = U /42.

 

Следовательно, чем выше значение RИЗ, тем меньше значение UПР, значит меньше опасность поражения человека током (меньше IЧ).

Согласно правил устройства электроустановок (ПУЭ) минимально допустимое сопротивление изоляции электроустановок, аппаратов, вторичных цепей и электропроводок напряжением до 1000 В должно быть, как правило, не менее 0, 5 МОм.

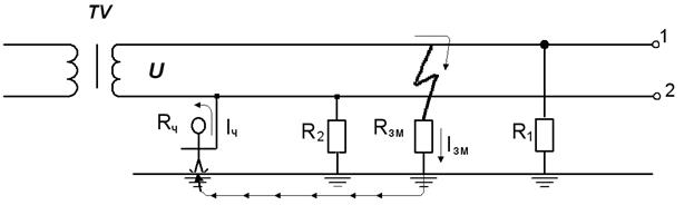
При аварийном режиме (рис. 30.) один из проводов сети, например 1, замкнут на землю через сопротивление замыкания RЗМ.

 


а)

б)

 

Рис. 29. Прикосновение человека к проводу однофазной сети изолированной

от земли в нормальном режиме ее работы: а) схема, б) эквивалентная расчетная схема

 

 

 

Рис. 30. Прикосновение человека к проводу однофазной сети, изолированной

от земли, когда другой провод замкнут на землю (аварийный режим работы сети)

 

На практике сопротивление замыкания RЗМ обычно мало по сравнению с R 1, R 2, и RЧ и может быть принято равным нулю. Тогда согласно выражениям (5) и (6), напряжение прикосновения UПР и поражающий ток IЧ будут иметь наибольшие возможные значения.

Из вышеизложенного можно сделать следующие выводы:

1. При замыкании провода на землю человек, прикоснувшийся к исправному проводу, оказывается под напряжением прикосновения, равным почти полному напряжению сети независимо от сопротивления изоляции проводов относительно земли.

2. Защитная роль изоляции проводов в аварийном режиме практически полностью утрачивается и опасность однофазного прикосновения такая же, как и при двухфазном прикосновении.

Снизить опасность поражения человека может применение электрозащитных средств, изолирующих полов, сухой обуви. Поэтому применение инструмента с изолирующими рукоятками, изолирующих подставок, диэлектрических ковриков при эксплуатации однофазных сетей, изолированных от земли, обязательно.

 

 


Поделиться с друзьями:

mylektsii.su - Мои Лекции - 2015-2026 год. (1.381 сек.)Все материалы представленные на сайте исключительно с целью ознакомления читателями и не преследуют коммерческих целей или нарушение авторских прав Пожаловаться на материал