Студопедия

Главная страница Случайная страница

КАТЕГОРИИ:

АвтомобилиАстрономияБиологияГеографияДом и садДругие языкиДругоеИнформатикаИсторияКультураЛитератураЛогикаМатематикаМедицинаМеталлургияМеханикаОбразованиеОхрана трудаПедагогикаПолитикаПравоПсихологияРелигияРиторикаСоциологияСпортСтроительствоТехнологияТуризмФизикаФилософияФинансыХимияЧерчениеЭкологияЭкономикаЭлектроника






Заземления TN-S (с глухозаземленной нейтралью)






Как было сказано выше, это электрическая сеть, наиболее распространенная в практике эксплуатации электроустановок напряжением до 1000 В.

В таких сетях используется два напряжения UФ и UЛ = UФ 220/127; 380/220 и 380/660 В. По аналогии с однофазной сетью приведем анализ для двух случаев режимов работы сети.

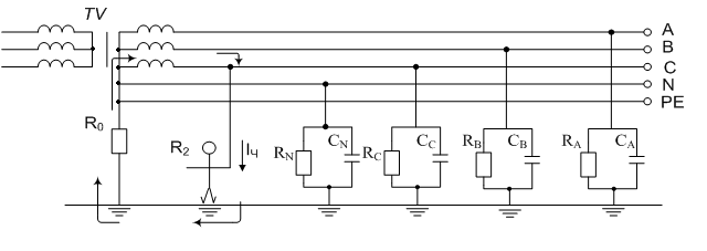
1. Прикосновение человека к фазному проводу сети в период нормального режима ее работы (схема замещения показана на рис. 36).

 

Рис. 36. Прикосновение человека к фазному проводу трехфазной

пятипроводной с глухозаземленной нейтралью (сети системы заземления TN-S)

при нормальном режиме ее работы

 

Сопротивление изоляции токоведущих частей (фаз) сети в нормальном режиме во много раз превышает сопротивление заземления нейтрали источника тока R 0. Поэтому величина поражающего тока, проходящего через человека, будет в основном определяться значением R 0 и может быть вычислена из выражения

.

Сопротивление заземлителя R 0, к которому присоединены нейтрали генераторов или трансформаторов, или выводы источника однофазного тока, согласно ПУЭ в любое время года должно быть не более 2, 4 и 8 Ом соответственно при линейных напряжениях 660, 380, 220 В источника трехфазного тока или 380, 220, 127 В источника однофазного тока (табл. 9)

Таблица 9

Сопротивление рабочего заземляющего устройства (в Ом)

 

Вид источника тока Напряжение
Линейное UЛ, В Фазное UФ, В
трехфазный            
однофазный            

 

Если принять RЧ > > R 0, то получим, что к человеку будет приложено напряжение, равное фазному UПР ≈ UФ.

Из всего вышеизложенного следует:

а) прикосновение человека к токоведущей части сети с глухозаземленной нейтралью очень опасно и практически не зависит от сопротивления изоляции фаз относительно земли;

б) опасность однофазного прикосновения в сети с глухозаземленной нейтралью во много раз превышает опасность однофазного прикосновения в сети с изолированной нейтралью;

в) исключить или уменьшить опасность поражения человека электрическим током можно, сняв напряжение с участка сети, являющегося объектом работы, или применив при работе электрозащитные средства.

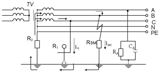
2. Прикосновение человека к фазному проводу сети в период аварийного режима ее работы (схема замещения показана на рис. 37).

 

Рис. 37. Прикосновение человека к фазному проводу трехфазной

пятипроводной сети с глухозаземленной нейтралью (система заземления TN-S)

при аварийном режиме работы

 

В общем случае напряжение прикосновения, под которым окажется человек, может быть определено из выражения

,

а ток, протекающий через человека

.

Если принять, что сопротивление замыкания RЗМ провода на землю равно нулю, тогда:

,

т.е. человек окажется под воздействием линейного напряжения сети.

Если принять, что сопротивление заземления нейтрали источника тока R 0 равно нулю, то:

,

т.е. к человеку будет приложено фазное напряжение сети.

В практических условиях сопротивления RЗМ и R 0 всегда больше нуля, поэтому напряжение прикосновения, под которым оказывается человек, прикоснувшийся в аварийный период работы сети к исправному проводу всегда больше фазного, но меньше линейного напряжения сети:

UФ < UПР < UЛ.

Отсюда можно сделать следующие выводы:

а) опасность поражения человека в период аварийной работы сети больше, чем в нормальном режиме работы сети;

б) опасность поражения человека при однофазном прикосновении в сети с глухозаземленной нейтралью больше, чем при однофазном прикосновении в сети с изолированной нейтралью.

 

 


Поделиться с друзьями:

mylektsii.su - Мои Лекции - 2015-2026 год. (2.303 сек.)Все материалы представленные на сайте исключительно с целью ознакомления читателями и не преследуют коммерческих целей или нарушение авторских прав Пожаловаться на материал