Студопедия

Главная страница Случайная страница

КАТЕГОРИИ:

АвтомобилиАстрономияБиологияГеографияДом и садДругие языкиДругоеИнформатикаИсторияКультураЛитератураЛогикаМатематикаМедицинаМеталлургияМеханикаОбразованиеОхрана трудаПедагогикаПолитикаПравоПсихологияРелигияРиторикаСоциологияСпортСтроительствоТехнологияТуризмФизикаФилософияФинансыХимияЧерчениеЭкологияЭкономикаЭлектроника






Условия проведения лабораторной работы






 

Экспериментальные исследования выполняются на лабораторных установках, которые позволяют моделировать трехфазные сети переменного тока напряжением до 1000 В с различными режимами нейтрали и параметрами сети. В лаборатории имеются несколько модификаций установок, несколько отличающиеся внешним видом, конструктивным исполнением и соответственно возможностями и порядком проведения работы. Однако снятие основных зависимостей, прежде всего тока через человека при однофазном прикосновении в сетях с изолированной и заземленной нейтралью в функции от сопротивления изоляции и емкости фаз относительно земли, выполняется аналогично.

Существующие в реальных сетях распределенные сопротивления изоляции и емкости проводов относительно земли заменены в установках сосредоточенными и равными для отдельных фаз сопротивлениями (rA = rB = rC = rИЗ) и емкостями (CA = CB = CC = C). Однофазные прикосновения на установках моделируются для случая прикосновения человека к корпусу электроустановки, находящемуся под напряжением. В каждой установке имеется, панель, на которой высвечиваются соответствующие участки сети при включении различных измеряемых схем.

На рис. 40 представлен внешний вид установки моделирующего устройства СЭБ-1.

 

 

Рис. 40. Внешний вид установки СЭБ-1, моделирующего электрические сети

 

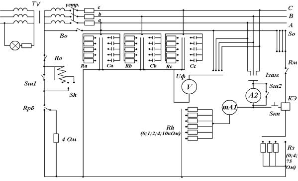
На другой установке СЭБ-2 основные отличия во внешнем виде состоят в том, что ряд тумблеров имеет другое обозначение и без принципиальной электрической, представленной на рис. 41, трудно разобраться в их предназначении. Необходимо иметь в виду, что миллиамперметр, регистрирующий ток через тело человека, имеет две шкалы, что не очень удобно; зато есть возможность устанавливать три разных значения защитного заземления: 4, 10 и 75 Ом.

Рис. 41. Однолинейная электрическая схема лабораторной установки СЭБ-2


Поделиться с друзьями:

mylektsii.su - Мои Лекции - 2015-2026 год. (2.462 сек.)Все материалы представленные на сайте исключительно с целью ознакомления читателями и не преследуют коммерческих целей или нарушение авторских прав Пожаловаться на материал