Студопедия

Главная страница Случайная страница

КАТЕГОРИИ:

АвтомобилиАстрономияБиологияГеографияДом и садДругие языкиДругоеИнформатикаИсторияКультураЛитератураЛогикаМатематикаМедицинаМеталлургияМеханикаОбразованиеОхрана трудаПедагогикаПолитикаПравоПсихологияРелигияРиторикаСоциологияСпортСтроительствоТехнологияТуризмФизикаФилософияФинансыХимияЧерчениеЭкологияЭкономикаЭлектроника






Электромеханические системы дистанционной передачи информации о курсе судна






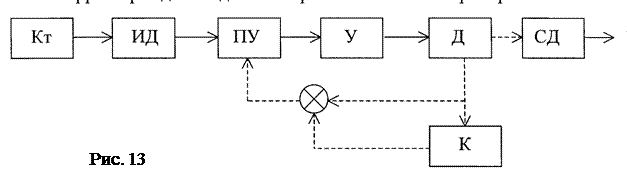
Электромеханические системы дистанционной передачи (рис. 13), включают в себя:

- индукционный датчик ИД, который вырабатывает электрический сигнал, характеризующий угловую ориентацию картушки Кт компаса;

- приемное устройство ПУ этого сигнала, в качестве которого могут использоваться сельсины или вращающиеся трансформаторы;

- усилитель У, усиливающий сигнал рассогласования по напряжению, и мощности;

- исполнительный двигатель Д, вращающий ротор ПУ вслед за пово­ротом картушки компаса Кт;

-сельсин датчик СД, транслирующий информацию о курсе судна на репитеры;

- корректор К для введения поправок в показания прибора.

 

При изменении курса судна изменяется сигнал ИД, а вместе с ним и выходной сигнал сельсина-приемника ПУ. Этот сигнал, после усиления в усилителе У поступает на исполнительный двигатель Д, который начинает работать и поворачивает ротор ПУ до тех пор, пока его сигнал не станет равным нулю. Это произойдет тогда, когда ротор ПУ займет положение, соответствующее новому значению курса судна. Одновременно двигатель вращает ротор сельсина датчика СД, который связан с сельсином-приемником репитеров. Изменение выходного сигнала СД будет изменять показания репитеров.

МК обычно имеют шкалы грубого и точного отсчета, связанные не­посредственно с исполнительным двигателем.

 

4. Системы дистанционной передачи магнитного компаса «КМ -145-8»

Основным элементом компаса является картушка, обеспечивающая непосредственное и дистанционное курсоуказание. Круговая шкала картушки даёт возможность считывать курс судна непосредственно.

 
 

Осветительное устройство 8 (рис.14, а) с конденсорными линзами 7 позволяет осуществлять дистанционную оптическую передачу изображения картушки на матовое стекло 1 прибора 54, установленного в ходовой рубке. Световые лучи, пройдя по трубе 6, фокусируются объективом 5 на торцевой части гибкого волоконного светопровода 4, проникают через второй объектив 3, отражаются в зеркале 2 и дают изображение на мато­вом стекле 1.

Датчиком дистанционной электрической передачи курса является индукционный чувствительный элемент В1 (рис. 14, б), состоящий из двух ортогонально расположенных феррозондов. Датчик В1 закреплен в ниж­ней части котелка (вмонтирован в груз, под действием которого котелок занимает отвесное положение).

Феррозонд имеет два пермаллоевых сердечника и две обмотки. Одна обмотка подключена к источнику переменного тока напряжением 4 В, час­тотой 400 Гц и служит для подмагничивания сердечников. Она намотана на каждый сердечник в отдельности и образует встречно-последовательную цепь. Другая обмотка, охватывающая оба сердечника, является сигнальной. В ней возникает сигнальное напряжение удвоенной частоты (800 Гц), амплитуда которого определяется углом ориентации стержней феррозонда относительно вектора индукции магнитного поля, создаваемого картушкой в пространстве, где находится феррозонд. Таким образом сигнал зависит от курса судна К (рис. 14, в).

Датчик В1, имеющий два феррозонда, выдает два сигнала: U1 и U2, причем один пропорционален синусу курса судна, а другой — косинусу. Указанные сигналы подаются на статорные обмотки вращающегося транс­форматора В2, где они суммируются. Результирующий сигнал Uc поступает в усилитель А1 где он предварительно усиливается и преобразуется в напряжение частотой 400 Гц. Далее в блоке А2 происхо­дит окончательное усиление сигнала (по мощности).

С выхода усилителя А2 напряжение Uвых подается на управляющую
обмотку исполнительного двигателя M1 (к основной обмотке этого двига­теля подводится питающий ток частотой 400 Гц, напряжением 40 В от
прибора ЗБ). Вращение двигателя M1 через редуктор передается на ротор
трансформатора В2. Отработка следящей системы продолжается до тех
пор, пока сигнал Uc не станет равным нулю.

Любое изменение курса судна вызывает появление сигнала Uc, который после усиления вызывает вращение двигателя Ml и поворот ротора В2 на угол, пропорциональный измене­нию курса судна.

Одновременно с ротором трансформатора В2 поворачивается ротор сельсина-датчика В3, который передает это вращение на сельсины-приемники репитерной системы.

В приборе 50 предусмотрен ручной ввод общей поправки магнитно­го компаса, равной сумме склонения d и девиации . Значение общей по­правки (для данного курса) вводится через дифференциал Е1, после этого на репитерах компаса устанавливается отсчет истинного курса. В тех слу­чаях, когда поправка не вводится, ее следует учитывать обычным образом, складывая алгебраически ее значение с отсчетом курса (пеленга), снятого с репитера.

Для исключения инструментальной ошибки, обусловленной неточ­ной работой феррозондов, в схеме предусмотрен индукционный корректор A3, который по заранее составленной программе формирует дополнитель­ное напряжение ~ UKOР, подаваемое на выход усилителя А2. Программа корректора реализуется от механизма следящей системы при отработке двигателя M1.

Автоколебания в репитерной системе гасятся посредством введения сигнала ~ U0. c обратной связи. Этот сигнал создается генератором G1 только при вращении двигателя M1. Потенциометром R3 выполняется ре­гулировка сигнала обратной связи, уровень которого должен быть доста­точным для обеспечения нормальной колебательности шкалы репитера. Установку регулятора R3 выполняют в порту.

 

ВОПРОСЫ ДЛЯ САМОКОНТРОЛЯ:

  1. Что представляют собой сельсин и вращающийся трансформатор?

2. Каков принцип действия феррозонда?

3. Почему требуется как минимум два феррозонда?

4. Как работает следящая система?

5. Какую роль играет тахогенератор G1?

6. Что регулируется потенциометром R3?

 


ЛАБОРАТОРНАЯ РАБОТА № 2 ОПРЕДЕЛЕНИЕ ДЕВИАЦИИ МАГНИТНОГО КОМПАСА

Цель работы: Приобретение навыков по определению девиации маг­нитного компаса.

Содержание работы:

1. Подготовка компаса к измерениям.

2. Определение девиации магнитного компаса.

3. Составление таблицы и графика девиации компаса. Определение ее характера.

Необходимые приборы и инструменты:

1. Магнитный компас с установленным на нём пеленгатором.

Содержание самостоятельной работы:

1. Повторить теоретический материал, касающийся девиации маг­нитного компаса.

2. Познакомиться с содержанием работы, заготовить необходимые таблицы.


Поделиться с друзьями:

mylektsii.su - Мои Лекции - 2015-2026 год. (2.041 сек.)Все материалы представленные на сайте исключительно с целью ознакомления читателями и не преследуют коммерческих целей или нарушение авторских прав Пожаловаться на материал