Студопедия

Главная страница Случайная страница

КАТЕГОРИИ:

АвтомобилиАстрономияБиологияГеографияДом и садДругие языкиДругоеИнформатикаИсторияКультураЛитератураЛогикаМатематикаМедицинаМеталлургияМеханикаОбразованиеОхрана трудаПедагогикаПолитикаПравоПсихологияРелигияРиторикаСоциологияСпортСтроительствоТехнологияТуризмФизикаФилософияФинансыХимияЧерчениеЭкологияЭкономикаЭлектроника






Жөндеу түрлері. Жөндеудің жоспарлы-ескертпелі жүйелері






Жө ндеудің жоспарлы-ескертпелі жү йелері. Электр жабдық ты жө ндеужө ндеудің қ абылданғ ан жоспарлы-ескертпелі жү йелеріне сә йкес жү ргізіледі(ЖЕЖ). Жө ндеудің мерзімділігі жә не кө лемі жұ мыс режиміне тә уелділікте, электр жабдық ты пайдалану шартында жә не техникалық кү йінде ЖЕЖ жү йесімен қ ойылады. Сондық тан, ЖЕЖ жү йесі – бұ л орындалуы электр жабдық тың ұ зақ жә не апатсыз жұ мысын қ амтамасыз ететін ұ йымдастырылатын жә не техникалық шаралардың жү йесі.

Ө неркә сіп кә сіпорнының электр жабдығ ының ЖЕЖ ұ йымдастыруда ү ш негізгі жү йе бар: орталық тандырылғ ан, децентрализацияланғ ан жә не аралас.

Орталық тандырылғ ан жү йе кезінде жө ндеуді электр жабдық тың немесе жұ мыстың тү рі бойынша арнайыланғ ан бірнеше жө ндеу қ ызметтері орындайды.

Бұ л қ ызметтер кә сіпорынның бас энергетигіне бағ ынады. Цехтың немесе қ осалқ ы станцияның қ ызмет кө рсететін электр жабдық тары, жұ мысшысы қ адағ алау жә не кіші ағ ымдағ ы жө ндеу бойынша жұ мыстарды ғ ана орындайды.

Децентрализацияланғ ан жү йе арнайыланғ ан жө ндеу қ ызметтерінің болмауымен сипатталады. Барлық электр жө ндеу жұ мыстарын жауапты басшығ а административті бағ ынатын, мысалы, цех басшысы электр жө ндеу шеберханасының немесе бригаданың жұ мысшысы орындайды.

Аралас жү йе кә сіпорын қ ұ рылымында электр жө ндеу шеберханасы жә не бригадасы бар, кө лемі жә не кү рделілігі бойынша кішігірім жө ндеу жұ мыстарын, сол сияқ ты, кү рделі жә не кө лемі бойынша ү лкен жұ мыс болып табылатын арнайыланғ ан жө ндеу қ ызметтерін де орындайтындығ ымен сипатталады.

Қ азіргі кезде техникалық диагностика жә не жө ндеу жү ргізу ү шін жө ндеу мерзімін қ ысқ артуғ а болатын (жабдық тың кү йін анық тау жә не қ ателіктерді табу), жө ндеуде шығ ындарды азайтуғ а жә не электр жабдық ты пайдалану эффектілігін жоғ арылататын есептегіш жә не микропроцессорлы техника қ ұ ралдары (қ ондырғ ылар, стендтер, диагностикалауғ а жә не электр жабдық ты тексеруге арналғ ан қ ондырғ ылар) кең кө лемде қ олданылады.

Жө ндеу тү рлері. Кә сіпорын электр жабдық тарының ЖЕЖ туралы жағ дайымен орындалатын жө ндеудің бірнеше тү рлері (ағ ымдағ ы жә не кү рделі, орташа жә не кү рделі немесе ағ ымдағ ы, орташа жә не кү рделі) қ арастырылғ ан.Тә жірибеде кең інен электр жабдық тың кө п бө лігі ү шін қ арастырылғ ан жө ндеудің екі тү рі: ағ ымдағ ы жә не кү рделі қ олданылады.

Ағ ымдағ ы жө ндеу кезінде барлық электр жабдық тарын тексергеннен кейін ұ сақ ақ ауларды жояды, электр жабдық тың қ алыпты жұ мысын келесі жоспарлы жө ндеуге дейін қ амтамасыз етуге мү мкіндік беретін механизмдерді реттейді жә не кө лемі бойынша кіші жұ мыстың басқ а қ атарын орындайды (мысалы, сақ тандырғ ыштың зарядкасын балқ ығ ан қ оспамен ауыстырады, аппараттың тү йіспелерінің кү йіп кеткен тазалағ ышын тозғ ан щеткағ а ауыстырады). Ағ ымдағ ы жө ндеулер ә детте электр жабдық тар ө ндірістік жабдық тың қ ысқ а мерзімді кідірісінде ө ң деусіз жү ргізіледі.

Трансформаторлардың ағ ымдағ ы жө ндеуі кезінде трансформаторды жә не барлық арматураларды: кең ейткіштерді қ оқ ыстардан тазалау; май қ ұ ю (қ ажет кезінде); май кө рсеткіш қ ондырғ ыларды тексеру, тү сіргіш кранды толтыру, трансформаторлардың тө менгі жақ тағ ы сынауыш сақ тандырғ ыштар нө лмен жерлендірілген, жұ мыс жә не қ орғ аушы жерлендірудің, орама оқ шауламасының кедергісі, трансформатор майын тексеру, газдық қ орғ анысты тексеру сыртқ ы тексерулері жү ргізіледі.

Орташа жө ндеу ең жауапты бө лшектердің жә не электр жабдық тардың тү йіндерінің артық тозуын ескертеді. Мұ ндай жағ дайда, бө лек бө лшектерді ауыстырады, электр қ озғ алтқ ыш орамасының тура бө лшектерін ақ аулардан шеттетеді, щетка ұ стағ ыштарды жө ндейді (серіппені жә не иілгіш байланыстарды ауыстырады), фазалы роторлы электр қ озғ алтқ ыштардың тү йіспелі сақ иналарын тегістейді жә не т.с.с.

Кү рделі жө ндеу кезінде бө лек негізгі бө лшектерді жә не электр жабдық тарының тү йіндерін ауыстырады жә не қ айта орналастырады. Мысалы, жө ндеудің бұ л тү ріне электрлік машиналардың статорлық немесе роторлық орамаларына жіп орау, электр қ озғ алтқ ыштардың сырғ анау подшипниктерін қ айта тө гу, кү штік трансформаторларғ а жаң а орама орналастыру жә не дайындау жатады.

Кеү рделі жө ндеу ә детте, электр жабдық ты жекелей немесе толық ө ң деу кезінде жү ргізіледі. Кейде кү рделі жө ндеу кезінде электр машиналары, трансформаторларды жә не коммутациялық аппараттарды модернизацияда жү зеге асырады, яғ ни, қ ұ рылымын жетілдіреді, пайдалану кө рсеткіштерін жақ сартады, сенімділігі жә не басқ а да сипаттамалары жоғ арылайды. Модернизацияның басты мақ саты жө нделетін электр жабдық тың техникалық кө рсеткіштерінің жабдық тың жаң а техникалық кө рсеткіштерге ең жақ ын жуық тауы. Осы уақ ыт жоғ алтуы кезінде электр жабдық ты модернизациялауда қ ұ ралдар жә не материалдар оның модернизациясынан кейін мақ сатқ а жететін техникалық немесе экономикалық нә тижелерімен дә лелденген болуы керек.

Егер кү рделі жө ндеу кезінде модернизация қ ұ рылымның жә не жабдық тың негізгі техникалық параметрлерінің ө згеруімен жү зеге асатын болса, онда ол кү рделі-қ айта қ ұ растыру жө ндеуі деп аталады.

Трансформаторлардың кү рделі жө ндеуі кезінде трансформаторды жару ө ң деледі; ө зекшені кө теру жә не оны тексеру; суырмалы бө лшекті жө ндеу (болаттар, орамалар, ауыстырып қ осқ ыштар, бұ рғ ыштар); тазалағ ыш қ ондырғ ыларды жө ндеу; былғ арыны сырлау жә не тазалау; бақ ылаушы-ө лшегіш қ ұ ралдарды тексеру; сигналды жә не қ орғ аушы қ ондырғ ылар; майды тазалау жә не ауыстыру; оқ шауламаны кептіру; трансформаторды жинау, қ ойылғ ан ө лшеулержә не тексерулер жү ргізіледі.

Жө ндеу жұ мыстарын жоспарлау. Электр жабдық ты жө ндеу жө ндеу аралық периодтан, жө ндеу циклдарынан жә не олардың қ ұ рылымдарынан шығ арылып жоспарланады (2.1-сурет).

Жө ндеу аралық период – электр жабдық тың екі кезекті жоспарлы жө ндеулерінің периоды, мысалы, кө ршілес ағ ымдық, ағ ымдық жә не кү рделі немесе ағ ымдық жә не орташа жө ндеулер.

Жө ндеу циклі – электр жабдық тың жұ мысының екі кезекті кү рделі жө ндеу мен пайдаланудағ ы бірінші кү рделі жө ндеуге дейінгі уақ ыт аралығ ы.

 

2.1-сурет Жө ндеу циклінің қ ұ рылымы Ц:

К – кү рделі жө ндеу; Т –ағ ымдағ ы жө ндеу;

С – орташа жө ндеу; п – жө ндеу аралық период

 

Жө ндеу циклінің қ ұ рылымы бір жө ндеу циклінің ұ зақ тығ ындағ ы ағ ымдағ ы жә не орташа жө ндеулердің жинағ ын кө рсетеді.

Жө ндеу аралық периодтың жә не жө ндеу циклінің ұ зақ тығ ын анық тау ү шін негізгі электр жабдығ ы берілген режимде қ алыпты жұ мыс істей алатын есептік (немесе нақ ты) уақ ыт қ ызмет етеді. Мұ ндайда ө те жылдам тозатын электр жабдық тың тү йіндері мен бө лшектерінің қ алыпты жұ мыс ұ зақ тығ ына бағ ытталады.

Кә сіпорын электр жабдық тарын жө ндеу бір жылда квартал жә не ай бойынша бө ліп, жоспарланады. Жө ндеуді бұ лай жоспарлау ағ ымдық (электр жабдық ты ең ұ зақ периодқ а жоспарлау перспективті деп) деп аталады.

Электр жабдық ты жө ндеудің жалпы немсе жергілікті тораптық графиктер кө мегімен жө ндейтін оперативті тү рі де бар (2.2-сурет). Жалпы тораптық график нақ ты кешеннің электр қ ондырғ ысын(бө лек электр қ ондырғ ыны, қ осалқ ы станцияны, цехты) жө ндеуді, ал жергілікті график – электр жабдық тың жө ндеудің бө лек ү лкен бө лігін (қ уатты электр қ озғ алтқ ышты, кү штік трансформаторды) қ арастырады.

Жө ндеу жұ мыстарының ең жақ сы ұ йымдастырылуының орталық тандырылғ ан материалмен, бейімделуімен жә не механизммен қ амтылуы кезінде алдын ала қ ұ растырылғ ан тораптық графикті қ олдануында мақ сатқ а жетуі мү мкін.

Электр жабдық ты жө ндеудің тораптық графигі жалпы жә не жергілікті болуы мү мкін. Жалпы тораптық график белгілі кешеннің электр жабдық тарын жө ндеуді, мысалы, барлық қ осалқ ы станцияның электр жабдық тарын жө ндеу жұ мыстары бойынша, ал жергілікті график қ осалқ ы станция бө лшектерін жө ндеуді, мысалы, қ ұ рылыс бө лшектерін, шатырды, вентильдерді жә не т.б. жө ндеу бойынша жұ мысқ а қ осылғ ан таратушы қ ұ рылғ ыны жө ндеуді қ арастырады.

Тораптық график жоспарланғ ан жұ мыстың жә не алынғ ан нә тижелердің ө зара байланыстарын орнатуғ а, жоспарды ө те дә л есептеуге, ө з уақ ытында оны қ ысқ ыртуғ а мү мкіндік береді.

Тораптық жоспарлау кө птеген факторлардың талдауының нә тижесінде жә не ө ндірістің жө ндеу жұ мысының анық талғ ан кезектілігін қ арастырады:

 

2.2-сурет Электр жабдық ты жө ндеудің тораптық графигі

 

- барлық кешен жұ мысын бө лек кезекті кезең дерге бө лшектеу, олардың ә р қ айсысы ең бек шығ ындарын ведомсты нормасымен сә йкес бригада орындайды;

- барлық оқ иғ аларды суреттеу жә не анық тау (басқ а жұ мысты бастау ү шін қ ажетті жұ мыс нә тижесі);

- жө ндеудің қ ажетті соң ғ ы нә тижесіне жету ү шін фактіге негізделген уақ ыт шығ ынының жә не уақ ыт нормативінің есебімен барлық жұ мысты анық тау;

- тораптық графикті қ ұ растыру;

- бағ а жү йесі негізінде график бойынша ә р жұ мыстың орындалу уақ ытын анық тау;

- кү рделі жолдардың есебі, яғ ни, барлық жұ мыстың орындалуының ең ұ зақ уақ ыттағ ы жолы;

- резервті уақ ытты анық тау;

- графиктің талдауы жә не оптимизациясы жә не кү рделі жол уақ ытын қ ысқ арту бойынша шараларды ө ң деу;

- тораптық график кө мегімен жұ мыс жү рісін басқ ару.

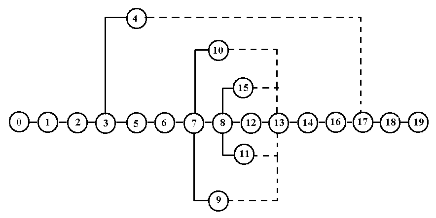
Тү йіспелі торап (2.2 сурет) бө лек операциялардың жә не жұ мыс элементтерінің орындалу схемасын жабдық ты жө ндеу бойынша, сондай-ақ, олардың ө зара байланысын, ретін, жұ мысты орындауын бақ ылау жә не технологиялық кезекпен орындалуын ұ сынады. Оғ ан жұ мыстарды жә не оқ иғ аларды тү сіреді. Ә р оқ иғ а жқ мыстың басталуымен жә не аяқ талуымен сипатталады, ал жұ мыс келесіге алдың ғ ысынан ө тетін жетілдірілуі қ ажет ә рекетті білдіреді. Жұ мыс графикте шең бермен белгіленіп, оқ иғ алар арасындағ ы байланысты кө рсететін нұ сқ ағ ышпен белгіленеді.

Жұ мыс нақ ты, анық бейнеленген жә не жауапты орындаушысы болуы керек; оның ұ зақ тығ ы сағ атпен немесе кү нмен анық талады.

Тораптық графикті ө ң деудегң маң ызды элемент – кү рделі жол ұ зақ тығ ын анық тау. Графикте жолдар басындағ ы жә не соң ындағ ы оқ иғ аларды кө рсететін жұ мыстардың ө зара байланысын білдіретін сызық тармен келтірілген.

Сонымен, 2.2-суретте 1-оқ иғ а А-10 и Б-8 жұ мыс басы болып, ал 2 жә не 7-оқ иғ а осы жұ мыстардың нә тижелері болып табылады. Ө з кезегінде, 2 жә не 7-оқ иғ алар, алдың ғ ы А-10 жә не Б-8 жұ мысының келешек нә тижесі, К-17, С-20 жә не Д-16, т.б. жұ мыс басы болып табылады. Нұ сқ ағ ыш графигін қ ұ растыру кезінде шығ атын жұ мыс оқ иғ асының нө мірі ол кіретін жердің оқ иғ а нө мірінен аз боп, солдан оң ғ а қ арай жү ру керек. Тораптық графикте кіретін жә не шығ атын жұ мыстар ерекшеленеді. Графикте 2-оқ иғ а жұ мысы ү шін Б-8 кіретін, ал Д-16 мен С-20 –шығ атын жұ мыстар. Нұ сқ ағ ыш ү стіндегі ә ріп жұ мыс индексін, ал сан – жұ мыс ұ зақ тылығ ын кө рсетеді.

Жө ндеудің тораптық графигінде барлық кешен жұ мысының жалпы аяқ талу уақ ытына тә уелді таратушы қ ондырғ ылардың (майлы ажыратқ ышты, трансформаторларды, вентиляцияны жә не т.б. жө ндеу) жө ндеуі бойынша бө лек жұ мыстар анық кө рсетілген. Бұ л мерзім шығ атын оқ иғ адан аяқ таушы оқ иғ ағ а дейінгі кішігірім ұ зақ тылық жө ндеу жұ мысын орындау жү йелілігімен анық талады. Бұ л жү йелілік тораптық графиктегі кү рделі жолды (қ алың сызық пен белгіленген) анық тайды.

Трансформатордың кү рделі жө ндеуі кезінде жұ мыс жү ргізу жү йелілігі типтік технологиялық ү рдістің тораптық моделімен анық талады (2.3-сурет).

Жө ндеудің тораптық графигі жү йеліліктің, жұ мыс ө ндірісінің мерзімі мен ұ зақ тылығ ының, жұ мыс ауысымының, жө ндеуші жұ мысшылардың кә сіби жә не сандық қ ұ рамының кө рсеткішімен қ ондырғ ыны жө ндеу ү рдісінің (қ ұ рамдық бө лігі немесе жү йесі) қ ұ рамдық графикалық бейнелеу, ұ йымдастыру-басқ ару қ ұ жаты болып табылады.

Сетевой график ремонта разрабатывается в соответствии с «Методическими указаниями по разработке и применению системы сетевого планирования и управления при ремонте оборудования подстанций».

 

 

2.3-сурет Трансформатордың кү рделі жө ндеуінің типтік технологиялық ү рдісінің тораптық моделі:

1 – жө ндеуге дайындық; 2 – сө ндіру (шинадан ажырату); 3 – салқ ындату жү йесін демонтаждау; 4 – салқ ындату жү йесін жө ндеу; 5 – трансформаторды жө ндеу алаң ына жеткізу; 6 – трансформатордың кү юі; 7 – енгізулерді жә не арматураларды демонтаждау; 8 – трансформаторды жару; 9 – енгізулерді тексеру жә не жө ндеу; 10 – арматураларды жө ндеу; 11 - бакты жө ндеу; 12 – белсенді бө лікті тексеру жә не жө ндеу; 13 - трансформатор жинағ ы; 14 - трансформатор майын қ ұ ю; 15 – ауыстырып қ осқ ыш қ ондырғ ыны жө ндеу; 16 – трансформаторды тексеру жә не кү юі; 17 - трансформаторды қ ондырғ ы орнына ауыстыру; 18 - трансформаторды іргетаста монтаждау; 19 – қ орытындылаушы жұ мыстар

 

Трансформаторды жө ндеуге дайындық техникалық қ ұ жаттаманың жинақ тылық тексерісіне қ осу, жө ндеу алаң ына дайындау, технологиялық жабдық тың, жабдық таудың жә не қ ұ ралдың жұ мысқ а қ абілеттілігін тексеру, керек, сондай-ақ, қ ажетті материалдардың бар екенін анық тау қ ажет.

Трансформаторды кү рделі жө ндеуде техникалық қ ұ жаттама жинағ ына мыналар кіруі міндетті:

- зауыт-ө ндірушінің техникалық қ ұ жаттамасы;

- тораптық график;

- темір жолғ а дайындық туралы акт;

- бағ ыттық технолргиялық ү рдіс;

- технологиялық жабдық тың, жабдық таудың жә не қ ұ ралдың тізімі;

- жө ндеуге қ ажетті материалдар тізімі.

Жө ндеу алаң ы белсенді бө лікті жә не енгізулерді шаң нан жә не ылғ алдан, сонымен қ атар, 2.4-суретте келтірілген сұ лбағ а сә йкес технологиялық телімдер аралық байланысты жә не орналастыруды қ орғ ауды қ амтамасыз ету керек.

 

 

 

2.4-сурет Кү рделі жө ндеуде технологиялық телімдер аралық байланыс сұ лбасы:

1 – трансформаторды орнату орны (демонтаждау жә не монтаждау); 2 – белсенді бө лікті жө ндеу телімі; 3 – майда бө лшектерді жә не тү йіндерді дайындау телімі; 4 – салқ ындату жү йесін жө ндеу телімі; 5 – арматураны жә не майда тү йіндерді жө ндеу телімі; 6 – енгізулерді тексеру жә не жө ндеу телімі; 7 – бакты жә не қ ақ пақ ты жө ндеу телімі; 8 – кең ейткішті жә не пайдаланылғ ан қ ұ бырды жө ндеу телімі; 9 – бақ ылау жә не қ орғ ау қ ұ ралдарын тексеру жә не жө ндеу телімі

 

Кү рделі жол жоспардың жә не жұ мыс жү рісі ү шін бақ ылауды ұ йымдастырудың пайдалы таң дауы ү шін негізін ұ сынады. Кез келген жолдың ұ зақ тылығ ының кү рделі жолғ а қ атынасы жоспардың кернеулік дә режесін сипаттайды.

Егер кү рделі жол уақ ыт бойынша оқ иғ аның басынан аяғ ына дейін ең ұ зақ болып табылса, барлық басқ а оқ иғ алар жә не жұ мыстар ең қ ысқ а жолда жатуы керек.

Жабдық ты жө ндеу жү рісінде уақ ыт бойынша тораптық графиктің солай аталатын оптимизациясы ө ндірілуі мү мкін. Оны жұ мыс мерзімін қ ысқ арту мақ сатында бірінші кезекте кү рделі жол бойынша ө ндіреді. Бұ ғ ан тө мендегілерді қ арастыратын шаралар қ ұ растырылады:

- алдың ғ ысының толық аяқ талуынан ерте ө ндірістің бө лек жұ мыс тү рлерінің басы (мысалы, майлы ажыратқ ышты жө ндеу аяқ талмады, бірақ, жө ндеуді бастауғ а немесе оның айырғ ыштарын ревизиялауғ а болады) ертерек толық аяқ талғ ан алдың ғ ысынан бө лек жұ мыстар бө лек жұ мыс тү рлерін ө ндірудің басы;

- бригада санының жоғ арылауы;

- кү рделі жолда жатпайтын жұ мысты уақ ытша тоқ тату, кү рделі жолда жататын адамдарды жұ мысқ а жіберу (мысалы, адамдарды қ ұ рылыс жұ мыстарынан алу жә не жабдық тың жө ндеуі аяқ талғ ан ұ яшық шинасын сырлауғ а жіберу).

Аналитикалық шаралар қ андай да бір себеппен бө лек жұ мыстарды орындау бұ зылғ анда жү ргізіледі. Тораптық жоспарлауда ү лкен ұ йымдастырушы жә не тә ртіпке салынатын мә ндер, жұ мыстың анық орындалуына бағ ытталғ ан жә не жұ мысшылар ең бегінің ө ндірісінің жоғ арылауы болады.

Бақ ылау сұ рақ тары:

1. Қ андай негізгі себептер электр жабдық тың механикалық, электрлік жә не моральді тозуын болдырады?

2. ЖЕЖ жү йесі ө зімен бірге нені ұ сынады?

3. ЖЕЖ жү йесі қ алай орталық тандырылғ ан, децентрализделген жә не аралас болып ұ йымдастырылады?

4. Жө ндеу тү рлерін атаң дар.

5. Жө ндеу циклінің қ ұ рылымын тү сіндірің дер.

6. Электр жабдық тың ағ ымдағ ы жә не кү рделі жө ндеулері несімен ерекшеленеді?

7. Жө ндеу аралық период жә не жө ндеу циклі дегеніміз не?

8. Электр жабдық ты жө ндеудің тораптық графигі ө зімен бірге нені ұ сынады?

 

 

2.2 Қ осалқ ы станция электр жабдық тары –


Поделиться с друзьями:

mylektsii.su - Мои Лекции - 2015-2026 год. (0.755 сек.)Все материалы представленные на сайте исключительно с целью ознакомления читателями и не преследуют коммерческих целей или нарушение авторских прав Пожаловаться на материал