Главная страница
Случайная страница
КАТЕГОРИИ:
АвтомобилиАстрономияБиологияГеографияДом и садДругие языкиДругоеИнформатикаИсторияКультураЛитератураЛогикаМатематикаМедицинаМеталлургияМеханикаОбразованиеОхрана трудаПедагогикаПолитикаПравоПсихологияРелигияРиторикаСоциологияСпортСтроительствоТехнологияТуризмФизикаФилософияФинансыХимияЧерчениеЭкологияЭкономикаЭлектроника
|
Проектирование устройства по механизации и автоматизации производства
В целях автоматизации транспортировки деталей на термообработку и последующего возвращения на участок на проектируемом участке применяем транспортировочный конвейер.
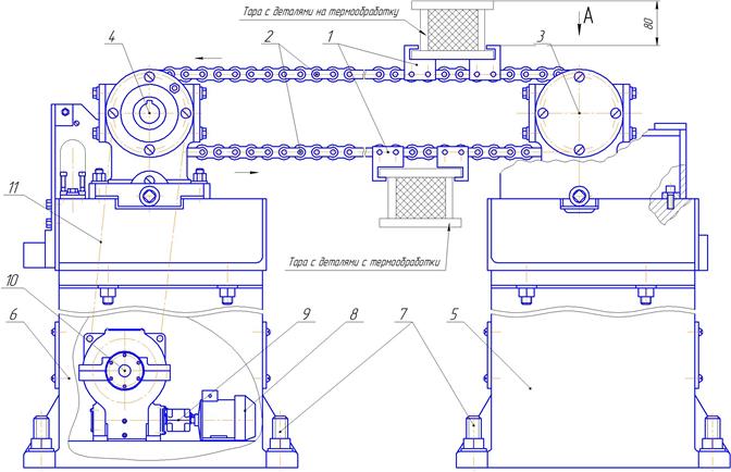
Общий вид конвейера показан на рисунок 4.7.

Рисунок 4.7 - Конвейер транспортировочный
Приспособления 1 с установленными на них тарами под детали перемещаются по верхним ветвям многорядных втулочно-роликовых цепей 2 на участок термообработки, а по нижним ветвям перемещаются те же тары но с деталями прошедшими термообработку и поступающими на участок. Цепи 2 натянуты на звездочки натяжной 3 и приводной 4 станций. Приводные звездочки вращаются от электродвигателя 8, соединенным с червячным редуктором 10 посредством упругой муфты 9. Передача крутящего момента от редуктора к приводной звездочке происходит через цепную передачу 11. Приспособления закреплены на элементах цепей, что препятствует их выпадению и надежно фиксирует их на цепях. Каждое приспособление соединяет собой обе цепи. Приводная и натяжная станции установлены на стойках-рамах 5 и 6, которые стоят на фундаменте и закреплены к нему при помощи анкерной арматуры 7.
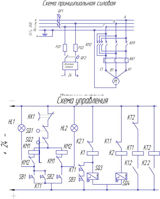
Так же графической части данного раздела приведена принципиальная электрическая схема управления работой данного конвейера.
Принцип работы электрической схемы (рисунок 4.8): Управление включения и выключения двигателя происходит с помощью реле КМ1 и КМ2. Нажимаем кнопку SВ3 питание подается на реле К1, которое замыкает контактор К1.2 и питание подается на реле времени КТ1, пошел отсчет времени, реле КТ1 замыкает кнопку К1 и конвейер начинает двигаться в одну сторону. При срабатывании датчика SQ4 питание подается на реле К2, при этом отключается питание от реле К1, происходит замыкание контактора К2.2, питание подается на реле времени КТ2 и контактор КТ2 размыкается, работает реле КТ2, конвейер останавливается и находиться в этом положении определенной время, необходимое для загрузки-разгрузки тары с деталями. По истечении времени питание автоматически пропадает и контактор КТ2 замыкается, подается питание на КТ1 и замыкается кнопка КТ1, конвейер снова начинает двигаться. Питание подается на промежуточное реле КМ1, загорается лампочка HL1 (при замыкании кнопки SВ1 или КТ1), HL2 загорается при замыкании кнопки SВ2. SQ1 и SQ2 - конечные выключатели. При перегреве двигателя тепловое реле КК1 размыкается и ток перестает поступать, происходит остановка конвейера.
| | | |  |
Рисунок 4.8 – Электрическая схема
|