Студопедия

Главная страница Случайная страница

КАТЕГОРИИ:

АвтомобилиАстрономияБиологияГеографияДом и садДругие языкиДругоеИнформатикаИсторияКультураЛитератураЛогикаМатематикаМедицинаМеталлургияМеханикаОбразованиеОхрана трудаПедагогикаПолитикаПравоПсихологияРелигияРиторикаСоциологияСпортСтроительствоТехнологияТуризмФизикаФилософияФинансыХимияЧерчениеЭкологияЭкономикаЭлектроника






Определение допусков и отклонений






 

По номинальному размеру вала и по квалитету точности выбранной определяем отклонения и допуски для калибра – скобы, а также на контркалибры К-И, К-ПР, К-НЕ. Допуски и отклонения гладких калибров определены по ГОСТ 24853-81. Найденные значения сводим в таблицу 6.1.

 

Таблица 4.1 - Допуски и отклонения гладких калибров

 

Наименование параметров Скоба
Обозначение Величина, мкм
Размер сдвига поля допуска проходных калибров внутрь поля допуска детали Z1 3, 5
Размер выхода допуска на износ за границу поля допуска детали Y1  
Допуск на изготовление калибра H1  
Допуск на изготовление контркалибра Hp 1, 5

4.5.2 Расчет исполнительных размеров калибра – скобы

Исполнительные и действительные размеры скобы, согласно схеме расположения полей допусков, подсчитываем по следующим формулам:

ПРmax = dmax – Z1 + H1/2 = 11, 184 – 0, 0035 + 0, 004/2 = 11, 1825 мм,

ПРmin = dmax – Z1 – H1/2 = 11, 184 – 0, 0035 – 0, 004/2 = 11, 1785 мм,

ПРисп = (ПРmin)+Н1 = 11, 1785+0, 004 мм,

НЕmax = dmin + H1/2 = 11, 141 + 0, 004/2 = 11, 143 мм,

НЕmin = dmin – H1/2 = 11, 141 – 0, 004/2 = 11, 139 мм,

НЕисп = (НЕmin)+Н1 = 11, 139+0, 004 мм.

Размер предельного износа скобы определяем по следующей формуле:

ПРизн = dmax + Y1 = 11, 184 + 0 = 11, 184 мм.

Размер контролируемого вала до 100 мм, поэтому в качестве прототипа для разработки регулируемой скобы выбираем гладкую калибр – скобу одностороннюю, двухпредельную по ГОСТ 18360-93.

Для калибра – скобы выбираем схему расположения полей допусков для размеров до 100 мм, квалитетов с 9-го по 17-й. Схема представлена на рисунке 4.9.

 


Рисунок 4.9 - Схема расположения полей допусков вала, калибра – скобы и контркалибров

 

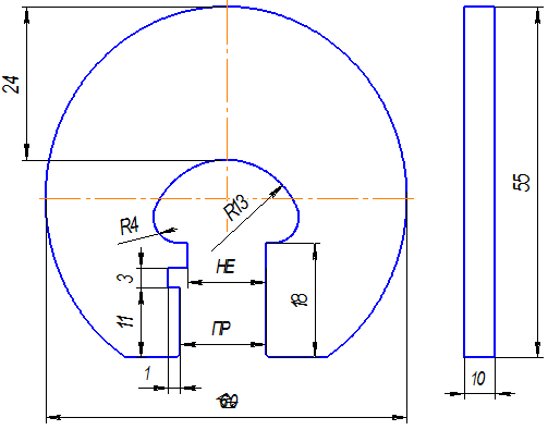
Конструктивные размеры калибра – скобы определяем по справочнику и сводим в таблицу 4.2. Эскиз калибра – скобы дан на рис. 4.10.

 

Таблица 4.2 - Конструктивные размеры скобы

 

dном вала D1 H h B S l l1 l2 r r1
11-20       -            

 

 
 

 


Рисунок 4.10 - Эскиз скобы по ГОСТ 18360-93

4.5.3 Разработка технических требований к калибру

 

На калибре должна быть маркировка, включающая следующие требования:

- номинальный размер контролируемого отверстия (вала),

- условное обозначение поля допуска заданного размера,

- числовые величины предельных отклонений контролируемого отверстия (вала) в мм,

- обозначение типа калибра ПР или НЕ,

- товарный знак предприятия – изготовителя (на калибрах для собственных нужд не указывается).

Маркировка производится на лицевой стороне скобы.

 


Поделиться с друзьями:

mylektsii.su - Мои Лекции - 2015-2026 год. (1.224 сек.)Все материалы представленные на сайте исключительно с целью ознакомления читателями и не преследуют коммерческих целей или нарушение авторских прав Пожаловаться на материал