Студопедия

Главная страница Случайная страница

КАТЕГОРИИ:

АвтомобилиАстрономияБиологияГеографияДом и садДругие языкиДругоеИнформатикаИсторияКультураЛитератураЛогикаМатематикаМедицинаМеталлургияМеханикаОбразованиеОхрана трудаПедагогикаПолитикаПравоПсихологияРелигияРиторикаСоциологияСпортСтроительствоТехнологияТуризмФизикаФилософияФинансыХимияЧерчениеЭкологияЭкономикаЭлектроника






Назначение, область применения, устройство и принцип действия защитного автоматического отключения питания и защитного зануления






Защитное автоматическое отключение питания и защитное зануление применяются в электрических сетях до 1 кВ с системами заземления TN-C, TN-S или TN-C-S.

В таких сетях защитное заземление, применяемое в качестве единственной защитной меры, неэффективно [2]. Так как, при прикосновении к одной из фаз, человек попадает под фазное напряжение. При этом ток, протекающий через человека, не зависит ни от сопротивления изоляции, ни от емкости сети относительно земли, а в основном определяется величиной сопротивления человека

(1)

В этом случае существенно повышают безопасность сопротивления обуви, пола и другие сопротивления в цепи человека.

Поэтому, в таких сетях должны применяться защитное заземление совместно с защитным автоматическим отключением питания и занулением.

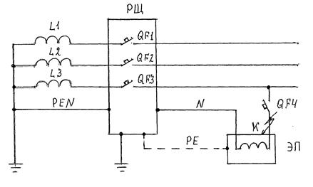
Рассмотрим действие защитного автоматического отключения питания и зануления на примере простейшей схемы электроснабжения (рисунок 1).

Нормальный режим – однофазный электроприемник (ЭП) подключен к электрической сети по схеме - вторичная обмотка силового трансформатора (фаза L3), распределительный щит (РЩ) (однофазный автоматический выключатель QF3), однофазный автоматический выключатель (АВ) QF4, нулевой рабочий проводник N, корпус РЩ, совмещенный нулевой рабочий и нулевой защитный проводники PEN, фаза L3.

Соединение корпуса ЭП с заземленным корпусом РЩ (пунктирная линия) отсутствует.

Рисунок 1 – Действие защитного автоматического отключения

питания и зануления

При отсутствии повреждений изоляции электрической сети и ЭП электроснабжение осуществляется в рабочем порядке по выше приведенной схеме.

Аварийный режим – пробой изоляции фазного провода на корпус ЭП (точка К). В этом случае на корпусе ЭП по отношению к земле появляется напряжение, равное замкнутой фазе L3. Для промышленных электрических сетей до 1 кВ с глухозаземленной нейтралью оно будет равно 220 В.

АВ QF4 не отключится, так как отсутствует путь для протекания тока короткого замыкания. ЭП будет работать в обычном режиме, но на корпусе по отношению к земле будет напряжение в 220 В.

При прикосновении человека к корпусу ЭП в этот момент через него на землю будет протекать ток величиной

.

При определении критериев электробезопасности принимаются следующие величины токов, которые могут протекать через человека при электропоражении:

1. Опасная величина тока (10 mA) (порог неотпускающего тока) - наименьшее значение тока, при котором человек уже не может самостоятельно освободиться от захваченных токоведущих частей действием тех мышц, через которые проходит ток.

2. Смертельный ток (100 mА и более).

Таким образом, ток через тело человека в данном случае будет превышать смертельную величину в 2, 2 раза.

Если будет выполнено присоединение корпуса ЭП к заземленному корпусу РЩ (пунктирная линия присутствует), то в этом случае появляется путь для протекания тока короткого замыкания – фаза L3, РЩ АВ QF3, АВ QF4, место замыкания К, корпус ЭП, нулевой защитный проводник РЕ, корпус РЩ, совмещенный нулевой рабочий и защитный проводники PEN, нейтраль, фаза L3.

По сути, это петля, которую принято называть петлей «фаза-нуль». В рабочей электрической сети полное сопротивление петли «фаза-нуль» ZП составляет 0, 2 Ом и меньше.

Тогда ток короткого замыкания, протекающий по петле «фаза-нуль» будет равен

На такой ток сработает АВ QF4 и отключит поврежденный ЭП.

Таким образом, з ащитное автоматическое отключение питания выполняет свою защитную функцию совместно с защитным занулением.

При этом з ащитное действие зануления заключается в создании петли «фаза-нуль» с как можно меньшим сопротивлением для получения большой величины тока короткого замыкания, а защитного автоматического отключения питания - в быстром срабатывании устройства защиты от сверхтока (автоматического выключателя или предохранителя) при протекании этого тока.

 


Поделиться с друзьями:

mylektsii.su - Мои Лекции - 2015-2026 год. (3.333 сек.)Все материалы представленные на сайте исключительно с целью ознакомления читателями и не преследуют коммерческих целей или нарушение авторских прав Пожаловаться на материал