Студопедия

Главная страница Случайная страница

КАТЕГОРИИ:

АвтомобилиАстрономияБиологияГеографияДом и садДругие языкиДругоеИнформатикаИсторияКультураЛитератураЛогикаМатематикаМедицинаМеталлургияМеханикаОбразованиеОхрана трудаПедагогикаПолитикаПравоПсихологияРелигияРиторикаСоциологияСпортСтроительствоТехнологияТуризмФизикаФилософияФинансыХимияЧерчениеЭкологияЭкономикаЭлектроника






Способы позиционирования пневмодвигателей.






Для выполнения цикла робота необходимо иметь фиксированные положения, т.е. точки позиционирования. Устройство позиционирования применяют в соответствии с типом управления. Пневмоприводы с цикловым типом управления обеспечивают позиционирование звена привода по 2-м крайним точкам. В промежуточных точках позиционирование достигается за счет доп. внешних упоров с демпфированием при подходе к каждому упору. Число таких упоров не превышает 6-9. Увеличение точек может быть получено с помощью специальных позиционеров. Рассмотрим типы позиционирования рабочего органа:

-цикловой пневмопривод без промежуточного позиционирования(фиксированные положения рабочего органа от демпфера до демпфера).

-интегральный пневмопривод с промежуточными точками позиционирования с помощью настраиваемого и выдвижного упоров.

1-цилиндр; 2-демпфер; 3-пневмодроссели и обратные клапаны; 4, 6-пневмораспределители; 5-выдвижной управляемый упор.

-цикловой с позиционированием в любой точке заданной программы:

где 1-пневмодвигатель; 2-перемещаемый механический упор; 3-дроссель; 4-пневмораспределитель; 5-миниэлектродвигатель.

-за счет перенастраиваемого и выдвижного упоров:

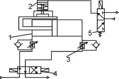
1-пневмодвигатель; 2-пневмотормоз; 3-дроссель; 4-пневмораспределитель; 5-пнвмораспределитель тормоза.

-за счет гидроцилиндра с гидродросселем - регулятором скорости(в нем регулировка скорости и положения происходит за счет присоединения к штоку пневмоцилиндра штока гидроцилиндра с дросселями и обратными клапанами. Регулировка осуществляется за счет изменения проходных сечений каналов гидроцилиндра(или их перекрытии)).

 


Поделиться с друзьями:

mylektsii.su - Мои Лекции - 2015-2026 год. (0.679 сек.)Все материалы представленные на сайте исключительно с целью ознакомления читателями и не преследуют коммерческих целей или нарушение авторских прав Пожаловаться на материал