Студопедия

Главная страница Случайная страница

КАТЕГОРИИ:

АвтомобилиАстрономияБиологияГеографияДом и садДругие языкиДругоеИнформатикаИсторияКультураЛитератураЛогикаМатематикаМедицинаМеталлургияМеханикаОбразованиеОхрана трудаПедагогикаПолитикаПравоПсихологияРелигияРиторикаСоциологияСпортСтроительствоТехнологияТуризмФизикаФилософияФинансыХимияЧерчениеЭкологияЭкономикаЭлектроника






При торможении тягача вспомогательной тормозной системой прицеп (полуприцеп) не подтормаживается






Замените датчик

Неисправен пневмоэлект-рический датчик включе­ния электромагнитного клапана тормозной систе­мы прицепа (полуприцепа)


 

Нарушение контакта в со­единениях электропрово­дов тягача и прицепа (полуприцепа) на участке от датчика до электромаг­нитного клапана Неисправность электромагнитного клапа­на прицепа(полуприцепа) Несоответствие давления воздуха, подаваемого элек­тромагнитным клапаном прицепа (полуприцепа) в тормозные камеры, нор­ме: т.е. давление менее 59 кПа (0, 6 ê ã ñ /ñ ì 2)

Найдите место ненадеж­ного контакта и устраните неисправность

Замените клапан

Не снимая электромаг­нитного клапана, отрегу­лируйте его винтом, ввер­нутым внизу в корпусе клапана. При вворачива­нии винта давление воз­духа, пропускаемого кла­паном, увеличивается, при вывертывании — уменьша­ется. Давление воздуха за­меряйте манометром, под­соединенным к клапану контрольного вывода мос­та прицепа или тележки полуприцепа

Примечание. В случае нерастормаживания автомобиля (автопоезда) при отпущенной тормозной педали и выключенных кране стояночной тормозной системы и кране включения вспомогательной тормозной системы причины нерастормаживания и способы их устранения аналогичны перечисленным в п. 8... 10.


Раздел V. Электрооборудование 213

ЭЛЕКТРООБОРУДОВАНИЕ


Электрооборудование автомобилей состоит из следующих систем: электроснабжения, световой сигнализации, наружного и внутреннего освещения, контрольно-измерительных приборов; системы ото­пления, стеклоочистки и звуковой сигнализации, пуска двигателя.

Ниже приведены электрические схемы этих систем и их описание. На схемах рядом с условным изображе­нием элементов электрооборудования приведены но­мера подсоединяемых проводов, буквами обозначен их цвет: Б — белый; Г — голубой; Ж — желтый; 3 — зеленый; К — красный; КЧ — коричневый; О — оранжевый; Р — розовый; С — серый; Ф — фиолето­вый; Ч — черный.

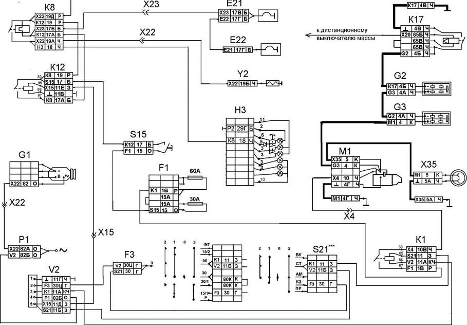
Система электроснабжения (рис. 323) служит для питания потребителей при работающем двигателе. Источниками электроэнергии являются две аккуму­ляторные батареи 6, соединенные последовательно, генераторная установка 2, подключенная параллель­но аккумуляторным батареям. Отрицательный вы­вод аккумуляторных батарей подсоединен к корпусу автомобиля через выключатель 7 массы с дистанци­онным управлением.

Схема оборудована реле 1, разрывающим цепь обмотки возбуждения генератора при работе ЭФУ. Кроме того, при рабочем положении ключа выклю­чателя 13 приборов и стартера ток не подается к кнопке 8 дистанционного выключателя массы, что предотвращает случайное выключение массы при работающем двигателе (выключение аккумулятор­ных батарей возможно только после отключения генератора от системы электрооборудования уста­новкой ключа выключателя приборов и стартера в нейтральное положение).

Система световой сигнализации (рис. 324) пред­назначена для оповещения водителей других тран­спортных средств о совершении поворота (разво­рота) или торможения, а также для сигнализации о состоянии сборочных единиц автомобиля, влияю­щих на безопасность движения.

К системе световой сигнализации относятся: ава­рийная световая сигнализация, сигнализация тор­можения, указатели поворота и контрольные лампы включения указателей поворота автомобиля и при­цепа, контрольные лампы блокировки межосевого дифференциала, стояночной тормозной системы, падения давления воздуха в контурах пневмоприво­да тормозных механизмов, объединенные в блоки контрольных ламп, а также соответствующие пере­ключатели, выключатели и реле.

Выключатель 8 аварийной световой сигнализации обеспечивает одновременное включение всех указа­телей поворота в прерывистом режиме. При этом загорается контрольная лампа, вмонтированная в ручку выключателя; контрольные лампы указателей поворота в блоке контрольных ламп могут не све­тить. Включение указателей поворота осуществляется комбинированным переключателем 5 при рабочем положении выключателя приборов и стартера. Кон­тактно-транзисторный реле-прерыватель 3 обеспе­чивает прерывистый режим работы указателей пово­рота автомобиля и прицепа; о работе указателей


сигнализируют лампы (отдельно для автомобиля и прицепа) в блоке 26 контрольных ламп.

Сигнал торможения в задних фонарях включается при срабатывании тормозных систем автомобиля. При этом замыкаются контакты пневмоэлектричес-кого датчика 13 включения сигнала торможения, срабатывает промежуточное реле 15 сигнала тормо­жения и светят лампы сигнала торможения задних фонарей. Цепи сигнала торможения включены в цепь источника питания через амперметр, минуя выключатель приборов и стартера.

Сигнал торможения включается также при вклю­чении стояночной тормозной системы. При этом замыкаются контакты датчика 20, установленного в контуре III пневмопривода тормозных механизмов, и загорается контрольная лампа. В цепи питания контрольной лампы включения стояночной тормоз­ной системы установлен реле-прерыватель 21, вслед­ствие чего лампа горит прерывистым светом. Одно­временно через промежуточное реле замыкаются цепи ламп сигналов торможения задних фонарей.

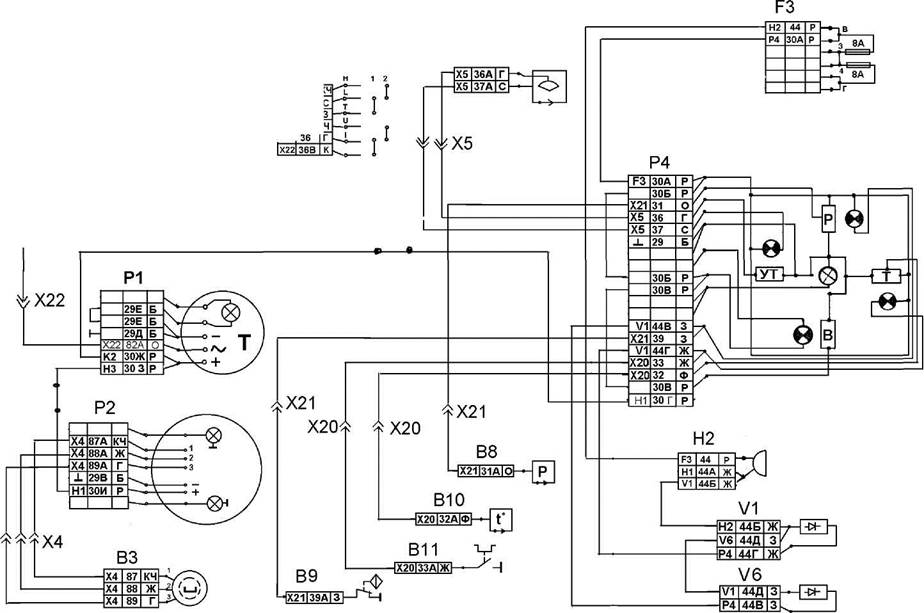
Система наружного и внутреннего освещения (рис.

325) предназначена для обеспечения безопасности
движения автомобиля, а также освещения рабочего
места водителя. К системе наружного и внутреннего
освещения автомобиля относятся фары головного
света, противотуманные фары, передние фонари,
задние фонари, подкапотная лампа, плафоны осве­
щения вещевого ящика и спального места, патроны
с лампами освещения приборов, плафоны кабины,
переносная лампа.

Соединение всех потребителей с источником пи­тания выполнено по однопроводной схеме за ис­ключением плафона 4 вещевого ящика, минусовый вывод которого выведен на панель предохранителей. Включение ближнего и дальнего света фар 3 и 11, противотуманных фар 1 и 2 и габаритных огней осуществляется комбинированным переключателем 19 непосредственно от источника питания через амперметр.

Цепи фар ближнего света и противотуманных фар защищены термобиметаллическими предохра­нителями ПР310, установленными на панели пре­дохранителей. Цепь фар дальнего света защищена отдельным предохранителем того же типа. Цепь габаритных огней и ламп освещения приборов за­щищена автоматическим термобиметаллическим предохранителем типа 13.3722.

Система контрольно-измерительных приборов (рис.

326) предназначена для контроля режима работы
агрегатов и отдельных сборочных единиц автомоби­
ля, а также определения скорости движения. Конт­
рольно-измерительные приборы состоят из указате­
лей и датчиков. Все указатели установлены на щитке
приборов в кабине водителя, датчики расположены
на агрегатах шасси и двигателя.

Электрическое соединение приборов выполнено по однопроводной схеме. Отрицательным выводом является щиток приборов, соединенный с общей массой автомобиля; приборы соединены между со­бой параллельно через выключатель приборов и стартера.



Автомобили КамАЗ


 



 


Рис. 323. Электрическая схема системы электроснабжения: 1 - реле отключения обмотки возбуждения генератора; 2 - генератор; 3 - блок предохранителей; 4 - реле стартера; 5 - стартер; 6 - батареи аккумуляторные; 7 - выключатель массы; 8 - кнопка дистанционного выключателя массы аккумуляторных батарей; 9 - реле электродвигателей отопителя; 10 - амперметр; 11 -предохранители 13.3722 (7.5 А); 12 - предохранитель ПРЗ10 (10 А); 13 - выключатель приборов и стартера; I - к термореле ЭФУ



28

 


Рис. 324. Электрическая схема системы световой сигнализации: 1, 2- фонари передние левый и правый; 3 - реле-прерыватель указателей поворота и аварийной сигнализации; 4 - предохранитель плавкий ПР 119 (6 А); 5 - переключатель света комбинированный; 6 - предохранитель 13.3722 (7, 5 А); 7 - предохранитель ПР 310 (10 А); 8 - выключатель аварийной световой сигнализации; 9, 10 - указатели поворота правый и левый; 11, 12 - фонари задние левый и правый; 13 -выключатель сигналов торможения; 14 - выключатель электромагнитного клапана прицепа; 15 - реле сигналов торможения; 16 - сигнал звуковой (зуммер); 17, 18, 19 - выключатели сигнализаторов падения давления в ресиверах пневмопривода тормозных механизмов; 20 - выключатель сигнализатора стояночной тормозной системы; 21 - реле-прерыватель сигнализатора включения стояночной тормозной системы; 22 - выключатель света заднего хода; 23 - фонарь заднего хода; 24 - розетка прицепа 24 В; 25 - выключатель сигнализатора блокировки межосевого дифференциала; 26, 28 -блоки сигнализаторов; 27 - выключатель сигнализатора засоренности масляного фильтра; I - к выключателю приборов и стартера; II - к указателю температуры охлаждающей жидкости; III - к указателю тахометра; IV - к указателю спидометра


Раздел V. Электрооборудование 215

Рис. 325. Электрическая схема системы наружного и внутреннего освещения: 1, 2- фары противотуманные правая и левая; 3, 11 - фары головного света правая и левая; 4 - плафон вещевого ящика; 5 - выключатель плафонов; 6 - фонари автопоезда; 7 - выключатель фонарей автопоезда; 8 - реле электродвигателей отопителя; 9, 10 - плафоны кабины левый и правый; 12 -выключатель противотуманных фар; 13 - реле сигналов торможения; 14 - выключатель электромагнитного клапана прицепа; 15, 16 - фонари задние правый и левый; 17, 18 - фонари передние правый и левый; 19 - переключатель света комбинированный; 20 - предохранитель 13.3722 (7, 5 А); 21 - предохранитель ПР 310 (10 А); 22 - выключатель освещения приборов; 23 - лампа подкапотная; 24 - выключатель аварийной световой сигнализации; 25 - розетка переносной лампы; 26 - розетка семиконтактная; 27 - указатель давления масла; 28 - указатель уровня топлива; 29 - спидометр; 30 - тахометр; 31 - указатель температуры охлаждающей жидкости; 32 - амперметр; 33 - манометр; I - к выключателю приборов и стартера

Рис. 326. Электрическая схема системы контрольно-измерительных приборов: 1 - указатель уровня топлива; 2 - датчик указателя уровня топлива; 3 - предохранитель 13.3722 (7, 5 А); 4 - датчик указателя температуры охлаждающей жидкости; 5 - датчик перегрева охлаждающей жидкости; 6 - датчик аварийного давления масла; 7 - датчик указателя давления масла; 8 - указатель давления масла; 9, 11 - блоки контрольных ламп; 10 - указатель температуры охлаждающей жидкости; 12 -генератор; 13 - тахометр; 14 - спидометр; 15 - датчик спидометра; I - к выключателю приборов и стартера



Автомобили КамАЗ


 


Система отопления предназначена для поддер­жания оптимального температурного режима в ка­бине при снижении температуры окружающего воз­духа. Электродвигатели 1 (рис. 327) нагнетают воз­дух, проходящий через радиатор отопителя кабины. При установке электродвигателей обращать внима­ние на направление вращения их валов.

В системе применяется реверсивный электро­двигатель МЭ 250. При подсоединении положитель­ного полюса источника напряжения к красному проводу электродвигателя включается правое вра­щение, а отрицательного полюса — левое вращение.

Электродвигатели соединены параллельно или последовательно и могут работать в двух режимах. Управление режима осуществляется с помощью кла­вишного переключателя, расположенного в кабине.

Система звуковой сигнализации включает пневмо-и электрозвуковые сигналы 12 (см. рис. 327), пред­назначенные для обеспечения безопасности движе­ния, и звуковой сигнал 11 (зуммер), указывающий на аварийное падение давления в контурах пневмо­привода тормозных механизмов автомобиля, для внутренней сигнализации в кабине.

Звуковой пневмосигнал включается нажатием кноп­ки справа на комбинированном переключателе света.

При давлении воздуха и в пневмосистеме 392, 3... 686, 5 кПа (4...7 кгс/см2) звук должен быть чистым.

Электрозвуковые сигналы 12 расположены под кабиной на передней поперечине рамы и включа­ются перемещением рукоятки комбинированного переключателя вверх; питание сигналов 12 осуще­ствляется через промежуточное реле 13, установ­ленное на нижней панели приборов.

Сигнал 11 установлен под панелью приборов и включен в цепь сигнализации падения давления в контурах пневмопривода тормозных механизмов. С массой автомобиля сигнал соединен через блок кон­трольных ламп и датчики падения давления воздуха;


звучит он одновременно с загоранием любой из четырех контрольных ламп, сигнализирующих о снижении давления воздуха в одном из контуров.

Схема системы пуска двигателя приведена на рис. 100.

Схемы электрооборудования автомобилей моделей 5320и55102 различаются наличием дополнительного электрооборудования механизма подъема платфор­мы на автомобиле мод. 55102:

—двух электромагнитных клапанов подъема и
опускания платформы;

—электромагнитного клапана распределителя
гидросистемы;

—электромагнитного клапана коробки отбора
мощности;

—выключателя коробки отбора мощности;

—переключателя распределителя гидросистемы;

— переключателя механизма подъема платформы.
В отличие от автомобиля мод. 55102 на авто­
мобиле мод. 55111 отсутствуют:

—опознавательные фонари автопоезда и их вы­
ключатель;

—розетка прицепа;

— электромагнитный клапан пневматического
звукового сигнала;

— электромагнитный клапан распределителя гид­
росистемы и его переключатель.

На автомобиле-тягаче мод. 53212 в отличие от автомобиля мод. 5320 устанавливаются:

— плафон освещения спального места (допол­
нительно);

— выключатель приборов и стартера с противо­
угонным устройством.

На седельном тягаче мод. 5410 по сравнению с автомобилем мод. 5320 установлены дополнительно плафон освещения спального места и фара осве­щения седельно-сцепного устройства.

Седельный тягач мод. 54112 в отличие от авто­мобиля мод. 5410 имеет выключатель приборов и стартера с противоугонным устройством.


Рис. 327. Электрическая схема систем отопления, звуковой сигнализации и стеклоочистки: 1 - электродвигатель отопителя; 2 - переключатель электродвигателей отопителя; 3 - стеклоочиститель; 4 - реле электродвигателей отопителя; 5 -предохранитель 13.3722 (7, 5 А); 6 - предохранитель ПР 310 (10 А); 7 - переключатель стеклоомывателя; 8 - стеклоомыватель, 9 - переключатель стеклоочистителя; 10 - переключатель света комбинированный; 11 - сигнал звуковой (зуммер); 12 -сигналы тональные; 13 - реле звуковых сигналов; I - к выводу AM выключателя приборов и стартера; II - к выводу КЗ выключателя приборов и стартера; III - к реле сигналов торможения; IV - к блоку сигнализаторов


Раздел V. Электрооборудование 111

СХЕМЫ ЭЛЕКТРИЧЕСКИЕ ФУНКЦИОНАЛЬНЫЕ

На всех схемах единый перечень элементов, зоны расположения элементов в полумонтажных схемах могут незначительно отличаться (рис. 328-337).

 

Зона Поз. обоз. Наименование Кол.
5A B1 Датчик вспомогательного тормоза ММ125Д-3810600 ТУ37.003.546-76  
5A B2 Датчик уровня топлива СЯМИ 407 611-114-01 (или СЯМИ 407 611-114-02)  
    Ò Ó 4573-002-12258598-93  
5A ВЗ Датчик ñ ï è ä î ì å ò ð à 2001.3843 Ò Ó 37.003.1270-75  
5A, 5B, 5B, 1A B4, B5, B6, B13 Датчик падения давления в 1, 2, 3, 4 тормозных контурах ММ124Д-3810600 ТУ37.003.546-76  
2A B7 Датчик контрольной лампы засоренности масляного фильтра  
1A B8 Датчик давления масла ММ370 ТУ37.003.387-78  
1A B9 Датчик аварийного давления масла ММ111Д-3810600 ТУ37.003.546-76  
1A B10 Датчик указателя температуры ТМ-100А ТУ37.003.568-77  
1A B11 Датчик сигнализатора температуры ТМ111 ТУ37.003.569-90  
1A B12 Датчик контрольной лампы стояночного тормоза ММ124Д-3810600 ТУ37.003.546-76  
5B, 2B E1, E25 Фара противотуманная ФГ152А ТУ37.003.751-80  
5B, 2B E2, E24 Указатель поворота передний 26.3726  
5ВДВ ЕЗ, ЕЗО Повторитель боковой указателя поворота УП101В  
5ВДВ E4, E23 Фара ä î ï î ë í è ò å ë ü í à ÿ 2012.3711 Ò Ó 37.458.043-80  
5ВДВ E5, E26 Фара 341.3711 Ò Ó 37.003.1000-80  
4A E7 Фонарь задний левый ФП130-В  
5A E8 Фара Ô Ã 318-Á Î Ò Ó 37.003.737-76  
4В, ЗВ E9, E16 Фонарь габаритный 26.3712.  
4A ЕЮ Фонарь заднего хода ФП135-Г  
4A Å 11 Фонарь задний противотуманный 2412.3716 ТУ37.003.1104-82  
ЗВ E13 Фонарь автопоезда УП101-В  
ЗВ E14, E15 Плафон кабины П1.3714010  
2B E18 Плафон вещевого ящика ПК142Б  
2B E19 Плафон спального места ПК142Б  
2A E20 Фонарь задний правый ФП130-Г  
2A E21, E22 Свеча факельная штифтовая 1102.3740  
2B E27 Лампа подкапотная ПД308-Б-О ТУ37.003.187-80  
2B F1 Блок предохранителей 111.3722 ТУ37.003.754-76  
2B F2, F3 Блок предохранителей ПР112 ТУ37.003.775-76  
ЗА F4 Предохранитель Ï Ð 119-01 Ò Ó 37.003.731-76  
1A G1 Генератор Ã 273Â (800 Â ò) Ò Ó 37.003.790-77  
1A G1 Генератор 6562.3701 (2 ê Â ò) Ò Ó 37.003.1412-91)  
1A G2, G3 Батарея 6Ñ Ò -190À Ò Ó 16-729.384-83  
4B H1 Блок контрольных ламп тормозной системы 2312.3803010-23 ТУ37.003.1109-92  
ЗВ H2 Реле - ñ è ã í à ë è ç à ò î ð 733.3747-10 Ò Ó 37.003.709-80  
ЗВ НЗ Блок контрольных ламп тормозной системы 2312.3803010-24 ТУ37.003.1109-92  
4A, 4A H7, H8 Лампа контрольная включения КОМ 2212.3803-15 ТУ37.003.1109-92  
1B H9 Сигнал ç â ó ê î â î é Ñ 313/Ñ 314 Ò Ó 37.003.688-75  
5B K1 Реле ñ ò à ð ò å ð à 738.3747-20 Ò Ó 37.469.023-97  
ЗВ K2 Прерыватель контрольной лампы ручного тормоза РС493 ТУ37.003.588-77 ТУ37.003.1010-80  
ЗА КЗ Реле электродвигателей отопителя 901.3747 ТУ37.003.1418-94  
ЗВ K4 Реле звуковых сигналов 901.3747 ТУ37.003.1418-94  
ЗВ K5 Реле сигналов торможения 901.3747 ТУ37.003.1418-94  
ЗВ Кб Реле дополнительных фар 901.3747 ТУ37.003.1418-94  
ЗА K7 Реле противотуманных фар 901.3747 ТУ37.003.1418-94  
2B K8 Термореле электрофакельного устройства 1202.3741 ТУ37.003.711-79  
2B K9 Реле á ë è æ í å ã î ñ â å ò à 901.3747 Ò Ó 37.003.1418-94  
2B K10 Реле ä à ë ü í å ã î ñ â å ò à 901.3747 Ò Ó 37.003.1418-94  
2A K12 Реле â ê ë þ ÷ å í è ÿ Ý Ô Ó 901.3747 Ò Ó 37.003.1418-94  
1A K16 Реле отключения обмотки возбуждения генератора 901.3747 ТУ37.003.1418-94  
1A K17 Выключатель аккумуляторной батареи 1400.3737 ТУ37.003.574-74  
ЗА K18 Реле стеклоочистителя 201.029.000 ТУ4573-014-12617929-95  
2A K19 Реле ï ð è ö å ï à 901.3747 Ò Ó 37.003.1418-94  
5A M1 Стартер Ñ Ò 142Á 1 Ò Ó 37.003.1375-88  
5B M2 Стеклоомыватель 1112.5208-01 Ò Ó 37.003.639-87  
ЗВ, 2А M3, M4 Электродвигатель отопителя МЭ250 ТУ37.003.789-76  
2B M5 Стеклоочиститель 271.5205  
4B P1 Тахометр 2511.3813 Ò Ó 37.003.1251-85  
4B P2 Показывающий ï ð è á î ð 1211.3802 Ò Ó 37.003.691-81  
ЗВ РЗ Указатель давления 1908.3830  
ЗВ P4 Комбинация ï ð è á î ð î â 28.3801 Ò Ó 37.003.670-75  


Автомобили КамАЗ



Зона Поз. обоз. Наименование Кол.
ЗВ R1 Выключатель света щитка приборов с реостатом ВК416-Б-01 ТУ37.003.1174-83  
5A S1 Выключатель света заднего хода ВК403Б ТУ37.003.188-76  
5A S2 Выключатель к.л. блокировки межколесного дифференциала ВК403Б ТУ37.003.188-76  
5A S3 Выключатель к.л. блокировки межколесного дифференциала ВК403Б ТУ37.003.188-76  
5A S4 Выключатель к.л. блокировки межосевого дифференциала ВК403Б ТУ37.003.188-76  
5B S5 Выключатель сигналов торможения 15.3720 ТУ37.003.1159-83  
5B S6 Кнопка дистанционного выключателя массы 11.3704-01 ТУ37.003.710-80  
5B S7 Центральный переключатель света 581.3710-01 ТУ37.003.1211-86  
5B S8 Выключатель дополнительных фар 3842.3710-02.06 ТУ37.003.1222-82  
5B S9 Выключатель противотуманных фар 3842.3710-02.03 ТУ37.003.1222-82  
4B S10, S31 Выключатель плафонов 3842.3710-02.09 ТУ37.003.1222-82  
5A S11 Выключатель заднего противотуманного фонаря 3842.3710-02.04 ТУ37.003.1222-82  
4A S12 Выключатель фонарей автопоезда 3812.3710-02.38 ТУ37.003.1222-82  
4B S14 Выключатель аварийной световой сигнализации 32.3710 ТУ37.003.1106-82  
4B S15 Кнопка включения свечей электрофакельного устройства 11.3704-01 ТУ37.003.710-80  
ЗА S17 Выключатель межколесного дифференциала ВК343-01.14 ТУ 37.003.701-75  
ЗА S18 Переключатель коробки отбора мощности П602 ТУ37.467.525-77  
4B S21 Выключатель приборов и стартера с противоугонным устройством 1902.3704 ТУ37.461.010-93  
4B S20, S22 Переключатель света комбинированный 89.3709 ТУ37.003.1336-87  
ЗА S23 Переключатель электродвигателей отопителя П147-04.11 ТУ37.003.701-75  
ЗА S24 Переключатель подъема и опускания платформы П147-06.15 ТУ37.003.701-75  
ЗА S30 Выключатель коробки отбора мощности ВК343-01.17 ТУ37.003.701-75  
4A, 4A S33, S34 Выключатель к.л. коробки отбора мощности ВК403Б ТУ37.003.188-76  
ЗВ, ЗА V1, V6 Диод с защитным корпусом 3403.3747 ТУ37.003.953-79  
ЗВ V2 Реле блокировки стартера 2612.3747 ТУ37.003.1316-86  
2B V3 Прерыватель указателей поворота РС951А ТУ37.453.056-82 ТУ37.003.990-80  
1A V4 Регулятор напряжения 2712.3702 ТУ37.463.120-91  
5B X1 Разъем одноконтактный  
5B X2 Разъем шестиконтактный  
5B ХЗ Разъем двухконтактный  
5B X4 Разъем шестиконтактный  
5B X5 Разъем шестиконтактный  
5B X6 Разъем одноконтактный  
5B X7 Разъем одноконтактный  
4B X9 Разъем одноконтактный  
4B X10 Разъем двухконтактный  
4B X11 Разъем двухконтактный  
4B X14 Разъем двухконтактный  
2A X15 Разъем одноконтактный  
2B X16 Разъем одноконтактный  
4B X18 Разъем одноконтактный  
1B X19 Разъем одноконтактный  
1B X20 Разъем шестиконтактный  
1B X21 Разъем шестиконтактный  
1B X22 Разъем шестиконтактный  
1B X23 Разъем одноконтактный  
2A X24 Разъем одноконтактный  
5B X25 Разъем четырехконтактный  
2B X29 Разъем одноконтактный  
ЗА ХЗО Разъем шестиконтактный  
5B X31 Розетка переносной лампы 47К ТУ16-526.359-74  
4A X32 Розетка ï ð è ö å ï à Ï Ñ 326-3723100 Ò Ó 37.003.616-80  
4A ХЗЗ Розетка прицепа ПС300АЗ-3723100  
1B X39 Разъем двухконтактный  
4A X40 Розетка ï ð è ö å ï à Ï Ñ 325-3723100 Ò Ó 37.003.616-80  
ЗА X41 Разъем двухконтактный  
2B X43 Разъем одноконтактный  
5A Y1 Клапан электромагнитный межколесного дифференциала КЭБ420 ТУ1-5540036-93  
2A Y2 Клапан топливный электромагнитный 1102.3741 ТУ37.003.740-79  
1A Y4 Клапан электромагнитный коробки отбора мощности КЭБ420 ТУ1-5540036-93  
1A Y5 Клапан электромагнитный подъема и опускания платформы КЭБ420 ТУ1-5540036-93  
1A Y6 Клапан электромагнитный опускания платформы КЭБ420 ТУ1-5540036-93  
4A Y8 Клапан электромагнитный коробки отбора мощности КЭБ420 ТУ1-5540036-93  
ЗВ Z1 Кондиционер  
ЗВ Z2 Радиоприемник  
ЗВ Z3 Стабилизатор напряжения СН 24/12-10А  


 

 

 

 

3 INT 15/2 S21  
     
     
50 у      
\      
  F1 К
30/1   вок К
1511—   80К К
F3   Г
     

 

вк.      
C1V      
AM      
F1 К
  F3   Г
       
вариант исполнения S21

Х31

Х31164К1Ч1 ——[_ Х11 F3

 


Рис. 328. Функциональная схема электроснабжения для всех автомобилей с генератором 800вт.Схема имеет два варианта выключателя приборов и стартера


                       
   
       
   
   
 
 
 
 


 

INT 15J2      
     
50,      
\      
30, F1 К
зон ^   ВОК К
    80К к
15/1*- F3   г
Pt      
S21

*** вариант исполнения 1оз S21

Х31

 

 

ВК[      
C1V      
AM      
F1 К
ПР*^ F3   Г
     

Рис. 329. Функциональная схема электроснабжения для всех автомобилей с генератором 2квт. Схема имеет два варианта выключателя приборов и стартера


К реле одшючения обмотки возбуждения генератора



*** вариант исполнения S21

 


Рис. 330. Функциональная схема пуска двигателя распространяется на все автомобили


В2***

В2

В14

 

 

 

 

 

Х5 36Б Ч —«^    
Х5 37Б кч  
   
         

S26

Х5

37А

Х5

Р4

 

Х22

37В

Х5

Х22

36А

Х5

Р4

G1

 

 

       
     
Х22    

вариант исполнения схемы с двумя топливными баками


I


Рис. 331. Функциональная схема контрольно-измерительных приборов имеет вариант исполнения для автомобилей с двумя топливными баками


S20

^

K4 34Б Ф
  34В Ф
  34Д Ч
  34В Ф
  34Д Ч
    Ч

Рис. 332. Функциональная схема стеклоочистки, отопления и звуковой сигнализации распространяется на все автомобили


     
     
S11 59 T КЧ
S7 59 H КЧ
    Б
S31

S10


Х31


Рис. 333. Функциональная схема внутреннее освещение распространяется на все автомобили


 

  ьи К -I
  1ЬА К /
      30А
  15А  
  54Е К /----------
       
     
ХЗО 58Е кч
     
     
S7 50 50А
F1

Кб

60А

 

S7
S22
F2

кю

 
S22 54А

S7

54И

F2

54 Б

К9

56Б

56А

56И

56 В


V VI О

I


 

F1
КЮ
K9

G


S22

54Е

54А

56А

 

S22


 

гаг T58R 58L " V 56 '56

F1

 
50А

F2

 

КЮ

56Б

К9

 

 

 

 

 

I S9  
I__ F2 63Т Р
  К7 63К  
     
     
     
     
     

Рис. 334. Функциональная схема наружнего освещения. Распространяется на все автомобили



  Ь24
X19 42 Г  
E26 42 К Ч

 

 

Х19 42Н О    
---- 1  
J. 42Л Ч  
         

S14
V3

Х6153Д1 h

ЕЗО

хзо

V3

42Б

X19

 

40Г

41A

42A

40E

40Д

Ж

43A

КЧ

Х19


F4

■ S1 3 | 40A| " 40E"


V VI О

, 4

II Z


S22

 

S14

40Б

 

S14


КЧ


S14

40А 40

Е!

V3

S22

S22

 

41А

£ 3 £ 3 S22


 

ЕЮ

Х25 152А

Х32

      ' I
       
       
       
Х6 53В Ж  
       
       

S2 D

ж

1------ Х25 151А

В


к

СО


Рис. 335. Функциональная схема наружней световой сигнализации и блокиорвки колес. Распространяется на все автомобили


Раздел V. Электрооборудование 227



 


Рис. 336. Функциональная схема световой и звуковой сигализации тормозной системы. Распространяется на все автомобили

■ вариант самосвала с прицепом

F3


       
   
 
 



F3
S24 101
Х27 ЮЗАБ

S38

104

Х47 104А


S18

103


ХАТ,


Ню

 

S38 104Г С
  104Д Ч

S24

S18101

101АБ

Х46101БЖ

102БЗ


Поделиться с друзьями:

mylektsii.su - Мои Лекции - 2015-2026 год. (0.571 сек.)Все материалы представленные на сайте исключительно с целью ознакомления читателями и не преследуют коммерческих целей или нарушение авторских прав Пожаловаться на материал