Студопедия

Главная страница Случайная страница

КАТЕГОРИИ:

АвтомобилиАстрономияБиологияГеографияДом и садДругие языкиДругоеИнформатикаИсторияКультураЛитератураЛогикаМатематикаМедицинаМеталлургияМеханикаОбразованиеОхрана трудаПедагогикаПолитикаПравоПсихологияРелигияРиторикаСоциологияСпортСтроительствоТехнологияТуризмФизикаФилософияФинансыХимияЧерчениеЭкологияЭкономикаЭлектроника






Принцип компенсации напряжения






Принцип компенсации тока.

Различают принципы компенсации напряжения и компенсации тока. Принцип компенсации тока заключается в том, что участок a-b схемы с током Iab можно заменить эквивалентным источником тока J=Iab, направление которого совпадает с положительным направлением тока Iab.

Принцип компенсации напряжения

Принцип компенсации напряжения основан на теореме о компенсации, которая гласит: в любой электрической цепи без изменения токов в ее ветвях сопротивление в произвольной ветви можно заменить источником с ЭДС, численно равной падению напряжения на этом сопротивлении и действующей навстречу току в этой ветви.

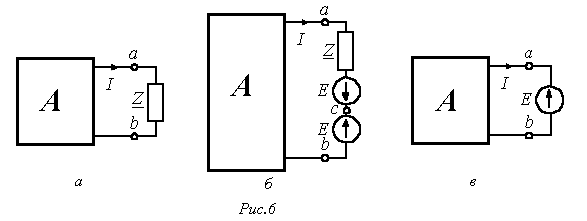
Для доказательства теоремы выделим из схемы произвольную ветвь с сопротивлением Z, по которой протекает ток I, а всю остальную часть схемы условно обозначим некоторым активным двухполюсником А (рис. 6, а).

 

При включении в ветвь с двух одинаковых и действующих навстречу друг другу источников ЭДС с E = I* Z (рис. 6, б) режим работы цепи не изменится. Для этой цепи:

Это равенство позволяет гальванически соединить точки а и c, то есть перейти к цепи на рис. 6, в. Таким образом, теорема доказана.

 


Поделиться с друзьями:

mylektsii.su - Мои Лекции - 2015-2026 год. (4.038 сек.)Все материалы представленные на сайте исключительно с целью ознакомления читателями и не преследуют коммерческих целей или нарушение авторских прав Пожаловаться на материал