Студопедия

Главная страница Случайная страница

КАТЕГОРИИ:

АвтомобилиАстрономияБиологияГеографияДом и садДругие языкиДругоеИнформатикаИсторияКультураЛитератураЛогикаМатематикаМедицинаМеталлургияМеханикаОбразованиеОхрана трудаПедагогикаПолитикаПравоПсихологияРелигияРиторикаСоциологияСпортСтроительствоТехнологияТуризмФизикаФилософияФинансыХимияЧерчениеЭкологияЭкономикаЭлектроника






Водомерные узлы






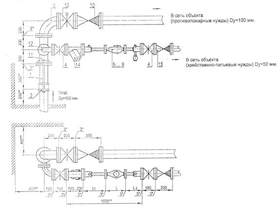
Водомерный узел, (рис. 9.) состоит из устройства для измерения количества расходуемой воды (водомера), запорной арматуры, контрольно-спускного крана, соединительных фасонных частей и патрубков из водогазопроводных стальных труб.

 

 

 

Рис.9. Водомерные узлы

а – простой; б – с обводной линией; 1 – первый запорный вентиль; 2 – водосчетчик; 3 – контрольно-спускной кран; 4 – второй запорный вентиль, 5 – крышка; 6 – обводная линия; 7 – опломбированная задвижка

В Санкт-Петербурге координирует работу по разработке и установке узлов учета расхода воды в хозяйственно-питьевом водопроводе Центр измерения расходов воды (ЦИРВ). Им разработана серия типовых водомерных узлов, которые и применяются на всех объектах в г. С-Петербурге.

 

 

Различают водомерные узлы простые (без обводной линии) и с обводной линией, на которой устанавливают опломбированную задвижку в закрытом положении. Водомерный узел с обводной линией применяют при наличии одного ввода, а также, если устройство для измерения количества расходуемой воды не рассчитано на пропуск пожарного расхода. В последнем случае на обводной линии устанавливают задвижку, в обычное время опломбированную в закрытом положении, или электроприводную задвижку, которая открывается автоматически при пуске пожарного насоса. Запорную арматуру устанавливают до и после измерительного устройства для возможности его замены или проверки правильности его показаний, а также отключения внутренней водопроводной сети от ввода и ее опорожнения.

Контрольно-спускной кран (или патрубок с пробкой) служит для спуска воды из сети внутреннего водопровода, контроля давления (располагаемого напора), проверки правильности показаний измерительного устройства и обнаружения утечки воды в системе.

Водомерный узел располагают в теплом и сухом нежилом помещении с температурой воздуха не ниже 5º С в легкодоступном для осмотра месте вблизи наружной стены у ввода в здание. Чаще всего его располагают в помещениях индивидуального теплового пункта (ИТП), в подвалах или в приямках, устраиваемых в коридорах, либо на лестничных площадках здания.

Во избежание излишних потерь напора водомерные узлы собирают из возможно меньшего числа отводов и фасонных частей, устанавливая измерительное устройство, как правило, на прямом участке, а не на обводе.

Для измерения количества воды на вводах внутреннего водопровода устанавливают скоростные крыльчатые и турбинные счетчики воды. Движение воды в этих счетчиках приводит во вращение вертушку (турбинку), размещенную в корпусе. Угловая скорость вращения вертушки пропорциональна скорости движения воды. Передаточный и счетный механизмы передают и суммируют обороты вертушки, и на циферблатах фиксируется количество жидкости, прошедшей через счетчик.

Крыльчатые счетчики воды изготовляют диаметром (калибром) до 40 мм включительно. Ось вращения крыльчатки у этих счетчиков расположена перпендикулярно направлению движения воды. Крыльчатые счетчики можно устанавливать только на горизонтальных участках трубопроводов с резьбовым соединением.

Турбинные счетчики воды отличаются от крыльчатых тем, что ось вращения вертушки (турбинки) у них параллельна направлению движения воды. Счетчики присоединяются на фланцах к трубопроводам, находящимся в любом положении (горизонтальном, вертикальном или наклонном) с направлением движения воды снизу вверх. Турбинные счетчики выпускаются калибром 50-200 мм.

При подборе счетчика воды учитывают его гидрометрические характеристики (предел чувствительности, область учета, характерный предельно максимальный расход), а также допустимые потери напора и условия установки.

Диаметр условного прохода (калибр) водосчетчика выбирают по среднечасовому (за сутки, смену) расходу, который не должен превышать эксплуатационный расход счетчика.

Подобранный водосчетчик проверяют на пропуск максимального расчетного секундного расхода. Скоростной счетчик работает нормально при пропуске расхода, составляющего около 40-50 % его максимальной предельной пропускной способности (характерного расхода). Характерным считается предельный часовой расход, при котором потери напора в счетчике составляют 10 м.

Минимальный расчетный расход воды, составляющий примерно 6-8 % среднечасового или 1/10-1/15 максимального расчетного расхода, не должен быть меньше порога чувствительности счетчика или близок к минимальному допустимому расходу.

Для удлинения срока службы счетчика средний часовой расход воды, пропускаемой через него, не должен превышать 4 % наибольшего суточного водопотребления.

Потери напора в счетчике, м, следует определять по формуле

h cr = S q 2,

где S – гидравлическое сопротивление счетчика; q – расчетный (максимальный) расход.

При учете расхода воды на хозяйственно-питьевые, производственные и другие нужды потери напора в крыльчатых счетчиках не должны превышать h доп = 2, 5 м, а в турбинных – 1 м. Потери напора не должны превышать 10 м при пропуске расчетного максимального расхода с учетом противопожарного.

Если потери напора в счетчике оказались меньше 20 % h доп, то следует принять другой счетчик (меньшего калибра), чтобы он мог учитывать малые расходы воды.


Поделиться с друзьями:

mylektsii.su - Мои Лекции - 2015-2026 год. (0.387 сек.)Все материалы представленные на сайте исключительно с целью ознакомления читателями и не преследуют коммерческих целей или нарушение авторских прав Пожаловаться на материал