Студопедия

Главная страница Случайная страница

КАТЕГОРИИ:

АвтомобилиАстрономияБиологияГеографияДом и садДругие языкиДругоеИнформатикаИсторияКультураЛитератураЛогикаМатематикаМедицинаМеталлургияМеханикаОбразованиеОхрана трудаПедагогикаПолитикаПравоПсихологияРелигияРиторикаСоциологияСпортСтроительствоТехнологияТуризмФизикаФилософияФинансыХимияЧерчениеЭкологияЭкономикаЭлектроника






Принцип действия системы






Работа системы АСТДЛ осуществляется под управлением специализированной программы «ЭЛДИАГ», установленной на ПЭВМ.

Все блоки, входящие в состав АСТДЭ, функционируют в режиме последовательного интерфейса по стандарту EIA RS-485. Их связь с ПЭВМ организует преобразователь интерфейса I7520 (А1.19. рисунок Б.1 приложения Б), который осуществляют преобразование интерфейса RS232 в RS485.

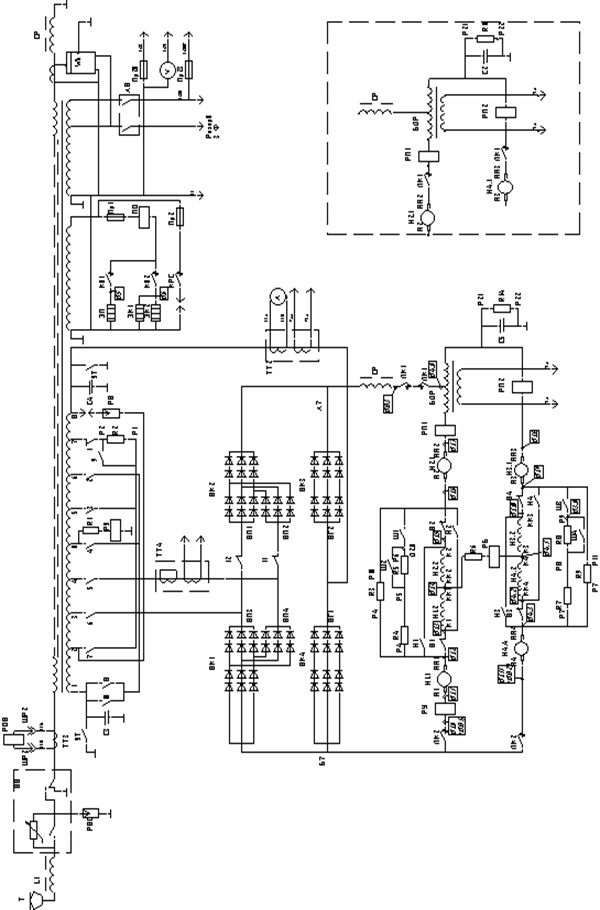
Схема электрическая принципиальная блока проверки силовой цепи представлена на рисунке 9.2.

Релейный коммутатор PCLD-785/B (А1.1, А1.2 рисунок 9.2) предназначен для отключения измерительных каналов аналого-цифровых преобразователей (АЦП) I7017R (А1.3 – А1.7 рисунок 9.2) от проверяемых цепей в моменты переключения плат релейной коммутации DN-PR4 (А1.8, А1.11, А1.14, А1.17 рисунок 9.2). Включение релейного коммутатора осуществляется следующим образом: по команде от управляющей ПЭВМ на 12 канале модуля А1.9 выставляется нулевой потенциал, при этом происходит включение силового реле К1 модуля релейной коммутации А1.17. После замыкания контактов силового реле К1 нулевой потенциал по проводу С17 подается на вход «GND» релейных коммутаторов А1.1, А1.2 и происходит их включение.

Модули релейной коммутации DN-PR4 (А1.8, А1.11, А1.14, А1.17 рисунок 9.2) предназначены для подачи тестового воздействия (величина тестового сигнала 10В/1А) от источника стабилизированного тока (А1.13 рисунок 9.2) в контрольные точки силовой цепи электропоезда (рисунки 9.3, 9.4)

Аналого-цифровые преобразователи I7017R (А1.3 – А1.7 рисунок 9.2) предназначены для измерения активного сопротивления элементов и участков силовой цепи, а также для контроля величины тока подаваемого в проверяемые цепи. Процесс измерения активного сопротивления элементов и участков силовой цепи (рисунок 9.5) осуществляется следующим образом: в соответствии с алгоритмом, заложенным в память управляющей ПЭВМ, происходит включение силовых реле К1 – К4 модулей релейной коммутации А1.8, А1.11, А1.14, А1.17. При этом по проверяемым силовым цепям начинает протекать ток (величина которого измеряется с помощью шунта RS1 и АЦП А1.7), а в контрольных точках появляется потенциал. После измерения величины тока и разности потенциалов рассчитывается омическое сопротивление элемента или участка силовой цепи, а затем сравнивается с номинальным значением, заложенным в память управляющей ПЭВМ.

Модули дискретного вывода I7043 (А1.9, А1.12 рисунок 9.2) предназначены для управления высоковольтным коммутатором и платами релейной коммутации DN-PR4.

В состав блока БПСЦ входит мегомметр Е6-23 дополненный системой дистанционного управления по стандарту EIA RS-485. Мегомметр Е6-23 предназначен для измерения сопротивления изоляции силовой цепи электропоезда.

Рисунок 9.2 – Схема электрическая принципиальная блока проверки силовой цепи БПСЦ

 

Рисунок 9.3 – Контрольные точки силовой цепи электропоезда ЭД9

 

Рисунок 9.4– Контрольные точки силовой цепи электропоезда ЭР9

 

 
 

Рисунок 9.5 – Структурная схема измерения активного сопротивления

элементов и участков силовой цепи

 

Подключение мегомметра А1.15 (см. рисунок 9.2) к проверяемым цепям в процессе измерения сопротивления изоляции осуществляется высоковольтным коммутатором А1.10 (см. рисунок 9.2). Управление высоковольтным коммутатором осуществляет модуль I7043 (А1.12 рисунок 9.2). Схема электрическая принципиальная высоковольтного коммутатора представлена на рисунке 9.6.

 

 

Рисунок 9.6 – Схема электрическая принципиальная высоковольтного коммутатора

Проверка временных параметров коммутационной аппаратуры осуществляется с помощью измерителя временных параметров реле ИВПР (А1.18 рисунок 9.2). Измерение времени отключения коммутационного аппарата, например, линейного контактора ЛК, выполняется следующим образом. Выход ИВПР обозначенный «Контакт» подключается к подвижному контакту ЛК, неподвижный контакт ЛК подключается к выходу ИВПР обозначенному «GND». Напряжение 110В от блока питания БП 110В/30А через выход ИВПР обозначенный «Реле» подается на катушку ЛК. ЛК включается, его контакт замыкается. Это исходное положение перед измерением. Далее подается команда от ЭВМ на отключение и одновременно на запуск АЦП. АЦП измеряет время от момента отключения питания катушки ЛК до момента начала размыкания контакта ЛК, которое и является собственным временем отключения аппарата. Время включения измеряется аналогично. Структурная схема измерения временных параметров линейного контактора приведена на рисунке 9.7.

 

 

 


Рисунок 9.7 – Структурная схема измерения временных параметров линейного контактора

 

Блок проверки цепей управления БПЦУ 1 выполняется в двух модификациях, отличие которых друг от друга состоит в том, что в первой модификации в качестве нормализаторов сигнала использованы универсальные клеммные платы PLСD-880, а во второй универсальные клеммные платы PCLD-8115. Схемы электрические принципиальные БПЦУ 1 модификация 1 и БПЦУ модификация 2 представлены на рисунках 9.8 и 9.9.

Универсальные клеммные платы PLСD-880 и PCLD-8115 (А2.10–А2.13, рисунки 9.8 и 9.9) предназначены для нормализации входных сигналов и защиты измерительных каналов модулей дискретного ввода I7041.

Рисунок 9.8 – Схема электрическая принципиальная блока БПЦУ 1 модификация 1

Рисунок 9.9 – Схема электрическая принципиальная блока БПЦУ 1 модификация 2

 

Модули дискретного ввода I7041 (А2.5 – А2.9 рисунки 9.8 и 9.9) предназначены для определения наличия потенциала (величиной 110В) на контактах межпоездных разъемов при проведении проверки целостности межпоездных проводов и при проверке цепей управления.

Модули релейной коммутацииRM104 (А2.14–А2.29 рисунки 9.8 и 9.9) предназначены для подачи напряжения 110В от источника БП 110В/30А в проверяемые цепи управления электропоезда. Управление силовыми релейными коммутаторами осуществляется модулями дискретного вывода I7043 (А2.1 – А2.4 рисунки 9.8 и 9.9).

Модули дискретного вывода I7043 (А2.1 – А2.4 рисунки 9.8 и 9.9) предназначены для управления платами релейной коммутации RM104

Блок проверки цепей управления БПЦУ 2 предназначен для проверки цепей управления электропоезда. Схема и принцип действия блока БПЦУ 2 аналогичны схеме и принципу действия блока БПЦУ 1.


Поделиться с друзьями:

mylektsii.su - Мои Лекции - 2015-2026 год. (0.583 сек.)Все материалы представленные на сайте исключительно с целью ознакомления читателями и не преследуют коммерческих целей или нарушение авторских прав Пожаловаться на материал