Студопедия

Главная страница Случайная страница

КАТЕГОРИИ:

АвтомобилиАстрономияБиологияГеографияДом и садДругие языкиДругоеИнформатикаИсторияКультураЛитератураЛогикаМатематикаМедицинаМеталлургияМеханикаОбразованиеОхрана трудаПедагогикаПолитикаПравоПсихологияРелигияРиторикаСоциологияСпортСтроительствоТехнологияТуризмФизикаФилософияФинансыХимияЧерчениеЭкологияЭкономикаЭлектроника






Схема электроснабжения цеха (предприятия)






 

Выбор схемы электроснабжения неразрывно связан с вопросом напряжения, мощности, категории ЭП по надежности, удаленности ЭП [4, 12].

Категории электроприемников по надежности электроснабжения определяются в процессе проектирования системы электроснабжения на основании нормативной документации [I5].

В отношении обеспечения надежности электроснабжения электроприемники разделяются на следующие три категории.

Электроприемники первой категории – электроприемники, перерыв электроснабжения которых может повлечь за собой: опасность для жизни людей, угрозу для безопасности государства, значительный материальный ущерб, расстройство сложного технологического процесса, нарушение функционирования особо важных элементов коммунального хозяйства, объектов связи и телевидения.

Из состава электроприемников первой категории выделяется особая группа электроприемников, бесперебойная работа которых необходима для безаварийного останова производства с целью предотвращения угрозы жизни людей, взрывов и пожаров.

Электроприемники второй категории – электроприемники, перерыв электроснабжения которых приводит к массовому недоотпуску продукции, массовым простоям рабочих, механизмов и промышленного транспорта, нарушению нормальной деятельности значительного количества городских и сельских жителей.

Электроприемники третьей категории – все остальные электроприемники, не подпадающие под определения первой и второй категорий.

Электроприемники первой категории в нормальных режимах должны обеспечиваться электроэнергией от двух независимых взаимно резервирующих источников питания, и перерыв их электроснабжения при нарушении электроснабжения от одного из источников питания может быть допущен лишь на время автоматического восстановления питания.

Для электроснабжения особой группы электроприемников первой категории должно предусматриваться дополнительное питание от третьего независимого взаимно резервирующего источника питания.

В качестве третьего независимого источника питания для особой группы электроприемников и в качестве второго независимого источника питания для остальных электроприемников первой категории могут быть использованы местные электростанции, электростанции энергосистем (в частности, шины генераторного напряжения), предназначенные для этих целей агрегаты бесперебойного питания, аккумуляторные батареи и т. п.

Если резервированием электроснабжения нельзя обеспечить непрерывность технологического процесса или если резервирование электроснабжения экономически нецелесообразно, должно быть осуществлено технологическое резервирование, например, путем установки взаимно резервирующих технологических агрегатов, специальных устройств безаварийного останова технологического процесса, действующих при нарушении электроснабжения.

Электроснабжение электроприемников первой категории с особо сложным непрерывным технологическим процессом, требующим длительного времени на восстановление нормального режима, при наличии технико-экономических обоснований рекомендуется осуществлять от двух независимых взаимно резервирующих источников питания, к которым предъявляются дополнительные требования, определяемые особенностями технологического процесса.

Электроприемники второй категории в нормальных режимах должны обеспечиваться электроэнергией от двух независимых взаимно резервирующих источников питания.

Для электроприемников второй категории при нарушении электроснабжения от одного из источников питания допустимы перерывы электроснабжения на время, необходимое для включения резервного питания действиями дежурного персонала или выездной оперативной бригады.

Для электроприемников третьей категории электроснабжение может выполняться от одного источника питания при условии, что перерывы электроснабжения, необходимые для ремонта или замены поврежденного элемента системы электроснабжения, не превышают 1-х суток.

Вопрос выбора схемы электроснабжения, уровня напряжения решается на основе технико-экономического сравнения вариантов.

Для питания промышленные, предприятий применяют электросети напряжением 6, 10, 35, 110 и 220 кВ.

В питающих и распределительных сетях средних предприятий принимается напряжение 6–10 кВ. Напряжение 380/220 В является основным в электроустановках до I000 В. Внедрение напряжения 660 В экономически эффективно и рекомендуется применять в первую очередь для вновь строящихся промышленных объектов [12].

Напряжение 42 В (36 и 24) применяется в помещениях с повышенной опасностью и особо опасных, для стационарного местного освещения и ручных переносных ламп.

Напряжение 12 В применяется только при особо неблагоприятных условиях в отношении опасности поражения электрическим током, например, при работе в котлах или других металлических резервуарах с использованием ручных переносных светильников.

Применяются две основные схемы распределения электроэнергии – радиальная и магистральная в зависимости от числа и взаимного расположения цеховых подстанций или других ЭП по отношению к питающему их пункту.

Обе схемы обеспечивают требуемую надежность электроснабжения ЭП любой категории.

Радиальные схемы распределения применяются главным образом в тех случаях, когда нагрузки рассредоточены от центра питания. Одноступенчатые радиальные схемы применяются для питания крупных сосредоточенных нагрузок (насосные, компрессорные, преобразовательные агрегаты, электропечи и т. п.) непосредственно от центра питания, а также для питания цеховых подстанций. Двухступенчатые радиальные схемы используют для питания небольших цеховых подстанций и электроприемников ВН с целью разгрузки основных энергетических центров (рис. З.1). На промежуточных распредпунктах устанавливается вся коммутационная аппаратура. Следует избегать применения многоступенчатых схем для внутрицехового электроснабжения.

 

Рис. 3.1. Фрагмент радиальной схемы распределения электроэнергии

 

Распределительные пункты и подстанции с электроприемниками I и II категорий питаются, как правило, по двум радиальным линиям, которые работают раздельно, каждая на свою секцию, при отключении одной из них нагрузка автоматически воспринимается другой секцией.

Магистральные схемы распределения электроэнергии следует применять при распределенных нагрузках, когда потребителей много и радиальные схемы экономически нецелесообразны. Основные преимущества: позволяют лучше загрузить при нормальном режиме кабели, сэкономить число шкафов на распределительном пункте, сократить длину магистрали. К недостаткам магистральных схем относятся: усложнение схем коммутации, одновременное отключение ЭП нескольких производственных участков или цехов, питающихся от данной магистрали при ее повреждении. Для питания ВП I и II категорий должны применяться схемы с двумя и более параллельными сквозными магистралями (рис. 3.2).

 

Рис. 3.2. Схема с двойными сквозными магистралями

 

Питание ЭП в сетях напряжением до 1000 В II и III категорий по надежности электроснабжения рекомендуется осуществлять от однотрансформаторных комплектных трансформаторных подстанций (КТП).

Выбор двухтрансформаторных КТП должен быть обоснован. Наиболее целесообразны и экономичны для внутрицехового электроснабжения в сетях до 1 кВ магистральные схемы блоков трансформатор–магистраль без распределительных устройств на подстанции с применением комплектных шинопроводов.

Радиальные схемы внутрицеховых питающих сетей применяют, когда невозможно выполнение магистральных схем по условиям территориального размещения электрических нагрузок, а также по условиям среды.

Для электроснабжения цеховых потребителей в практике проектирования редко применяют радиальные или магистральные схемы в чистом виде. Наибольшее распространение находят так называемые смешанные схемы электрических сетей, сочетающие в себе элементы как радиальных, так и магистральных схем.

Рабочее освещение рекомендуется питать по самостоятельным линиям от распределительных устройств подстанций, щитов, шкафов, распределительных пунктов, магистральных и распределительных шинопроводов.

Схемы электроснабжения и все электроустановки переменного и постоянного тока предприятия напряжением до 1 кВ и выше должны удовлетворять общим требования к их заземлению и защите людей и животных от поражения электрическим током как в нормальном режиме работы электроустановки, так и при повреждении изоляции [15].

Электроустановки в отношении мер электробезопасности разделяются на:

– электроустановки напряжением выше 1 кВ в сетях с глухозаземленной или эффективно заземленной нейтралью [15];

– электроустановки напряжением выше 1 кВ в сетях с изолированной или заземленной через дугогасящий реактор или резистор нейтралью;

– электроустановки напряжением до 1 кВ в сетях с глухозаземленной нейтралью;

– электроустановки напряжением до 1 кВ в сетях с изолированной нейтралью.

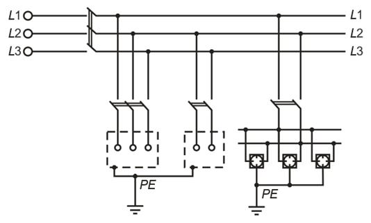
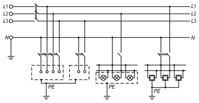
Для электроустановок напряжением до 1 кВ приняты следующие обозначения: система TN – система, в которой нейтраль источника питания глухозаземлена, а открытые проводящие части электроустановки присоединены к глухозаземленной нейтрали источника посредством нулевых защитных проводников (см. рис. 3.3–3.7).

 

Рис. 3.3. Система TN-C – система TN, в которой нулевой защитный

и нулевой рабочий проводники совмещены в одном проводнике

на всем ее протяжении

 

Первая буква – состояние нейтрали источника питания относительно земли:

T – заземленная нейтраль;

I – изолированная нейтраль.

Вторая буква – состояние открытых проводящих частей относительно земли:

T – открытые проводящие части заземлены, независимо от отношения к земле нейтрали источника питания или какой-либо точки питающей сети;

N – открытые проводящие части присоединены к глухозаземленной нейтрали источника питания.

Последующие (после N) буквы – совмещение в одном проводнике или разделение функций нулевого рабочего и нулевого защитного проводников:

S – нулевой рабочий (N) и нулевой защитный (PE) проводники разделены;

C – функции нулевого защитного и нулевого рабочего проводников совмещены в одном проводнике (PEN -проводник);

N – нулевой рабочий (нейтральный) проводник;

PE – защитный проводник (заземляющий проводник, нулевой защитный проводник, защитный проводник системы уравнивания потенциалов);

PEN – совмещенный нулевой защитный и нулевой рабочий проводник.

 

Рис. 3.4. Система TN-S – система TN, в которой нулевой защитный

и нулевой рабочий проводники разделены на всем ее протяжении

 

 

Рис. 3.5. Система TN-C-S – система TN, в которой функции нулевого

защитного и нулевого рабочего проводников совмещены в одном

проводнике в какой-то ее части, начиная от источника питания

 

Рис. 3.6. Система TT – система, в которой нейтраль источника питания

глухо заземлена, а открытые проводящие части электроустановки

заземлены при помощи заземляющего устройства, электрически

независимого от глухозаземленной нейтрали источника

 

 

Рис. 3.7. Система IT –система, в которой нейтраль источника питания

изолирована от земли или заземлена через приборы или устройства,

имеющие большое сопротивление, а открытые проводящие части

электроустановки заземлены

 

Нулевой рабочий (нейтральный) проводник (N) – проводник в электроустановках до 1 кВ, предназначенный для питания электроприемников и соединенный с глухозаземленной нейтралью генератора или трансформатора в сетях трехфазного тока, с глухозаземленным выводом источника однофазного тока, с глухозаземленной точкой источника в сетях постоянного тока.

Совмещенный нулевой защитный и нулевой рабочий (PEN) проводник - проводник в электроустановках напряжением до 1 кВ, совмещающий функции нулевого защитного и нулевого рабочего проводников.

Для защиты от поражения электрическим током в нормальном режиме должны быть применены по отдельности или в сочетании следующие меры защиты от прямого прикосновения:

– основная изоляция токоведущих частей;

– ограждения и оболочки;

– установка барьеров;

– размещение вне зоны досягаемости;

– применение сверхнизкого (малого) напряжения.

Для дополнительной защиты от прямого прикосновения в электроустановках напряжением до 1 кВ при наличии требований других глав ПУЭ следует применять устройства защитного отключения (УЗО) с номинальным отключающим дифференциальным током не более 30 мА.

Для защиты от поражения электрическим током в случае повреждения изоляции должны быть применены по отдельности или в сочетании следующие меры защиты при косвенном прикосновении:

– защитное заземление;

– автоматическое отключение питания;

– уравнивание потенциалов;

– выравнивание потенциалов;

– двойная или усиленная изоляция;

– сверхнизкое (малое) напряжение;

– защитное электрическое разделение цепей;

– изолирующие (непроводящие) помещения, зоны, площадки.

Электроустановки напряжением до 1 кВ жилых, общественных и промышленных зданий и наружных установок должны, как правило, получать питание от источника с глухозаземленной нейтралью с применением системы TN.

Питание электроустановок напряжением до 1 кВ переменного тока от источника с изолированной нейтралью с применением системы IT следует выполнять, как правило, при недопустимости перерыва питания при первом замыкании на землю или на открытые проводящие части, связанные с системой уравнивания потенциалов. В таких электроустановках для защиты при косвенном прикосновении при первом замыкании на землю должно быть выполнено защитное заземление в сочетании с контролем изоляции сети или применены УЗО с номинальным отключающим дифференциальным током не более 30 мА. При двойном замыкании на землю должно быть выполнено автоматическое отключение питания в соответствии с ПУЭ.

Питание электроустановок напряжением до 1 кВ от источника с глухозаземленной нейтралью и с заземлением открытых проводящих частей при помощи заземлителя, не присоединенного к нейтрали (система TT), допускается только в тех случаях, когда условия электробезопасности в системе T N не могут быть обеспечены. Для защиты при косвенном прикосновении в таких электроустановках должно быть выполнено автоматическое отключение питания с обязательным применением УЗО.

При этом должно быть соблюдено условие:

R a I a ≤ 50 B,

где I a – ток срабатывания защитного устройства;

R a – суммарное сопротивление заземлителя и заземляющего проводника наиболее удаленного электроприемника, при применении УЗО для защиты нескольких электроприемников.

При применении системы TN рекомендуется выполнять повторное заземление PE- и PEN- проводников на вводе в электроустановки зданий, а также в других доступных местах. Для повторного заземления, в первую очередь, следует использовать естественные заземлители. Сопротивление заземлителя повторного заземления не нормируется.

В электроустановках напряжением выше 1 кВ с изолированной нейтралью для защиты от поражения электрическим током должно быть выполнено защитное заземление открытых проводящих частей.

В прил. 3 приведены схемы электроснабжения отдельных зданий, а в прил. 4 – графические и буквенные обозначения в электрических схемах.


Поделиться с друзьями:

mylektsii.su - Мои Лекции - 2015-2026 год. (0.872 сек.)Все материалы представленные на сайте исключительно с целью ознакомления читателями и не преследуют коммерческих целей или нарушение авторских прав Пожаловаться на материал