Студопедия

Главная страница Случайная страница

КАТЕГОРИИ:

АвтомобилиАстрономияБиологияГеографияДом и садДругие языкиДругоеИнформатикаИсторияКультураЛитератураЛогикаМатематикаМедицинаМеталлургияМеханикаОбразованиеОхрана трудаПедагогикаПолитикаПравоПсихологияРелигияРиторикаСоциологияСпортСтроительствоТехнологияТуризмФизикаФилософияФинансыХимияЧерчениеЭкологияЭкономикаЭлектроника






Система смазки







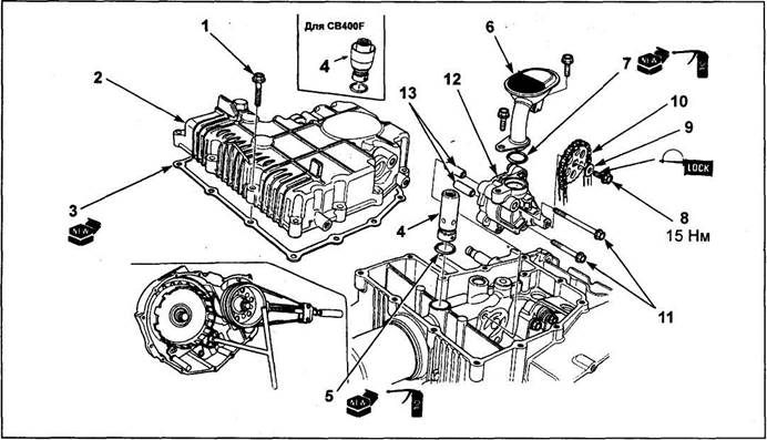
Масляный насос (снятие и установка). 1 - болт крепления масляного поддона, 2 - масляный поддон, 3 - прокладка, 4 - редукционный клапан, 5 • кольцевое уплотнение, 6 - маслоприемник, 7 - кольцевое уплотнение, 8 - болт крепления звездочки привода масляного насоса, 9 - шайба, 10 - звездочка привода масляного насоса, 11 - болты крепления масляного насоса, 12 - масляный насос, 13 -установочная втулка.

Масляный насос (разборка и сборка) (CB400N). 1 - винт крепления, 2 - крышка насоса, 3 - установоч­ный штифт, 4 - ведомый ротор, 5 - ведущий ротор, 6 - штифт, 7 - вал масляного насоса, 8 - шайба, 9 - корпус масляного насоса.


Система смазки




Honda CB400F(CB1)

Схема системы смазки (CB400F). 1 - редукционный клапан, 2 - масляный фильтр, 3 - вторичный вал КПП, 4 - первичный вал КПП, 5 - масляные каналы, 6 - шатун, 7 - поршень, 8 - распределительный вал выпускных клапанов, 9 - распределительный вал впускных клапанов, 10 - коленчатый вал, 11 - датчик давления масла, 12 - масляные каналы, 13 - масляный насос, 14 - маслоприемник.



Поделиться с друзьями:

mylektsii.su - Мои Лекции - 2015-2026 год. (1.531 сек.)Все материалы представленные на сайте исключительно с целью ознакомления читателями и не преследуют коммерческих целей или нарушение авторских прав Пожаловаться на материал