Студопедия

Главная страница Случайная страница

КАТЕГОРИИ:

АвтомобилиАстрономияБиологияГеографияДом и садДругие языкиДругоеИнформатикаИсторияКультураЛитератураЛогикаМатематикаМедицинаМеталлургияМеханикаОбразованиеОхрана трудаПедагогикаПолитикаПравоПсихологияРелигияРиторикаСоциологияСпортСтроительствоТехнологияТуризмФизикаФилософияФинансыХимияЧерчениеЭкологияЭкономикаЭлектроника






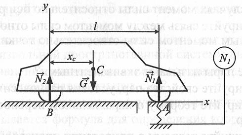
Метод взвешивания






Центр тяжести тела можно определить с помощью уравнений равновесия, если опорные реакции найдены экспериментально, например путём взвешивания.

Определим положение центра тяжести автомобиля (расстояние xс), если рас­стояние АВ=l известно, - сила тяжести автомобиля, приложенная в центре тяжести. Поставив колесо А на платформу весов, найдём взвешиванием силу давления колеса на платформу; тем самым будет найдена численно величина реакция N1. Точно так же взвешиванием находим реакцию N2. Составим два уравне­ния равновесия для параллельных сил:

 
 

Если величина G известна, то для определения хс можно обой­тись однократным взвешиванием.

 

- Положение центра тяжести некоторых фигур

Плоская фигура Координаты центра тяжести Площадь (объем)
хС уС (zC)
Квадрат      
Прямоугольник      
Треугольник          
Трапеция          
  Круговой сектор       , где п – градусная мера центрального угла
Полуокружность        
Полукруг          
Сегмент            
Дуга окружности        

Задача 1. Определить центр тяжести плоской фигуры, изображенной на рис. Размеры даны в сантиметрах.

 

 

Решение. Разобьем фигуру на два прямоугольника с центрами тяжести в точках и . Для определения центра тяжести фи­гуры составим таблицу: — координаты центра тяжести k -й фигуры; — площадь k -й фигуры.

 

Номер элемента
           
           
    - -    

 

,.

 

,

 

Задача 2. Определить центр тяжести пло­ской фигуры.

 

Решение. Дополним фигуру до прямоугольника размерами 30x80. Центр тяжести этого пря­моугольника в точке . Пустым является прямоугольник размера­ми 10x60 с центром тяжести в точ­ке , площадь которого берется с отрицательным знаком.

 

 

Для определения центра тяжести составим таблицу.

 

Номер элемента
           
  -600     -18000 -15000
    - -    

 

 

.

 

 

 

Задача. Найти площадь и координаты центра тяжести плос­кой фигуры. Криволинейный участок контура является половиной окружности с центром на оси Ох.. Размеры на рисунке даны в метрах.

 

 


Поделиться с друзьями:

mylektsii.su - Мои Лекции - 2015-2026 год. (0.466 сек.)Все материалы представленные на сайте исключительно с целью ознакомления читателями и не преследуют коммерческих целей или нарушение авторских прав Пожаловаться на материал