Студопедия

Главная страница Случайная страница

КАТЕГОРИИ:

АвтомобилиАстрономияБиологияГеографияДом и садДругие языкиДругоеИнформатикаИсторияКультураЛитератураЛогикаМатематикаМедицинаМеталлургияМеханикаОбразованиеОхрана трудаПедагогикаПолитикаПравоПсихологияРелигияРиторикаСоциологияСпортСтроительствоТехнологияТуризмФизикаФилософияФинансыХимияЧерчениеЭкологияЭкономикаЭлектроника






Тема: Швейна машина 51 класу






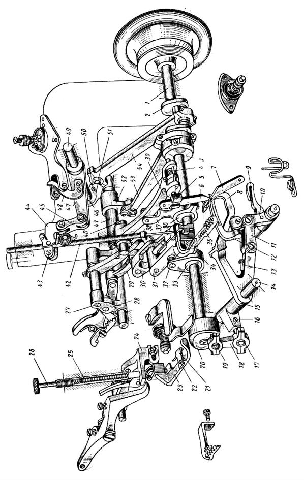
Швейна машина призначена для зшивання трикотажних полотен з одночасним обметуванням країв. При застосуванні спеціального пристосування виконується операція бортівки різних трикотажних виробів. Схему машини представлено на рис. 9.1.

Робочими органами для утворення стібка є: голка, лівий і правий петельник при трьохнитковому шві (петельник і розширювач при двохнитковому шві), рейка, ножі для обрізання кромки і нитковідтягувачі. Довжина стібка 1, 5–4 мм. Ширина обметування від 3 до 6 мм. Товщина оброблюваних матеріалів до 4 мм.

Всі механізми отримують рух від головного валу машини, розміщеного під платформою і який обертається від електродвигуна через пас і маховик, закріплений на задньому кінці головного валу. Швидкість обертання головного валу 3500 об/хв.

Механізм голки. Голка в процесі утворення стібка проходить позаду правого петельника, але спереду лівого петельника. Оскільки петельники рухаються в одній площині, голка переміщається у нахиленій площині під кутом 23°30¢ до вертикалі.

Голка рухається зворотно-поступально, будова механізм механізму голки така.

Кульковий вкладиш коліна 2 головного валу 1 охоплюється нижньою головкою шатуна 54. Верхня його головка з’єднана з кульковим пальцем 51, закріпленим гвинтами 50 в отворі заднього важеля 46. Цей важіль виготовляється як одне ціле з віссю 49, яка проходить всередині втулок, закріплених в рукаві машини. На осі двома гвинтами закріплений передній важіль 47. Передній важіль сергою 45 з’єднаний з хомутиком 44. У вертикальному отворі хомутика гвинтом 43 закріплений голковод 42, на нижньому кінці якого гвинтом хомутика 38 закріплена голка.

Голковод переміщається у втулках, закріплених в передній частині рукава машини.

Обертовий рух головного валу коліном 2, шатуном 54 і важелем 46 перетворюється в коливний рух переднього важеля 47. Коливний рух важеля 47 за допомогою серги 45 і хомутика перетворюється у зворотно-поступальний рух голковода, а отже, і голки.

Регулювання механізму. У механізмі регулюється величина ходу голки. Регулювання здійснюється переміщенням кулькового пальця 51 в отворі важеля 46. При закріпленні кулькового пальця ближче до осі коливання важеля хід голки збільшується, при встановленні пальця на великій відстані від осі хід голки зменшується.

Для регулювання необхідно послабити гвинти 50, яким палець кріпиться у важелі, і після регулювання гвинти необхідно закріпити.

Хід голки при зшиванні легкого і середнього трикотажу встановлюється в межах 22–23 мм.

 

 

Вушко голки повинно опускатися нижче верхньої площини голкової пластини на 10 мм.

Для утворення петлі біля вушка голка повинна переміститися з нижнього положення на 3–4, 5 мм (залежно від щільності матеріалу, який зшивається).

Механізм петельників. Петельники в процесі утворення стібка здійснюють коливний рух. Будова механізму така.

На лівий кінець головного валу напресований і закріплений у певному положенні відносно коліна головного валу кривошип 20. Кульковий вкладиш на його пальці 19 охоплюється верхньою головкою шатуна 18. Нижня головка шатуна з’єднана з кульковим пальцем 17, який так як і палець 51 механізму голки, закріплений гвинтом 16 в отворі приливу трьохплечого важеля 15. Важіль коливається на осі 14.

На верхньому плечі закріплений гвинтом правий петельник 8. Нижнє плече з’єднувальною ланкою 11 шарнірно зв’язане з важелем 10. Зверху в горизонтальному отворі важеля 10 закріплено хвостовик лівого петельника 12.

Обертовий рух головного валу за допомогою кривошипа 20, шатуна 18 і пальця 17 перетворюється у коливний рух важеля 15 правого петельника, а за допомогою з’єднувальної ланки 11 коливний рух передається важелю 10 лівого петельника.

У механізмі регулюється кут коливання важеля правого петельника. Регулювання виконується переміщенням пальця 17 в отворі приливу важеля 15 (аналогічно до того, як і регулювання ходу голки).

Для регулювання необхідно послабити гвинт 16, перемістити палець і після цього гвинт закріпити. При зшиванні легкого і середнього трикотажу переміщення носика правого петельника від одного крайнього положення до другого, виміряне по хорді, повинно бути близько 45 мм.

Механізм рейок. Переміщення матеріалу на величину стібка здійснюється механізмом рейок з участю притискної лапки. Для усунення посадки нижнього шару трикотажу в механізмі містяться дві рейки: передня 35 і задня 34. Рейки закріплені в пазах важелів 31 і 30. Під час роботи вони отримують, як і в машинах човникового стібка, два напрямки руху: поздовжній і вертикальний. Передня рейка здійснює поздовжнє переміщення на більшу величину (цим усувається посадка матеріалу).

Поздовжнє переміщення важелі рейок отримують від ексцентрика 3, закріпленого на головному валу. Ексцентрик складається з двох основних деталей: корпуса і самого ексцентрика. Ексцентрик може переміщатися у направляючих пазах корпуса. Кулькова поверхня ексцентрика охоплюється передньою головкою шатуна 53, а задня його головка шарнірно з’єднана з коромислом 52, закріпленим на валу 41 поздовжнього переміщення рейок.

У отворах 28, які є приливами цього валу, поміщена вісь 27, з якою з’єднаний важіль передньої рейки. Важіль задньої рейки з’єднаний з валом 41 через шарнір регулятора і ланку 29.

Обертання головного валу через ексцентрик, шатун 53, коромисло 52 перетворюється у зворотно-поступальний рух валу 41, важелі рейок разом з рейками отримують поздовжнє переміщення.

Вертикальне переміщення важелям рейок передається від ексцентрика 33, закріпленого на головному валу, і шатуна 32. Крок строчки регулюється зміною ексцентриситету ексцентрика 3.

Притискна лапка 23 кріпиться до важеля 24. У пазу лапки гвинтом 22 закріплений палець лапки 21. Притискання лапкою матеріалу здійснюється за допомогою пружини 25, яка вставлена в отвір рукава машини і зверху притискається гвинтом 26. За допомогою цього гвинта регулюється сила притискання.

Механізм ножів. Для отримання шва однакової ширини кромка матеріалу обрізається ножами: нижнім і верхнім. Нижній ніж 7 нерухомий і кріпиться до колодки ножа. Верхній ніж 6 закріплений у тримачі 5 ножа, який під дією пружини 4 притискає верхній ніж до нижнього. Тримач ножа проходить у отворі важеля 39 верхнього ножа. Цей важіль коливається відносно осі 40, а ніж переміщається вгору і вниз і здійснює сумісне з нижнім обрізання кромки.

Своє коливання важіль 39 отримує від ексцентрика 36, закріпленого на головному валу (виготовлений як одне ціле з ексцентриком 33 підйому рейок), і шатуна 37.

Ріжуча кромка нижнього ножа повинна бути закріплена на одному рівні з верхньою площиною голкової пластини, на якій розміщується матеріал. Ріжуча кромка нижнього ножа, розміщена вище, ніж площина голкової пластини, буде заважати переміщенню матеріалу. При розміщенні ріжучої кромки нижче площини голкової пластини верхній ніж буде прогинати матеріал і погано різати.

Відстань обрізання від голки регулюється зміщенням нижнього ножа разом з колодкою, у якій він закріплений.

Пристрій для подачі нитки і затягування стібка. Попередній стібок затягується голкою при наступному проколюванні. Важіль ниткоподавача 48 закріплений на передньому важелі 47 механізму голки. Призначення ниткоподавача зводиться до того, щоб подавати нитку голці під час проколювання матеріалу. Нитковідтягувач 9 правого петельника і нитковідтягувач 13 лівого петельника подають відповідно нитки своїм петельникам при розширенні їх петель і відтягують нитку, яка йде в петельники, при їх зворотному ході.

Машина містить централізоване мащення поверхонь тертя деталей, розміщених на головному валу; у нижній частині корпуса машини міститься велика порожнина, у яку заправляється масло. Це масло за допомогою гнітів подається до місць мащення. Інші деталі механізмів змащуються періодично вручну.

Конструкція механізмів (деталі відкриті) не дає можливості забезпечити автоматичне змащування.

Машина 51-А класу є варіантом основної машини 51 класу і відрізняється від останньої наявністю однієї рейки (замість двох у машині 51 класу) і призначена для обметування країв текстильних тканин, які осипаються.

 


Поделиться с друзьями:

mylektsii.su - Мои Лекции - 2015-2026 год. (1.838 сек.)Все материалы представленные на сайте исключительно с целью ознакомления читателями и не преследуют коммерческих целей или нарушение авторских прав Пожаловаться на материал