Студопедия

Главная страница Случайная страница

КАТЕГОРИИ:

АвтомобилиАстрономияБиологияГеографияДом и садДругие языкиДругоеИнформатикаИсторияКультураЛитератураЛогикаМатематикаМедицинаМеталлургияМеханикаОбразованиеОхрана трудаПедагогикаПолитикаПравоПсихологияРелигияРиторикаСоциологияСпортСтроительствоТехнологияТуризмФизикаФилософияФинансыХимияЧерчениеЭкологияЭкономикаЭлектроника






Дифференциальная защита






На электродвигателях мощностью от 4000 кВт и более устанавливается продольная дифференциальная защита без торможения или с торможением.

Схемы диф. защиты ЭД выполняются аналогично схемам диф. защиты генераторов. Для выполнения защиты с торможением торможение выполняется от трансформаторов тока, установленных со стороны нулевых выводов обмотки статора. При таком включении торможение практически не оказывает влияния на рабочую м.д.с. и обеспечивает наилучшую чувствительность защиты.

Ток срабатывания защиты выбирается из условия надежного несрабатывания в режимах пуска, самозапуска, внешнего короткого замыкания или несинхронного включения синхронного двигателя.

Ic.з = kотс*Iд ном (номинальный ток ЭД)

 

kотс = 1, 4 …2, 0 для защиты с реле РТ-40

kотс = 0, 5 …1, 1 для защиты с реле РНТ

7.3. Защита от перегрузок

Защита от перегрузки устанавливается на электродвигателях, которые могут подвергаться перегрузке по технологическим причинам и для электродвигателей с особо тяжелыми условиями пуска и самозапуска с длительностью прямого пуска от 20 сек. и более.

Установка защиты предусматривается в одной фазе. Защита от перегрузки выполняется с действием на отключение при возможности неуспешного пуска, невозможности разгрузки без останова двигателя, отсутствии постоянного дежурного персонала. При возможности автоматической разгрузки защиты выполняются с двумя выдержками времени, с меньшей - на разгрузку механизма, с большей - на отключение. В остальных случаях предусматривается действие на сигнал.

Ток срабатывания защиты выбирается по условию отстройки от номинального тока электродвигателей.

Чувствительность защиты от перегрузки не проверяется, поскольку она не предназначена для действия при коротком.замыкании.

Выдержка времени выбирается из условия надежного несрабатывания при пуске или самозапуске двигателей по выражению

 
 

 

 


7.4. Защита от потери питания

 

Защита от потери питания устанавливается для предотвращения повреждения электродвигателей, затормозившихся в результате кратковременного или длительного снижения напряжения, при восстановлении питания, а также для обеспечения требований техники безопасности и условий технологического процесса. Защита выполняется групповой для каждой секции шин.

 

В зависимости от требований по быстродействию и от соотношения числа синхронных и асинхронных электродвигателей, присоединенных к одной секции шин, защиты подразделяются на две группы:

- защита минимального напряжения;

- защита минимального напряжения и минимальной частоты с блокировкой по направлению мощности.

 

Для правильного выбора типа защиты от потери питания все электродвигатели целесообразно разделить на две группы по степени ответственности каждого механизма, проанализировать режимы, приводящие к снижению или перерыву питания, оценить возможность самозапуска.

 

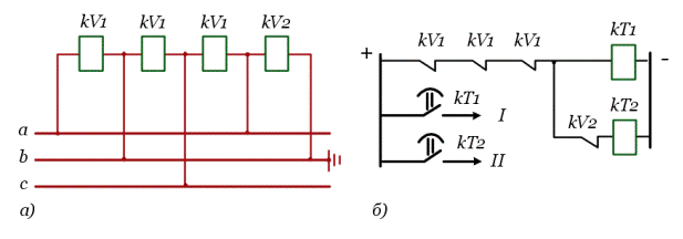
Защита минимального напряжения, как правило, выполняется двухступенчатой (рис. 7.2).

 

 
 

 


Рис. 7.2. Схема защиты минимального напряжения:

а - цепи переменного напряжения; б - цепи постоянного оперативного тока;

 

KV1 -реле минимального напряжения первой ступени;

KV2 - реле минимального напряжения второй ступени;

I - на отключение неответственных двигателей;

II – на отключение ответственных двигателей

 

Первая ступень предназначена для ускорения и повышения эффективности самозапуска ответственных электродвигателей, а также предупреждения несинхронного включения синхронных двигателей в сеть.

Обычно напряжение срабатывания первой степени принимается равным

 

 

 
 

 


Защита минимального напряжения и минимальной частоты с блокировкой по направлению мощности предусматривается, если к сокращению времени перерыва питания предъявляются высокие требования.

Частота срабатывания минимального реле частоты выбирается изусловия отстройки от наименьшего возможного в нормальном режиме значения частоты в энергосистеме, примерно (48.5 - 49) Гц. Выдержка времени защиты выбирается из условия несрабатывания при кратковременных снижениях частоты в случае к.з., t > 0, 5 сек. Реле направления мощности в схеме применяется для согласования действия защит и АЧР.

 

 

РАЗДЕЛ 8.

ЗАЩИТА И АВТОМАТИКА СПЕЦИАЛЬНЫХ ЭЛЕКТРОУСТАНОВОК

В системах электроснабжения применяются различные электроустановки специального назначения: конденсаторные, электропечные, преобразовательные.

В процессе эксплуатации они могут повреждаться. Опасны также ненормальные режимы работы, которые сопровождаются прохождением сверхтоков. Поэтому электроустановки снабжаются защитой от повреждений и ненормальных режимов, предусматриваются также различные устройства автоматики.

8.1. Защита и автоматика конденсаторных установок

Конденсаторные установки присоединяются параллельно к приемникам энергии и предназначены для повышения коэффициента мощности в системе электроснабжения. Конденсаторная установка состоит из одного или несколько отдельно установленных единичных конденсаторов, присоединенных к сети через коммутационные аппараты.

Основной вид повреждений конденсаторных установок – пробой конденсаторов – приводит к двухфазному КЗ. Ненормальные режимы работы связаны с перегрузкой конденсаторов высшими гармониками тока и повышением напряжения.

1. Защита от многофазных КЗ.

В сетях напряжением до 1 кВ защиты выполняется плавкими предохранителями или автоматическими выключателями, а в сетях с напряжением выше 1 кВ – плавкими предохранителями или двухфазной токовой отсечкой.

Номинальный ток плавкой вставки предохранителя и ток срабатывания защиты выбирают с учетом отстройки от токов переходного процесса при включении конденсаторной установки по условию

Iс.з = I вс.ном = kотс* I к.у.ном

I вс.ном – номинальный ток вставки

I к.у.ном – номинальный ток конденсаторной установки

kотс= 2, 0 … 2, 5

Чувствительность защиты считается достаточной при kч ≥ 2, 0.

2. Защита от перегрузок.

Защита выполняется общей для всей конденсаторной установки и действует на отключение с выдержкой времени tс.з.= 9с. Ток срабатывания защиты Iс.з ≥ 1, 3 * I к.у.ном.

3. Защита от повышения напряжения.

Защита выполняется одним максимальным реле напряжения и реле времени.

Напряжение срабатывания определяется условием

Uс.з = 1, 1*Uном, а выдержка времени tс.з.= 3 … 5 мин.

Предусматривается автоматическое повторное включение (АПВ) конденсаторной установки после восстановления первоначального уровня напряжения, но не ранее, чем через 5 минут после её отключения.

4. Устройство автоматического регулирования напряжения (АРН).

Конденсаторные установки используют также для местного регулирования напряжения.

АРН выполняется одноступенчатым, когда автоматически включается/отключается вся конденсаторная установка, или многоступенчатым, когда включаются/отключаются отдельные батареи или единичные конденсаторы.

При одноступенчатом АРН на шинах 0, 36 кВ может применяться схема, приведенная на рис. 8.1.

 

 

 


Рис. 8.1 Схема одноступенчатого управления конденсаторной установкой в функции напряжения

На схеме показанs элементы защиты конденсаторной установки: предохранители F1и F2, автоматический выключатель QF.

Так как регулирование осуществляется в функции напряжения, то схема содержит максимальное реле напряжения KV1 и минимальное реле напряжения KV2.

Реле KV1 срабатывает при повышении напряжения на шинах 0, 38 кВ, а реле KV2 – при его снижении. Чтобы автоматика не действовала при кратковременных колебаниях напряжения, управляющие воздействия на контактор КM подаются контактами реле времени КТ1 и КТ2 через t = 15с после срабатывания соответствующего реле времени. Контактор КМ подключает конденсаторную установку к шинам.

SB – кнопочный выключатель.


Поделиться с друзьями:

mylektsii.su - Мои Лекции - 2015-2026 год. (1.047 сек.)Все материалы представленные на сайте исключительно с целью ознакомления читателями и не преследуют коммерческих целей или нарушение авторских прав Пожаловаться на материал