Студопедия

Главная страница Случайная страница

КАТЕГОРИИ:

АвтомобилиАстрономияБиологияГеографияДом и садДругие языкиДругоеИнформатикаИсторияКультураЛитератураЛогикаМатематикаМедицинаМеталлургияМеханикаОбразованиеОхрана трудаПедагогикаПолитикаПравоПсихологияРелигияРиторикаСоциологияСпортСтроительствоТехнологияТуризмФизикаФилософияФинансыХимияЧерчениеЭкологияЭкономикаЭлектроника






Особенности выполнения дифференциальной защиты шин






1. Для правильной работы защиты необходимо чтобы трансформаторы тока всех присоединений имели одинаковые коэффициенты трансформации.

2. Так как трансформаторы тока находятся в неодинаковых условиях, то имеет место большой ток небаланса.

Для уменьшения тока небаланса принимают следующие меры:

-применяют трансформаторы тока класса Д, имеющие не насыщающийся сердечник;

-уменьшают сопротивление соединительных проводов, завышая их сечение.

-дифференциальную схему собирают непосредственно на распределительном устройстве, а к реле протягивают лишь два провода;

-применяют реле с торможением.

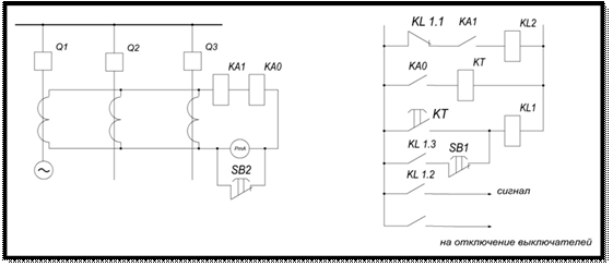
Ложное отключение шин дифференциальной защитой приводить к серьёзной аварии. Под «ложным» имеется ввиду отключение, например, из-за обрыва соединительных проводов. В схеме защиты (рис. 8.5) предусмотрена блокировка, осуществляющая вывод её из действия в случае неисправности токовых цепей. Блокировка осуществляется с помощью токового реле нулевой последовательности КА0, включённого в нейтральный провод цепей защиты. В случае обрыва провода одной из фаз плеча любого присоединения несбалансированный ток фазы, пройдя через нулевой провод, вызовет срабатывание реле КА0, которое подаст «+» на обмотку реле времени КТ. Последнее, сработав, подаст «+» на обмотку промежуточного реле KL1. Это реле самоудерживается через свой нижний замыкающий контакт, а размыкающим (верхним) снимает «+» с контактов токового реле, выводя защиту из действия. Возврат блокировки в исходное положение осуществляется с помощью кнопки SB1.

 

 

 
 

 

 


Рис. 8. 5. Схема защиты с блокировкой

Кроме токового реле КА0, для контроля за исправностью токовых цепей предусмотрен миллиамперметр РА, установленный в нулевом проводе защиты. Нормально кнопка этого прибора зашунтирована кнопкой SB2, которая размыкается при производстве замеров. Эти замеры раз в смену производит оперативный персонал, проверяя не превышает ли ток небаланса допустимую норму.

Недостаток рассмотренной блокировки состоит в том, что она не работает при обрыве соединительных проводов всех трёх фаз. Для исключения этого недостатка в качестве пускового реле используется реле типа РТ-40/Р, каждая обмотка которого включается последовательно с обмоткой реле защиты шин. Эта блокировка будет работать при любом нарушении одного из плеч токовых цепей.

При повреждении на шинах сработает КА1 – токовое реле типа РНТ. Через промежуточное реле KL2 оно действует на отключение выключателей Q1, Q2, Q3. Использование реле с БНТ позволяет лучше отстроиться от токов небаланса и предотвратить ложное срабатывание защиты при внешних КЗ.

Ток срабатывания пусковых токов реле в схеме полной дифференциальной защиты шин выбирается большим по двум условиям:

1) Отстройки от максимального тока нагрузки наиболее нагруженного присоединения, что необходимо для предотвращения ложного срабатывания дифференциальной защиты шин при обрыве токовых цепей:

I сз = к н · I нагр мах,

где к н - коэффициент надёжности, равный 1, 2-1, 3;

2) Отстройки от максимального тока небаланса в дифференциальной защите при внешнем КЗ на одном из присоединений:

I сз = к н · к апер ·I нб расч,

где I нб расч - расчётный ток небаланса; к апер - коэффициент отстройки от апериодической составляющей тока КЗ в переходных режимах (при выполнении защиты на реле РНТ-560 к апер =1; к н =1, 5).

 

Чувствительность пусковых реле защиты должна проверяться при минимальном КЗ на шинах в реальном режиме работы. Коэффициент чувствительности должен быть не меньше 2. В режиме опробования шин коэффициент чувствительности может быть понижен до 1, 5.

 


Поделиться с друзьями:

mylektsii.su - Мои Лекции - 2015-2026 год. (0.928 сек.)Все материалы представленные на сайте исключительно с целью ознакомления читателями и не преследуют коммерческих целей или нарушение авторских прав Пожаловаться на материал