Студопедия

Главная страница Случайная страница

КАТЕГОРИИ:

АвтомобилиАстрономияБиологияГеографияДом и садДругие языкиДругоеИнформатикаИсторияКультураЛитератураЛогикаМатематикаМедицинаМеталлургияМеханикаОбразованиеОхрана трудаПедагогикаПолитикаПравоПсихологияРелигияРиторикаСоциологияСпортСтроительствоТехнологияТуризмФизикаФилософияФинансыХимияЧерчениеЭкологияЭкономикаЭлектроника






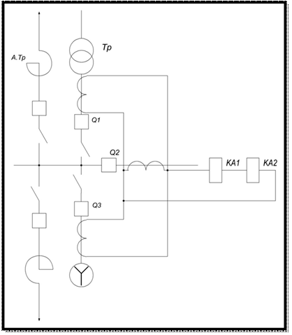
Неполная дифференциальная защита






На электростанциях и подстанциях с реактивными линиями для защиты шин 6-10 кВ применяется неполная дифференциальная защита.

Основное её отличие от полной дифференциальной защиты в том, что она, включается на сумму токов всех источников питания (рис. 8. 6.).

Пусковые органы защиты – реле тока КА1 и КА2 – включены на токи генератора, трансформатора связи с системой и секционного выключателя. Защита шин выполняется обычно в двухфазном исполнении, так как применяется для сетей 6-10 кВ, работающих с изолированной нейтралью.

 

 
 

 

 


Рис. 8. 6. Схема неполной дифференциальной защиты

 

Неполная дифференциальная защита шин с генераторами мощности до 60МВт обычно выполняется двухступенчатой: первая ступень - токовая отсечка, предназначенная для действия при КЗ на шинах; вторая ступень - максимальная токовая защита, предназначенная для резервирования защиты отходящих линий при КЗ за реакторами. При КЗ на соседней секции, в генераторе или трансформаторе защита в действие не приходит, так как в реле при этом будет попадать только ток нагрузки, а ток КЗ в реле не попадёт.

При КЗ за реактором линии в реле защиты проходит ток, равный сумме тока КЗ и тока нагрузки остальных неповреждённых линий данной секции. Для предотвращения срабатывания первой ступени защиты шин в этом случае её ток срабатывания выбирается по следующему условию:

I сз = к н (I к мах + к нагр ·(I н + I н доп)),

где к н - коэффициент надёжности, равный 1, 2;

к нагр - коэффициент нагрузки, учитывающий увеличение тока нагрузки за счёт торможения и самозапуска двигателей вследствие снижения напряжения при КЗ за реактором, принимается равным 1, 2;

I к мах - максимальный первичный ток КЗ при повреждении за реактором защищаемой линии;

I н - суммарный ток нагрузки питаемой линии, присоединённых к защищаемой секции шин при работе всех секций;

I н доп - суммарный дополнительный ток нагрузки линий при отключении одной из секций.

Ток срабатывания второй ступени – максимальной токовой защиты отстраивается от максимального тока нагрузки всех питаемых единых к защищаемой секции. При этом рассматриваются режимы, когда ток нагрузки будет максимальным:

1) После отключения КЗ за реактором одной из питаемых линий, присоединённых к защищаемой секции в том случае, когда её нагрузка была увеличенной в результате отключения другой секции шин:

I сзк н · к нагр ·(I н + I н доп) / к в,

где к в - коэффициент возврата, принимаемый равным 0, 8;

2) В момент переключения от устройств АВР приёмных подстанций нагрузки отключённой секции на защищаемую

I сзк н · ·(I н + к самоз ·I н доп)

где к самоз - коэффициент самозапуска.

Первая ступень защиты шин действует без выдержки времени на отключение всех источников питания, за исключением генераторов, отключение которых осуществляется их токовыми защитами. Вторая ступень защиты действует с выдержкой времени, отстроенной от максимальной выдержки времени защит отходящих линий, на отключение трансформаторов, секционных и шиносоединительных выключателей. Обычно на второй ступени защиты предусматривается также и вторая выдержка времени, с которой она действует на отключение генераторов, подключённых к повреждённой секции шин, если после отключения трансформаторов, секционных и шино-соединительных выключателей КЗ не устранилось.

Чувствительность первой ступени защиты, подсчитанная при металлическом двухфазном КЗ на шинах подстанции, должна быть не меньше 1, 5. Коэффициент чувствительности второй ступени защиты шин, определённый при металлическом двухфазном КЗ за реактором, должен быть не менее 1, 2.

 

Заключение

Из рассмотренного выше можно сделать выводы, что КЗ на шинах в системе электроснабжения могут возникать из-за загрязнения или повреждения шинных изоляторов, втулок выключателей и измерительных трансформаторов тока, а также при ошибочных действиях персонала с шинными разъединителями. Повреждения на шинах маловероятны. Однако, учитывая весьма тяжёлые последствия, к которым эти повреждения могут привести, необходимо иметь защиту, действующую при повреждении шин.

Устройства защиты должно быстро и правильно отключать все короткие замыкания на шинах.

Однако следует не забывать, что может случиться и так, что на подстанции не отключится ни один выключатель и не сработает ни один указатель выходных реле защит, тогда о происшедшем необходимо сообщить диспетчеру и ожидать появления напряжения от энергосистемы. Никаких выключателей, в том числе и выключателей линии потребителей, отключать в данном случае не следует, чтобы не лишать себя возможности подачи напряжения сразу всем потребителям. При появлении напряжения необходимо проверить нагрузку на транзитных линиях и сообщить об этом диспетчеру.

В случае неуспешной попытки диспетчера подать напряжение на подстанцию в целом, очевидно, последует распоряжение об отключении части или всех выключателей РУ. После чего напряжение на шины будет подано по одной из линий, а затем последовательно включены выключатели остальных присоединений. Если при включении какого-либо выключателя обнаружится КЗ необходимо немедленно отключить этот выключатель, не дожидаясь действия защит. Далее следует исходить из того, что отказ защит или привода этого выключателя, возможно, и был одной из причин исчезновения напряжения.

 

РАЗДЕЛ 9

АВТОМАТИЗАЦИЯ УПРАВЛЕНИЯ ЭЛЕКТРОСНАБЖЕНИЕМ.

(в виде презентации)


Поделиться с друзьями:

mylektsii.su - Мои Лекции - 2015-2026 год. (0.407 сек.)Все материалы представленные на сайте исключительно с целью ознакомления читателями и не преследуют коммерческих целей или нарушение авторских прав Пожаловаться на материал