Студопедия

Главная страница Случайная страница

КАТЕГОРИИ:

АвтомобилиАстрономияБиологияГеографияДом и садДругие языкиДругоеИнформатикаИсторияКультураЛитератураЛогикаМатематикаМедицинаМеталлургияМеханикаОбразованиеОхрана трудаПедагогикаПолитикаПравоПсихологияРелигияРиторикаСоциологияСпортСтроительствоТехнологияТуризмФизикаФилософияФинансыХимияЧерчениеЭкологияЭкономикаЭлектроника






Расчет ударного тока короткого замыкания






Ударный ток КЗ - это максимальное мгновенное значение полного тока КЗ, найденное при наиболее неблагоприятных условиях. Ударный ток трехфазного КЗ (i уд) в электроустановках с одним источником энергии (энергосистема или автономный источник) рассчитывают по формуле

, (2)

где - ударный коэффициент, который может быть определен по кривым (Приложение);

Та - постоянная времени затухания апериодической составляющей тока КЗ;

jк - угол сдвига по фазе напряжения или ЭДС источника и периодической составляющей тока КЗ

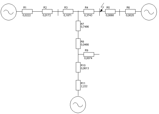
Рис.5 Активная схема замещения СЭС для нахождения ударного тока КЗ

Для того что бы ввести в схему СЭС необходимые активные сопротивления находим из таблиц [1-2] средние отношения (Х/R)СР из которых, в свою очередь находим R.

 



Преобразуем полученную схему (рис.5) аналогично эквивалентной схеме замещения, состоящей из реактивных сопротивлений.

Рис.6 Преобразованная схема замещения СЭС для нахождения ударного тока

R12=R1+R2+R3=0.00223+0.017+0.1871=0.2265

R13=R4=0.3743

R14=R5+R6=0.0068+0.0025=0.0093

R15=R7+R8+R10+R11=0.7486+0.047+0.0612+2.222=3, 078

Рис.7 Схема замещения СЭС для нахождения ударного тока

Преобразуем «звезду» в «треугольник» (рис.7)

По графику КУ [1-2] для соотношений Х/R определяем ударный коэффициент для питающих элементов системы:

Для генератора:

Для системы:

Для синхронного двигателя

Зная ударные коэффициенты, значения токов от питающих элементов системы можем определить ударный ток от этих элементов.

 

Полный ударный ток в точке КЗ определяется по формуле:

Ударный ток в именованных единицах:

i y. кА= iY *5.02=46.66 кА.


Поделиться с друзьями:

mylektsii.su - Мои Лекции - 2015-2026 год. (0.645 сек.)Все материалы представленные на сайте исключительно с целью ознакомления читателями и не преследуют коммерческих целей или нарушение авторских прав Пожаловаться на материал