Студопедия

Главная страница Случайная страница

КАТЕГОРИИ:

АвтомобилиАстрономияБиологияГеографияДом и садДругие языкиДругоеИнформатикаИсторияКультураЛитератураЛогикаМатематикаМедицинаМеталлургияМеханикаОбразованиеОхрана трудаПедагогикаПолитикаПравоПсихологияРелигияРиторикаСоциологияСпортСтроительствоТехнологияТуризмФизикаФилософияФинансыХимияЧерчениеЭкологияЭкономикаЭлектроника






Построение схем различных последовательностей






 

Несимметричное короткое замыкание относится к случаю поперечной несимметрии – это замыкание одной (или нескольких) из фаз на землю (нулевой провод). Расчет несимметричных КЗ следует проводить с приведением расчетной схемы к одной ступени напряжения, а ее параметры должны быть выражены в относительных единицах, приведенных к расчётным базисным величинам.

В данной курсовой работе для расчета несимметричного короткого замыкания используется метод симметричных составляющих. Он заключается в разложении несимметричной системы векторов на три симметричных составляющих: прямой, обратной и нулевой последовательностей. Каждой из этих систем соответствует своя схема замещения.

Однофазное КЗ является наиболее распространенным из всех видов поперечной несимметрии, а в некоторых случаях может оказаться даже опаснее трехфазного КЗ.

Схема прямой последовательности (рис.12) соответствует схеме для расчета трехфазного КЗ в этой точке на стороне ВН (в примере Uн = 110 кВ).

а) б)

Рис.12 Схемы замещения прямой последовательности для расчёта тока НКЗ

 

Для дальнейшего расчета схему (рис.12, а) следует преобразовать к виду (рис.12, б):

Схема обратной последовательности соответствует схеме (свернутой) прямой последовательности в которой отсутствуют все источники ЭДС.

а) б)

Рис.13 Схемы замещения обратной последовательности для расчёта тока НКЗ

 

Х=Х”=0, 2851

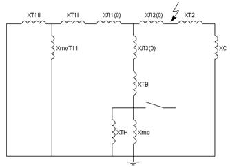
Схема нулевой последовательности составляется с учетом способа соединения фаз образующих ее элементов. Двухобмоточный трансформатор будет входить в схему замещения в зависимости от конструкции магнитопровода и группы соединения оьмоток (в данном примере – полностью всеми обмотками). Автотрансформатор и трехобмоточный трансформатор в схему входит аналогично двухобмоточному, только одна из его обмоток всегда заземлена (в примере – войдут только обмотки высокого и низкого напряжения). Параметры линии также определяются ее конструкцией (это моделируется изменением коэффициента d). В данном примере все двухцепные линии с грозозащитным тросом имеют d2= d3=4, 7, а без него - d1=5, 5. Из-за способа соединения обмоток в схеме отсутствуют xГ, xСД, и xТС

а) б)

Рис.14 Схемы замещения нулевой последовательности для расчёта тока НКЗ

 

Найдем сопротивления нулевой последовательности:

ХЛ1(0)= d1•ХЛ1=5, 5•0, 7485=4, 117,

ХЛ2(0)= d2•ХЛ2=4, 7•1, 497=7, 036,

ХЛ3(0)= d3•ХЛ3=4, 7•2, 995=14, 08;

ХТ2=0, 1834, ХТ1=0, 3438; ХТВ=0, 7915, ХТН=1, 042, ХС=0, 125

Рис.15 Преобразование схемы замещения нулевой последовательности для расчёта тока НКЗ

 

Результаты расчета для примера:

Х1(0)= ХТ1+ ХЛ1(0)= 0, 3438+4, 117=4, 461

Х2(0)= ХЛ2(0)=7, 036

Х3(0)= ХТ2С=0, 3084

Х4(0)=ХЛ3(0)ТВТН=14, 07+0, 7915+1, 042=19, 32

Х5(0)= ((Х1(0)* Х4(0))/(Х1(0)+ Х4(0)))+Х2(0)=10, 66

Х=(Х5(0)* Х3(0))/(Х5(0)+ Х3(0))=0, 2997

 


Поделиться с друзьями:

mylektsii.su - Мои Лекции - 2015-2026 год. (0.707 сек.)Все материалы представленные на сайте исключительно с целью ознакомления читателями и не преследуют коммерческих целей или нарушение авторских прав Пожаловаться на материал