Студопедия

Главная страница Случайная страница

КАТЕГОРИИ:

АвтомобилиАстрономияБиологияГеографияДом и садДругие языкиДругоеИнформатикаИсторияКультураЛитератураЛогикаМатематикаМедицинаМеталлургияМеханикаОбразованиеОхрана трудаПедагогикаПолитикаПравоПсихологияРелигияРиторикаСоциологияСпортСтроительствоТехнологияТуризмФизикаФилософияФинансыХимияЧерчениеЭкологияЭкономикаЭлектроника






Неравномерность подачи поршневых насосов






По условию неразрывности потока несжимаемой жидкости можно записать, что мгновенная подача насоса равна:

,

где F и V - площадь и скорость поршня, а индексами «в» и «н» обозначены соответствующие величины в подводящем и напорном трубопроводах.

Из уравнения неразрывности и рисунка 6.13 следует, что мгновенная подача насоса представляет собой синусоиду

На рисунке 6.14 представлена схема и график подачи однопоршневого насоса одностороннего действия, из которого видно, что за ход нагнетания мгновенная подача изменяется от нуля (при ) до (при ) и снова падает до нуля (при )

Рисунок 6.14

Неравномерность подачи насоса можно оценить сравнением максимальной подачи со средней - это отношение называется коэффициентом неравномерности подачи:

где средняя подача - это высота прямоугольника, равновеликого площади синусоиды мгновенной подачи за один оборот кривошипа

Площадь синусоиды соответствует объему, описываемому поршнем за один ход:

так как а , то

Следовательно:

,

т.е. QCP соответствует идеальной подаче со средней скоростью движения поршня. Коэффициент неравномерности подачи однопоршневого насоса одностороннего действия равен

,

т.е. максимальная мгновенная подача в 3, 14 раза больше средней подачи.

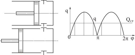
Рассмотрим график подачи двухпоршневого насоса одностороннего действия (рисунок 6.15а). У такого насоса для обеспечения более равномерной подачи необходимо сдвинуть поршни на ход, т.е. кривошипы должны иметь сдвиг на 180.

Тогда степень неравномерности подачи составит:

Для однопоршневого насоса двухстороннего действия (рисунок 6.15б) степень неравномерности подачи , так как средняя подача составляет меньше, чем у предыдущего

Рисунок 6.15a

График подачи трехпоршневого насоса изображается в виде трех синусоид, сдвинутых относительно друг друга на 120 (рисунок 6.16)

Рисунок 6.15б

 

Для получения суммарной мгновенной подачи необходимо сложить ординаты синусоид на участках, где они накладываются друг на друга.

Степень неравномерности подачи равна (при или при )

График подачи насоса, имеющего четыре рабочих камеры строится из условия, что кривошипы двух цилиндров расположёны под 90 рисунок 6.17

После получения суммарной мгновенной подачи (верхняя линия на графике рисунка 6.17) определяем степень неравномерности подачи (максимум мгновенной подачи при )

Рисунок 6.16

Рисунок 6.17

Сравнение степени неравномерности подачи поршневых насосов стремя и четырьмя камерами показывает преимущества нечетного числа камер. Так повторяется и при дальнейшем увеличении числа камер. Дальнейшее увеличение числа рабочих камер усложняет конструкцию и мало влияет на уменьшение степени неравномерности подачи. Поэтому больше пяти камер у стационарных насосов не делают.

 


Поделиться с друзьями:

mylektsii.su - Мои Лекции - 2015-2026 год. (2.296 сек.)Все материалы представленные на сайте исключительно с целью ознакомления читателями и не преследуют коммерческих целей или нарушение авторских прав Пожаловаться на материал