Студопедия

Главная страница Случайная страница

КАТЕГОРИИ:

АвтомобилиАстрономияБиологияГеографияДом и садДругие языкиДругоеИнформатикаИсторияКультураЛитератураЛогикаМатематикаМедицинаМеталлургияМеханикаОбразованиеОхрана трудаПедагогикаПолитикаПравоПсихологияРелигияРиторикаСоциологияСпортСтроительствоТехнологияТуризмФизикаФилософияФинансыХимияЧерчениеЭкологияЭкономикаЭлектроника






Тема 3.2. Обработка деталей на станках токарной группы






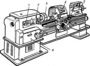
(3-х кулачковый патрон).

На токарных станках можно выполнять самые разнообразные работы: обтачивать и растачивать наружные и внутренние цилиндрические, конические и фасонные поверхности вращения, прорезать канавки, подрезать торцы, нарезать крепежные и ходовые резьбы, сверлить, зенкеровать, зенковать, развертывать отверстия и др. Для станков токарной группы основным инструментом являются резцы, для обработки отверстия — сверла, зенкеры, развертки, а для нарезания резьбы — резцы, метчики и плашки.

К станкам токарной группы можно отнести: токарные, токарно-винторезные, карусельные, многорезцовые, токарно-револьверные, токарные автоматы, полуавтоматы и др.

Токарно-винторезный станок универсальный, так как применяется для выполнения самых разнообразных токарных работ. Наиболее распространены токарно-винторезные станки, на которых обрабатываются всевозможные поверхности вращения, отверстия и резьбы.

 

 

Рис. Заготовка на станке устанавливается в центрах или закрепляется на шпинделе в патроне 3 и приводится во вращение. В резцедержателе суппорта 4 закрепляются резцы, а в конус пиноли задней бабки 5 вставляются инструменты для обработки отверстий — сверла, зенкеры, развертки.

Шпиндель обычно имеет различное число оборотов. Устанавливают число оборотов поворотом рукояток 1 и 2 коробки скоростей. Коробка подач 6 с соответствующими рукоятками позволяет набирать различные величины продольных и поперечных подач.

Карусельный станок используется для обработки крупных деталей большого диаметра. На них обтачивают и растачивают цилиндрические, конические и фасонные поверхности, производят подрезку торцов.

Многорезцовые токарные станки позволяют обрабатывать детали, например ступенчатые валы или диски, одновременно несколькими резцами. Большое распространение они получили в массовом производстве.

Револьверные станки используются главным образом для обработки некрупных деталей сложной конфигурации. На рис.2. приведен пример чертежа типовой детали, формообразование которой производится на станках токарной группы.

Резец (рис.).

Основные элементы токарного резца: верхняя передняя поверхность 1, по которой сходит стружка; главная режущая кромка 2; боковая поверхность 3, которая в пересечении с передней поверхностью 1 образует режущую кромку; вспомогательная боковая поверхность 4; вспомогательная режущая кромка 5 и вершина 6.

Резцы изготовляют из быстрорежущих сплавов или оснащают пластинками из различных твердых сплавов: ВК2, ВК6, ВК8, Т5К1, Т14К8, Т15К6 и др.

Российские ученые получили новые инструментальные материалы, названные минералокерамическими твердыми сплавами: термокорунд (ЦВ) и микролит (ЦМ). Из них изготовляют пластинки, например, марок ЦВ-13, ЦВ- 18 и ЦВ-332, которые используют в качестве заменителя быстрорежущей стали и твердого сплава.

Пластинки бывают разной конфигурации и прикрепляются к резцам припаиванием либо механическим путем. Стандарт ГОСТ 2209-82 устанавливает 38 форм пластинок.

Большое применение получили резцы с державкой 1 и многогранными неперетачиваемыми пластинками 2, предназначенные для обработки стали и чугуна (рис.4).

На рис. дан токарный резец,

состоящий из оправки 1, винта 3, прихвата 4 и державки 5, оснащенный кристаллом 2 твердого кубического нитрида бора — синтетического материала, который по некоторым свойствам может соперничать с алмазом. В зависимости от условий получения кубический нитрид бора называют еще эльбором, кубонитом или боразоном.

 

 

Раздел 3. Слесарные работы


Поделиться с друзьями:

mylektsii.su - Мои Лекции - 2015-2026 год. (1.365 сек.)Все материалы представленные на сайте исключительно с целью ознакомления читателями и не преследуют коммерческих целей или нарушение авторских прав Пожаловаться на материал