Студопедия

Главная страница Случайная страница

КАТЕГОРИИ:

АвтомобилиАстрономияБиологияГеографияДом и садДругие языкиДругоеИнформатикаИсторияКультураЛитератураЛогикаМатематикаМедицинаМеталлургияМеханикаОбразованиеОхрана трудаПедагогикаПолитикаПравоПсихологияРелигияРиторикаСоциологияСпортСтроительствоТехнологияТуризмФизикаФилософияФинансыХимияЧерчениеЭкологияЭкономикаЭлектроника






ДПТ с НВ. Основные уравнения. Механические характеристики






 

К основным уравнениям, описывающих работу ДПТ с НВ, на основании которых можно получить уравнения механических характеристик в различных режимах относятся функции: , .

1) - зависимость вращающего электромагнитного момента двигателя от тока в силовой цепи ЭД (цепь якоря).

2) - зависимость ЭДС , наведенной в якорной цепи, от угловой скорости вращения якоря .

1) Необходимо помнить, что в существующих электрических машинах моментообразующими являются ток в силовой цепи и основной магнитный поток.

(14)

где - конструктивная постоянная ЭД;

- основной магнитный поток, созданный обмоткой возбуждения;

- ток якоря, который зависит от механической нагрузки на валу двигателя.

 

Уравнение (14) подчиняется правилу левой руки. Для ДПТ как модуль, так и направление векторов и являются очевидными. Направление вектора определяется геометрическим расположением щеток, направление вектора геометрическим расположением главных магнитных полюсов машины.

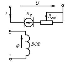
Рис.12 Принципиальная схема ДПТ с НВ

 

2) Уравнение зависимости ЭДС выглядит следующим образом:

(15)

Уравнение (15) подчиняется правилу правой руки.

Напряжение, приложенное к зажимам якорной цепи:

(16)

Сопротивление цепи якоря:

где - сопротивление обмотки якоря.

Тогда:

,

В этом уравнении:

,

,

.

Тогда:

,

где - угловая скорость идеализированного холостого хода;

- перепад скоростей

Из уравнения (14) нетрудно убедиться, что:

Тогда:

,

Уравнение электромеханической или скоростной характеристики:

(17)

уравнение механической характеристики:

(18)

 

 


Поделиться с друзьями:

mylektsii.su - Мои Лекции - 2015-2026 год. (1.171 сек.)Все материалы представленные на сайте исключительно с целью ознакомления читателями и не преследуют коммерческих целей или нарушение авторских прав Пожаловаться на материал