Студопедия

Главная страница Случайная страница

КАТЕГОРИИ:

АвтомобилиАстрономияБиологияГеографияДом и садДругие языкиДругоеИнформатикаИсторияКультураЛитератураЛогикаМатематикаМедицинаМеталлургияМеханикаОбразованиеОхрана трудаПедагогикаПолитикаПравоПсихологияРелигияРиторикаСоциологияСпортСтроительствоТехнологияТуризмФизикаФилософияФинансыХимияЧерчениеЭкологияЭкономикаЭлектроника






Введення в експлуатацію






 

 
 

Програмування перетворювача 8200 Tmd

 

Меню параметрів приведені в таблиці П2.4

Таблиця П2.4

Код Параметр Діапазон значень Примітки  
Lenze Доступні значення    
C00 Введення пароля   0 999 Видний при активному паролі (див. С94)  
С01 Задання частоти   0-0- Аналоговий вхід (клема 8, С34) 1-1- Код с40 Керування - клеми Програмування - пульт Моніторинг - LECOM  
            2 - Аналоговий вхід (клема 8, С34) Керування - клеми Програмування - пульт/ LECOM Моніторинг - LECOM  
            3 - LECOM Керування - LECOM Програмування - LECOM / пульт Моніторинг - LECOM  
            4-4- Аналоговий вхід (клема 8, С34) 5-5- Код с40 Керування - клеми Програмування - віддалений пульт Моніторинг - віддалений пульт  
            6-6- Аналоговий вхід (клема 8, С34) 7-7- Код с40 Керування - віддалений пульт Програмування - віддалений пульт Моніторинг - віддалений пульт  
            8-8- Аналоговий вхід (клема 8, С34) 9-9- Код з40 Керування - клеми Програмування - МосІЬив / пульт Моніторинг - МосІЬив  
            10- Аналоговий вхід (клема 8, С34) 11- Код с40 Керування - МосІЬив Програмування - МосІЬив / пульт Моніторинг - МосІЬив  
        При З01 = 1, 5, 7, 9 або 11 - використовуйте код з40 для завдання швидкості При С01 = 3(LECOM), команда завдання швидкості записується в З46  
С02 Повернення до налаштувань Lenze   0 - Не активований С02 = 1...4 тільки при OFF або Inh C02 = 2: С11, С15 = 60Гц  
            1 - Повернення до настроювань 50 Гц      
            2 - Повернення до настроювань 60 Гц      
            3 - Настроювання постачальника      
            4 - Передача параметрів      
        Якщо в перетворювач установити ЕРМ модуль із іншого привода, що має більше стару версію ПО, то установка С02 = 4 конвертує дані в поточну версію  
СЕ1 Конфігурація цифрового входу Е1   1-1- фікс. швидкість 1 (і001) 2-2- фікс. швидкість 2 (і002) Використовуйте С37..С39 для настроювання швидкостей, Обидва входи = HIGH = JOG3  
            3 - динамічне гальмування Див. С36  
            4 - напрямок обертання LOW по ч.с. HIGH проти ч.с.  
            5 - Швидка зупинка Установите інтенсивність у З13 і з03  
СЕ2 Конфігурація цифрового входу Е2   6-6- обертання по ч.с. 7-7- обертання проти ч.с. Обидва термінали = LOW - «Швидка зупинка»  
            8-8- UP (збільшення значення З46) 9-9- DOWN (зменшення значення З46) UP і DOWN=LOW: - ф-ія «Швидка зупинка», Використовуйте NC контакти  
            10 - «Аварія» - установка 0 - вкл. тригера " EEr", активний низький рівень. Можна використовувати NC контакти термодатчика мотора  
СЕ3 Конфігурація цифрового входу Е3   11 -«Аварія»- скидання Див. с70  
            12 - Прискорення / с 2 Див. с01 і с03  
            13 - Деактивація ПІ-регулятора Заборона функції ПІ-регулятора для ручного керування  
            14- фікс. швидкість 1 з ПІ-регулятором 15- фікс. швидкість 2 з ПІ-регулятором Використовуйте С37..С39 для налаштування швидкостей, Обидва входи = HIGH = JOG3  
Код Параметр Діапазон значень Примітки Код  
        Помилка конфігурації CFG може виникнути при наступних подіях: - Два входи мають однакове значення - Одному входу привласнене значення UP, значення DOWN не привласнене ні якому іншому.
С08 Конфігурація релейного виходу   0 - готовність перетворювача 1 - несправність 2 - двигун обертається 3 - двигун обертається по ч.с. 4 - двигун обертається проти ч.с. 5 - вихідна частота = 0 Гц 6 - вийшов на задану частоту 7 - перевищення (С17) порога 8 - досягнення струмової межі 9 - Сигнал зворотного зв'язка перебуває в межах min/max (с146, с147) 10 - Сигнал зворотного зв'язка перебуває в межах min/max (с146, с147) При настанні обраної події контакти К14 замикаються
С09 Адреса в мережі   1.……………………………..247  
С10 Мінімальна вихідна частота 0.0 0 (Гц) 240 Вихідна частота при 0% аналогового завдання. С10 не враховується в режимах JOG
Код Параметр Діапазон значень Примітки Код
С11 Максимальна вихідна частота 50.0 7, 5 (Гц) 240 Вихідна частота при 100% аналоговому завданні
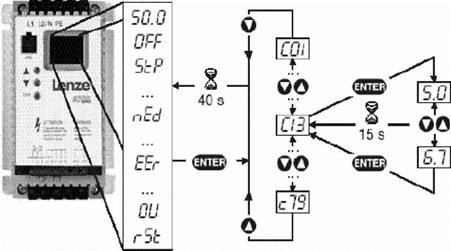
С12 Час розгону 1 5.0 0 (с) 999 С12 Зміну частоти від 0 Гц до С11 С13 Зміну частоти від С11 до 0 Гц із82 визначає нелінійність кривої розгону
С13 Час із 1 5.0 0 (с) 999    
С14 Закон керування V/1   0 - лінійна характеристика з автоматичним вибором пускової напруги 1 - квадратична характеристика з автоматичним вибором пускової напруги 2 - лінійна характеристика з постійною пусковою напругою Vmin 3 - квадратична характеристика з постійною пусковою напругою Vmin Для стандартного застосування     Для вентиляторів і насосів
С15 Базова частота V/f характеристики 50.0 25 (Гц) 999 установите значення номінальної частоти мотора для стандартних застосувань
С16 Vmin boost Напруга в момент пуску двигуна 4.0 або 6.0 0 (%) 40 Оптимізує момент на низької швидкості встановіть після запуску: ненавантажений мотор обертається на f = 5Гц, збільшуйте С16 поки струм мотора (С54) стане приблизно рівним: 0, 8 х номінальний струм мотора
C17 Поріг частоти Qmin 0.0 0 (Гц) 240 Див. С08 і з17 значення 7
С18 Частота модуляції   0 4 кГц Автоматичний перехід на 4 кГц при зростанні струму до 1.2 Iном Вище частота, менше шум двигуна
1 6 кГц
2 8 кГц
3 10 кГц
Код Параметр Діапазон значень Примітки Код
С21 Компенсація ковзання (твердість) 0.0 0 (%) 40 Змінюйте С21 доти, поки швидкість двигуна на холостому ходу відрізняється від швидкості під навантаженням
С22 Обмеження вих. струму ПЧ   30 (%) 150 від номінального струму перетворювача При досягненні межі, збільшується час розгону або знижується вихідна частота При С90 = 2, МАХ значення = 180
С24 Прискорений розгін 0, 0 0.0 (%) 20.0 Активно тільки під час розгону
С31 Зона нечутливості аналогового входу   0 Активно С31 = 0 активує зону нечутлив. аналогового входу. Якщо рівень сигналу нижче границі, то вихідна частота = 0Гц, і на дисплеї БТР
1 Не активно
С34 Конфігурація аналогового входу   0 0...10 В При С34 = 4 і сигналі менше 2мА помилка Sd
1 0...5 В
2 0...20 мА
3 4...20 мА
4 4...20 мА з моніторингом
С36 Рівень напруги при гальмуванні постійним струмом (DCB) 4.0 0 (%) 50 Див. РЄ1..РЄ3 і з06 Уточните можливість експлуатації мотора в режимі гальмування постійним струмом
С37 Фіксована швидкість 1 (JOG1) 20.0 0 (Гц) 240 При активному Пі-регуляторі (038), С37..С39 є завданнями для Пі-регулятора
С38 Фіксована швидкість 2 (JOG2) 30.0 0 (Гц) 240
С39 Фіксована швидкість 3 (JOG3) 40.0 0 (Гц) 240
С46 Задана частота   0 (Гц) 240 Показ: Завдання частоти через аналоговий вхід або функцію иР/РО\Л/Ы
С50 Індикація вихідної частоти   0 (Гц) 240 Показ
С53 Індикація напруги ланки постійного струму   0 (%) 255 Показ
З54 Індикація струму двигуна   0 (%) 255 Показ
З59 ПІ - регулятор   с86 (%) с87 Показ
C70 Пропорційна складова 5.0 0.0 (%) 99.9  
C71 Інтегральна складова 0.0 0.0 (%) 99.9  
С90 Вибір вхідної напруги   0 авто Автоматичний вибір
1 LOW 200 або 400 В вхід
2 HIGH 240 або 480 В вхід
С94 Пароль користувача   0 999 0 - немає пароля Якщо З94 не 0 те необхідне уведення пароля в З00 для доступу до всіх параметрів настроювання
С99 Версія ПО перетворювача     Показ, формат
с01 Час розгону 2 5.0 0 (с) 999 Активація РЄ1..РЄ3 с01 Зміна частоти від 0 Гц до С11 с03 Зміна частоти від С11 до 0 Гц с82 визначає нелінійність кривої розгону
с03 Час із 2 5.0 0 (с) 999
с06 Час гальмування постійним струмом (Auto-DCB) 0.0 0 (с) 999 Гальмування постійним струмом при зменшенні частоти нижче 0, 1 Гц у плині заданого часу
с08 Масштаб аналогового виходу 100.0 0 999 10VDC виходу 62 еквівалентно значенню з11
с11 Конфігурація аналогового виходу 62   0 немає  
1 вих. частота 0 - 10 VDC Використ. с08 для масштабування: Приклад: з11 = 1 і з08 = 100 50Гц, клема 62 = 5УЕС 100Гц, клема 62 = 10УЕС
2 вих. частота 2 - 10 VDC
3 струм навантаження 0 - 10 VDC
4 струм навантаження 2 - 10 VDC
5 динамічне гальмування
с17 Конфігурація цифрового виходу (А1)   0 - готовий 1 - помилка 2 - двигун обертається 3 - двигун обертається по ч.с. 4 - двигун обертається проти ч. с. 5 - вих. частота = 0 Гц 6 - частота досягла уставки 7 - поріг (С17) перевищений 8 - струм досяг максимуму 9 - Сигнал зворотного зв'язка перебуває в межах min/max (d46, d47) 10 - Сигнал зворотного зв'язка перебуває в межах min/max (d46, d47)  
с20 I t2 Тепловий захист двигуна   30 (%) 100 від номінального струму перетворювача ОС6 при тривалому перевищенні з20 Коректне настроювання = струм двигуна / струм перетворювача х 100%
Приклад: мотор = 6, 4А, Привод = 7А, коректне настроювання = 6, 4/7, 0=0, 91 х 100% = 91% Макс. значення - номінальний струм двигуна. Не забезпечує повний захист двигуна
с25 Швидкість передачі даних   0 LECOM: 9600 bps Modbus: 9600, 8, N, 2 1 LECOM: 4800 bps Modbus: 9600, 8, N, 1 2 LECOM: 2400 bps Modbus: 9600, 8, E, 1 3 LECOM: 1200 bps Modbus: 9600, 8, O, 1 Див. З01 LECOM при C01 = 0..3 Modbus при C01 = 8..11
с38 Реальне завдання Пі-регулятора   с86 c87 Показ
с40 Завдання частоти кнопками ^ і Ў або через ModBus 0.0 0 (Гц) 240 Можливо лише коли З01 установлена у відповідне положення
с42 Умова пуску двигуна   0 Пуск після переходу low high на клемі 28 1 Автопуск, якщо на клемі 28= high Див. також з70
с60 Вибір режиму для з61   0 Індикація тільки с60 = 1 дозволяє міняти частоту (с40) кнопками ▲ і ▼ при індикації с61
1 Індикація й виправлення
с61 Поточний стан   Індикація стану / помилок привода  
с62 Остання помилка    
с63 Передостання помилка  
с70 Реле несправності, зняття блокування   0 Зняття блокування після переходу LOW HIGH на клемі 28, відключенні ПЧ від мережі, " Аварія скидання" = 1 (див. СE1..3)  
1 Автоматичне зняття блокування через час C71
с71 Час зняття блокування 0.0 0 (с) 60  
с78 Лічильник часу роботи   Сумарний час роботи в режимі «Пуск» 0...999 год: формат ххх 1000...9999 год: формат х.хх (х1000) 10000...99999 год: формат хх.х (х10000)
с79 Лічильник часу включення   Повний час роботи в мережі  
с81 Завдання Пі-регулятора 0.0 с86 з87  
с82 Нелінійність розгону/ з 0.0 0.0 (с) 50.0 с82 = 0 - лінійний розгін / з с82 > 0 - розгін по Б профілі для більше плавної роботи
с86 Min. зворотного зв'язка 0.0 0.0 999 Виберіть сигнал зворотного зв'язка в С34 Якщо зворотний зв'язок позитивний, то встановіть з86 > c87
с87 Max. зворотного зв'язка   0.0 999
d25 Час розгону / із для Пі-регулятора 5.0 0.0 (с) 999  
d38 Режим Пі-регулятора   0 Не активний  
1 Регулятор активний, нормальний вплив Якщо зворотний зв'язок (клема 8) перевищує завдання, то швидкість зменшується
2 Регулятор активний, зворотний вплив Якщо зворотний зв'язок (клема 8) перевищує завдання, то швидкість зменшується
d46 Поріг мінімуму зворотного зв'язка 0.0 0.0 999 Див. З08 і з17, значення 9 і 10
d47 Поріг максимуму зворотного зв'язка 0.0 0.0 999    
n20 Стан LECOM при включенні привода   0 Швидка зупинка  
            1 Блокування ПЧ    
n22 Дія по закінченні часу опитування послідовного порту (клеми 71, 72)   0 Не активно Вибір реакції перетворювача на закінчення часу опитування
            1 Блокування ПЧ    
            2 Швидка зупинка    
            3 Вивід повідомлення про помилку «РС3»    
n23 Час опитування   50 (мс) 65535 Установите час опитування послідовного порту (клеми 71, 72)
             

 


Поделиться с друзьями:

mylektsii.su - Мои Лекции - 2015-2026 год. (1.678 сек.)Все материалы представленные на сайте исключительно с целью ознакомления читателями и не преследуют коммерческих целей или нарушение авторских прав Пожаловаться на материал