Студопедия

Главная страница Случайная страница

КАТЕГОРИИ:

АвтомобилиАстрономияБиологияГеографияДом и садДругие языкиДругоеИнформатикаИсторияКультураЛитератураЛогикаМатематикаМедицинаМеталлургияМеханикаОбразованиеОхрана трудаПедагогикаПолитикаПравоПсихологияРелигияРиторикаСоциологияСпортСтроительствоТехнологияТуризмФизикаФилософияФинансыХимияЧерчениеЭкологияЭкономикаЭлектроника






Умова роботи. Моделювання системи автоматизації вентиляції






Нестерук Антон

Варіант 17

Лабораторна робота №4

Моделювання системи автоматизації вентиляції

І теплообміну на ТОУ тваринницька ферма

Мета роботи: скластиструктурну схема автоматичної системи регулювання із передаточної функції об’єкту управляння по керуючій дії, передаточної функції автоматичного керуючого пристрою, передаточної функції підсилювача з виконавчим механізмом, передаточної функції по каналу збурення.

Хід роботи

Рис. 1. Структурна схема автоматичної системи регулювання

 

Умова роботи

Встановити ПІД регулятор на моделі опалення і вентиляції тварин­ницької ферми. Завдання для моделі брати по виконаному раніше варіанту. Задати коефіцієнти по каналах вхідного сигналу інтегрування і і диференціювання вхідного сигналу відповідно: 1, 1, 0. Значення завдань для вхідних параметрів взяти для каналу температури – 15 градусів С, для каналу вологовмісту – 8, 5 г/кг сухого повітря. Встановити збурення для каналу температури -5 градусів від заданого значення температури зовнішнього повітря і для каналу вологовмісту + 1г/кг сухого повітря від заданого значення вологовмісту зовнішнього повітря. Вивести на екран осцилографа криві зміни температури або вологовмісту в приміщенні – у(t), похибки регулювання Dу(t), значення вхідного параметру до підсилення х(t) і на дисплей кінцеве значення витрат енергії або повітря після закінчення регулювання.

 

Рис. 1. Схема моделі регулювання системи опалення ТОУ тваринницька ферма в блоках Simulink MATLAB

 

Рис.2.-a) Графік перехідного процесу САР температури повітря ферми (Scope)

 

 

 

Рис.2.-b) Графік вихідного параметру регулятора без підсилення і похибки регулювання по каналу температури (Scope1)

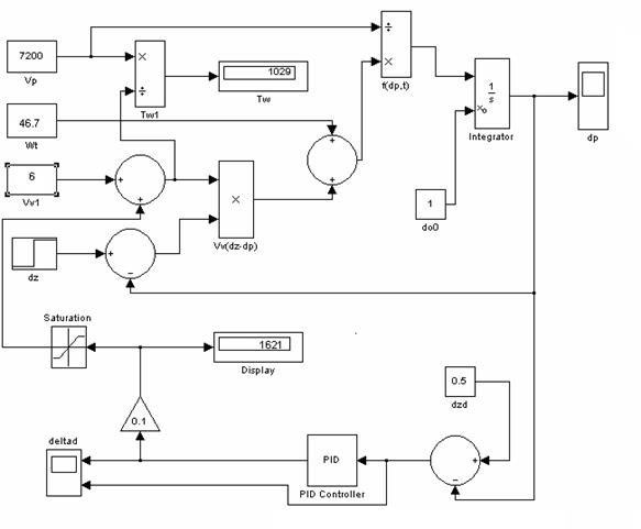
Рис. 3. Схема моделі регулювання системи вентиляції ТОУ тваринницька ферма в блоках Simulink MATLAB

 

 

 

Рис.4-a). Графік перехідного процесу САР вологовмісту повітря ферми (dp)

 

 

Рис.4.-b) Графік вихідного параметру регулятора без підсилення і похибки регулювання по каналу вологовмісту (deltad)

 

 

Висновок: Під час цієї лабораторної роботи, я навчився створювати і керувати типовим об’єктом управління, тваринницьку ферму. Склаластруктурну схема автоматичної системи регулювання із передаточної функції об’єкту управляння по керуючій дії, передаточної функції автоматичного керуючого пристрою, передаточної функції підсилювача з виконавчим механізмом, передаточної функції по каналу збурення.


Поделиться с друзьями:

mylektsii.su - Мои Лекции - 2015-2026 год. (3.186 сек.)Все материалы представленные на сайте исключительно с целью ознакомления читателями и не преследуют коммерческих целей или нарушение авторских прав Пожаловаться на материал