Студопедия

Главная страница Случайная страница

КАТЕГОРИИ:

АвтомобилиАстрономияБиологияГеографияДом и садДругие языкиДругоеИнформатикаИсторияКультураЛитератураЛогикаМатематикаМедицинаМеталлургияМеханикаОбразованиеОхрана трудаПедагогикаПолитикаПравоПсихологияРелигияРиторикаСоциологияСпортСтроительствоТехнологияТуризмФизикаФилософияФинансыХимияЧерчениеЭкологияЭкономикаЭлектроника






ЗаттыҢ шыҒынын жӘне деҢгейін реттеу объектілерін автоматтандыру






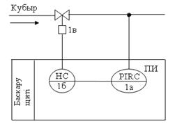
Тоқ ыма ө неркә сібінің технологиялық схемаларында сұ йық, газ, бу жә не басқ а да заттар ө тетін қ ұ бырлар жә не соларғ а сә йкес жинақ тағ ыштар кең інен қ олданылады. Қ ұ бырлар мен жинақ тағ ыштар тоқ ыма ө неркә сібін автоматтандыруда кең тарағ ан реттеу объектілері болып табылады. 22.1 суретте газ, сұ йық, будың шығ ынын автаматты реттеу жү йесі кө рсетілген. Мұ ндағ ы реттеу объектісі болып шығ ын датчигі 1а мен реттеу клапанының арасындағ ы қ ұ быр саналады. Объектінің инерциалылығ ы аз болғ андық тан кү шейткіш буынғ а жатқ ызамыз. Жалпы динамикалық сипаттама шығ ын датчигі мен реттеу органының динамикалық қ асиетімен сипатталады. Қ озу ә серіне ағ ын қ арқ ындылығ ы жатады.

Автоматты реттеу жү йесінде сигнал шығ ын датчигінен 1а изодромды реттеу заң дылығ ымен кө рсеткіш, ө здігінен жазатын реттеуішке тү седі. Реттеу ә сері қ ашық тық тан басқ ару панелі 1в арқ ылы реттеу клапанының жағ дайын мембранды орындау механизмімен 1г ө згертеді. Шығ ынның шамасы реттеу клапанының ашылу дең гейіне байланысты ағ ынды дроссельдеу дең гейімен анық талады. Басқ ару панелі 1в арқ ылы автоматты реттеуден қ олмен реттеуге жә не керсінше ө туге болады. Пропорционалды-интегралдық реттеу заң дылығ ын қ олдану астатикалық реттеу процессін, яғ ни қ алдық сыз ауытқ у процессін жү зеге асырады.

Сурет 12.2. Шығ ынды автаматты реттеу жү йесі

 

12.2-суретте қ ұ быр арқ ылы тасымалданатын сұ йық, бу немесе газдың қ ысымын Автоматы реттеу жү йесі кө рсетілген. Объектінің динамикалық қ асиеті жә не реттеу жү йесі қ арастырылғ ан шығ ынның АРЖ-ндегідей. Схеманың ерекшелігі тек аппараттар қ ұ рамында ғ ана. Қ ысым іріктеу қ ұ рылғ ысы арқ ылы кө рсеткіш, ө здігінен жазатын реттеуіші бар монометрге 1а изодромды реттеу заң дылығ ымен тү седі. Реттеу ә сері басқ ару панелі 1б арқ ылы реттеуші органғ а 1в тү седі.

Сурет 12.3.

12.3-суретте сусымалы заттардың шығ ынының автоматты реттеу жү йесі кө рсетілген. Реттеу объектісіне берілген жылдамдық пен қ озғ алатын массаө лшейтін датчигі бар таспалы транспортер жатады. Транспортерде уақ ыттың ә р моментінде ө німнің берілген мө лшері болуы керек. Бұ л реттеу объектісінің динамикалық қ асиеті таза кешігуі бар интегралдаушы буынғ а жатады. Қ озу ә серіне бункерден таспағ а тү сетін ө нім шығ ынының ө згерісі жатады.

Реттеу схемасына сә йкес таспалы транспортердің массаө лшеу датчигі 1а изодромды реттеу заң дылығ ымен кө рсеткіш, ө здігінен жазатын реттеуішке 1б сигнал береді. Реттеу ә сері қ ашық тық тан басқ ару панелі 1в арқ ылы орындау механизміне 1г беріледі, ол бункерден транспортерге ө нім беретін реттеуші органның ашылу дең гейін ө згертеді. Изодромды реттеу заң дылығ ы статикалық қ атесіз орнық ты реттеуді жү зеге асырады.


Поделиться с друзьями:

mylektsii.su - Мои Лекции - 2015-2026 год. (2.027 сек.)Все материалы представленные на сайте исключительно с целью ознакомления читателями и не преследуют коммерческих целей или нарушение авторских прав Пожаловаться на материал