Студопедия

Главная страница Случайная страница

КАТЕГОРИИ:

АвтомобилиАстрономияБиологияГеографияДом и садДругие языкиДругоеИнформатикаИсторияКультураЛитератураЛогикаМатематикаМедицинаМеталлургияМеханикаОбразованиеОхрана трудаПедагогикаПолитикаПравоПсихологияРелигияРиторикаСоциологияСпортСтроительствоТехнологияТуризмФизикаФилософияФинансыХимияЧерчениеЭкологияЭкономикаЭлектроника






Компенсационные стабилизаторы напряжения






 
 


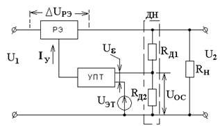
Компенсационные стабилизаторы напряжения в зависимости от места расположения регулирующего элемента (РЭ) разделяются на стабилизаторы с последовательным и параллельным включением РЭ. На рисунке представлена функциональная схема стабилизатора напряжения с последовательным РЭ.

Силовая цепь стабилизатора представляет из себя регулирующий элемент (РЭ) и нагрузку (RН). За счет изменения падения напряжения на РЭ поддерживается постоянство напряжения на нагрузке U2. Цепь отрицательной обратной связи по напряжению (ООС) включает в себя: делитель напряжения (ДН), усилитель постоянного тока (УПТ), источник эталонного напряжения (UЭТ). Напряжение обратной связи (UОС) снимается с нижнего плеча ДН (RД2) и подается на вход УПТ, где происходит сравнение UОС и UЭТ. В УПТ усиливается разностное напряжение (сигнал ошибки Uε = UОС - UЭТ), что приводит к изменению тока управления (IУ) и изменению падения напряжения на РЭ (∆ UРЭ). Напряжение на выходе (U2) при этом восстанавливается до своего первоначального значения. Например, при возрастании напряжения на входе (U1) или уменьшении тока нагрузки происходит увеличение сигнала ошибки (Uε), уменьшение тока управления (IУ) и увеличение напряжения на РЭ и восстановление напряжения на нагрузке.

Схема имеет более высокий КПД по сравнению со стабилизатором напряжения с параллельным РЭ. Недостатком схемы является невысокая надежность из- за возможных перегрузок РЭ по току.

 
 


Рассмотрим функциональную схему стабилизатора напряжения с параллельным РЭ:

 

При возрастании входного напряжения U1 в первоначальный момент времени увеличивается напряжение на нагрузке U2 и, следовательно UОС. Последнее приводит к возрастанию напряжения ошибки Uε, тока управления IУ и потребляемого тока I1. При этом увеличивается падение напряжения на балластном резистореDURб и напряжение в нагрузке восстанавливается, т.е. уменьшается.

Схема имеет невысокий КПД из-за потерь на балластном резисторе Rб, но более высокую надежность, т.к. так как силовой транзистор включен параллельно по отношению к нагрузке и не подвергается воздействию при коротких замыканиях.

 


Поделиться с друзьями:

mylektsii.su - Мои Лекции - 2015-2026 год. (5.086 сек.)Все материалы представленные на сайте исключительно с целью ознакомления читателями и не преследуют коммерческих целей или нарушение авторских прав Пожаловаться на материал