Студопедия

Главная страница Случайная страница

КАТЕГОРИИ:

АвтомобилиАстрономияБиологияГеографияДом и садДругие языкиДругоеИнформатикаИсторияКультураЛитератураЛогикаМатематикаМедицинаМеталлургияМеханикаОбразованиеОхрана трудаПедагогикаПолитикаПравоПсихологияРелигияРиторикаСоциологияСпортСтроительствоТехнологияТуризмФизикаФилософияФинансыХимияЧерчениеЭкологияЭкономикаЭлектроника






Способы повышения качества стабилизации в компенсационных стабилизаторах непрерывного действия






Существуют следующие способы повышения качества стабилизации в компенсационных стабилизаторах непрерывного действия:

 
 


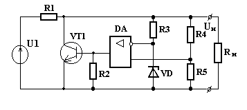
1 Увеличение коэффициента усиления по постоянному току за счет использования в качестве УПТ вместо транзистора операционного усилителя. При этом повышается коэффициент стабилизации за счет увеличения коэффициента усиления, но снижается устойчивость системы с замкнутой ООС. Включение цепей коррекции (интегро-дифференцирующих звеньев) исключает частотные изменения коэффициента усиления и повышает устойчивость. На рисунке приведена схема компенсационного стабилизатора с параллельным РЭ и операционным усилителем. При возрастании напряжения U1 в первоначальный момент времени увеличивается напряжение на нагрузке UН. Это приводит к увеличению напряжения обратной связи и повышению положительного потенциала на базе транзистора VT1. Транзистор VT1 приоткрывается, возрастает ток, потребляемый от источника U1 , увеличивается падение напряжения на балластном резистореR1 и напряжение на нагрузке восстанавливается.

 
 


Для увеличения коэффициента усиления УПТ можно увеличить сопротивление нагрузки R1 и, соответственно, напряжение питания и подавать его на УПТ от отдельного внешнего источника с большим уровнем напряжения.

 

 

 
 


Введение токостабилизирующего звена в выходной цепи УПТ, при этом исключается влияние изменений входного напряжения на выходной ток усилителя.

 

При возрастании входного напряжения U1 напряжение на стабилитроне VD1 остается постоянным, что позволяет поддерживать постоянство напряжения между базой и эмиттером транзистора VT1. При этом выходной ток стабилизатора тока (IK1) остается постоянным. Поэтому выходной ток УПТ становится зависимым только от уровня напряжения обратной связи.

 
 


Введение дополнительных источников эталонного напряжения, которые устанавливаются в цепи эмиттера и базы транзисторного усилителя, при этом повышается чувствительность стабилизатора.


Поделиться с друзьями:

mylektsii.su - Мои Лекции - 2015-2026 год. (0.848 сек.)Все материалы представленные на сайте исключительно с целью ознакомления читателями и не преследуют коммерческих целей или нарушение авторских прав Пожаловаться на материал