Студопедия

Главная страница Случайная страница

КАТЕГОРИИ:

АвтомобилиАстрономияБиологияГеографияДом и садДругие языкиДругоеИнформатикаИсторияКультураЛитератураЛогикаМатематикаМедицинаМеталлургияМеханикаОбразованиеОхрана трудаПедагогикаПолитикаПравоПсихологияРелигияРиторикаСоциологияСпортСтроительствоТехнологияТуризмФизикаФилософияФинансыХимияЧерчениеЭкологияЭкономикаЭлектроника






Понятие о деформированном состоянии






 

Деформированным состоянием в точке называется совокупность деформаций, возникающих в различных направлениях и различных плоскостях, проходящих через данную точку.

Рассмотрим элементарный объем, находящийся в условиях объемного напряженного состояния.

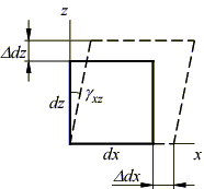
Под действием напряжений этот объем деформируется, в результате каждая грань изменяет свои размеры в направлении координатных осей и может получить угловую деформацию. Так, например, передняя грань принимает вид:

Таким образом, в направлении оси z элементарный размер dz грани получит относительную деформацию , а в направлении оси x элементарный размер dx изменится на величину . Угол между ребрами грани изменится на величину .

Подобные деформации получат и остальные грани элементарного объема. Тогда деформированное состояние в точке определится тензором деформаций:

 

,

 

где линейные деформации

 

, ,

 

и угловые деформации

 

, , .

 

Свойства деформированного состояния аналогичны свойствам напряженного состояния, в частности, можно выделить три взаимно перпендикулярные оси, в системе которых угловые деформации отсутствуют. Линейные деформации, возникающие в этой системе координат, называются главными деформациями. Главные деформации нумеруют в порядке убывания .

Различают линейное, плоское и объемное деформированные состояния.

 

линейное плоское объемное

 

Площадки главных напряжений и главных деформаций для линейно-упругого изотропного тела совпадают.

 


Поделиться с друзьями:

mylektsii.su - Мои Лекции - 2015-2026 год. (0.606 сек.)Все материалы представленные на сайте исключительно с целью ознакомления читателями и не преследуют коммерческих целей или нарушение авторских прав Пожаловаться на материал