Студопедия

Главная страница Случайная страница

КАТЕГОРИИ:

АвтомобилиАстрономияБиологияГеографияДом и садДругие языкиДругоеИнформатикаИсторияКультураЛитератураЛогикаМатематикаМедицинаМеталлургияМеханикаОбразованиеОхрана трудаПедагогикаПолитикаПравоПсихологияРелигияРиторикаСоциологияСпортСтроительствоТехнологияТуризмФизикаФилософияФинансыХимияЧерчениеЭкологияЭкономикаЭлектроника






Частотный способ регулирования скорости






 

Частотный способ является одним из наиболее перспек­тивных и широко используемых в настоящее время спосо­бов регулирования скорости асинхронного двигателя (АД). Принцип его заключается в том, что, изменяя частоту f питающего АД напряжения, можно изменять его синхронную скорость холостого хода w0, получая тем самым различные искусственные характеристики. Этот способ обеспечивает плавное регулирование в широком диапазоне, получаемые характеристики обладают высокой жесткостью.

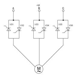
Рис. 1.10. Схема управления асинхронным электродвигателем при помощи ТПН

Рис. 1.11. Механические характеристики асинхронного двигателя с ТПН

Частотный способ к тому же отличается и еще одним весьма важным свойством: при регулировании скорости АД не происходит увеличения его скольжения, как это имеет место, например, при реостатном регулировании. Поэтому данный способ регулирования оказывается наиболее экономичным.

Для лучшего использования АД и получения высоких энергетических показателей его работы — коэффициентов мощности, полезного действия, перегрузочной способно­сти — одновременно с изменением частоты питающего на­пряжения необходимо изменять и значение этого напряже­ния. Закон изменения напряжения при этом зависит от ха­рактера момента нагрузки. При выборе соотношений частота - напряжение исходят из условия сохранения перегрузочной способности АД. При этом, добиваясь таких соотношений, при помощи преобразователей частоты различной конструкции, между частотой и напряжением, которые позволяют максимизировать отношение Мкс.

Различные типы преобразователей частоты (ПЧ), которые нашли применение в области частотного асинхронного электропривода, могут быть разделены на две группы, от­личающиеся друг от друга по используемым техническим средствам и структуре.

К первой группе относятся машинные или вращающиеся преобразователи, в которых для полу­чения переменной частоты используются обычные или спе­циальные электрические машины. Ко второй группе преоброзавательй частоты принадлежат статические преобразователи.

В настоящее время широко применяются статические преобразователи. Название это они полу­чили потому, что система построена на статических элемен­тах и устройствах, таких, как полупроводниковые приборы, конденсаторы и т. д. Большое внимание, которое уделяется вопро­су создания регулируемых статических преобразователей частоты, определяется теми высокими технико-экономиче­скими показателями, которые приобретает регулируемый частотный электропривод в случае их использования. Повышаются КПД системы регулирования (он достигает 0, 85—0, 9) и ее быстродействие, устраняется шум при ра­боте.

Все статические ПЧ могут быть разделены на две груп­пы:

1. ПЧ без звена постоянного тока с непосредственной связью питающей сети и нагрузки (непосредственный ПЧ);

2. преобразователи с промежуточным звеном постоян­ного тока (двухзвенные ПЧ).

Рассмотрим ПЧ со звеном постоянного тока. Функцио­нальная схема ПЧ показана на рис. 1.12. Силовая часть ПЧ этого типа состоит из двух основных блоков: управля­емого выпрямителя УВ и управляемого инвертора УИ. На­пряжение сети Ui стандартной частоты f подается на вход УВ, преобразующего переменное напряжение U1 в посто­янное E0. Это напряжение можно регулировать в широких пределах с помощью схемы управления СУУВ. Выпрямлен­ное и регулируемое напряжение Ео подается на вход УИ, который преобразует напряжение постоянного тока Ео в трехфазное переменное напряжение Uрег регулируемой частоты fper. Частота выходного напряжения fper УИ задаем­ся его схемой управления СУУИ в функции сигнала управ­ления.

В зависимости от способа коммутации тока вентилей инверторы делятся на ведомые сетью и автономные. В инверторах, ведомых сетью, комму­тация тока с вентиля на вентиль обеспечивается напряже­нием переменного тока источника питания.

В автономных инверторах для коммутации тока исполь­зуются дополнительные элементы — конденсаторы и ка­тушки индуктивности. В электроприводах с частотным уп­равлением чаще используются автономные инверторы.

Автономные инверторы делятся на два класса — инвер­торы напряжения и тока. Автономные инверторы напряже­ния (АИН) имеют в качестве источника питания источник напряжения. Если АИН питаются от управляемого выпря­мителя, то на выходе выпрямителя для этого устанавлива­ется конденсатор большой емкости. В результате АИН име­ет жесткую внешнюю характеристику, т. е. с изменением тока нагрузки напряжение АИН практически не изменяет­ся. Вследствие таких свойств при использовании АИН уп­равляющими воздействиями на асинхронный двигатель яв­ляются частота и напряжение.

Рис. 1.12. Схема ПЧ со звеном постоянного тока

Автономные инверторы делятся на два класса — инвер­торы напряжения и тока. Автономные инверторы напряже­ния (АИН) имеют в качестве источника питания источник напряжения. Если АИН питаются от управляемого выпря­мителя, то на выходе выпрямителя для этого устанавлива­ется конденсатор большой емкости. В результате АИН име­ет жесткую внешнюю характеристику, т. е. с изменением тока нагрузки напряжение АИН практически не изменяет­ся. Вследствие таких свойств при использовании АИН уп­равляющими воздействиями на асинхронный двигатель яв­ляются частота и напряжение.

Автономные инверторы тока (АИТ) обладают свойст­вами источника тока, для чего их питание осуществляется от источника тока. При использовании в качестве источни­ка питания управляемого выпрямителя на его выходе для придания ему такого свойства устанавливается дроссель с большой индуктивностью. При использовании АИТ уп­равляющими воздействиями на АД являются частота и ток статора.

Каждый из видов автономного инвертора имеет в час­тотно-управляемом асинхронном электроприводе свою область применения. Достоинством АИН является независимость выходного напряжения от частоты и момента нагруз­ки.

 


Поделиться с друзьями:

mylektsii.su - Мои Лекции - 2015-2026 год. (0.904 сек.)Все материалы представленные на сайте исключительно с целью ознакомления читателями и не преследуют коммерческих целей или нарушение авторских прав Пожаловаться на материал