Студопедия

Главная страница Случайная страница

КАТЕГОРИИ:

АвтомобилиАстрономияБиологияГеографияДом и садДругие языкиДругоеИнформатикаИсторияКультураЛитератураЛогикаМатематикаМедицинаМеталлургияМеханикаОбразованиеОхрана трудаПедагогикаПолитикаПравоПсихологияРелигияРиторикаСоциологияСпортСтроительствоТехнологияТуризмФизикаФилософияФинансыХимияЧерчениеЭкологияЭкономикаЭлектроника






Опоры скольжения с цилиндрической цапфой






Опоры предназначены для обеспечения взаимного вращательного движения деталей

По виду трения опоры бывают:

скольжения

качения

упругие

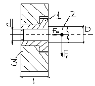
Наиболее распространенный тип опор скольжения – это опоры с цилиндрической цапфой

1-втулка

2-вал

3-корпус

 

Опоры могут быть радиальными, радиально-упорными и упорными

Радиальные воспринимают радиальную нагрузку, упорные – осевую, радиально-упорные – оба вида.

Для работы подшипника между цапфой и отверстием втулки необходим зазор, который предназначен для удержания смазки. Нормальный режим работы подшипника – жидкое трение. Величина зазора должна обеспечивать всплытие вала на слое смазки

при достижении определенной скорости вращения. Наиболее часто используют посадки

При расчете подшипника на прочность выполняют расчет диаметра цапфы и выбирают материалы деталей исходя из их износостойкости. Цапфу вала рассчитывают на изгиб из условия:

В результате расчета определяют диаметр и длину цапфы. После этого выполняют расчет на износостойкость по одному из трех критериев:

допускаемое контактное давление.

Используется при малых скоростях

по допускаемой окружной скорости

Используется при высоких скоростях и малых нагрузках.

По результатам расчета выбирают материал втулки (материал цапфы - закаленная сталь). Наиболее часто используют бронзы, пластмассы, специальные антифрикционные сплавы ЦАМ.

Упорную часть подшипника рассчитывают аналогично.

 


Поделиться с друзьями:

mylektsii.su - Мои Лекции - 2015-2026 год. (1.468 сек.)Все материалы представленные на сайте исключительно с целью ознакомления читателями и не преследуют коммерческих целей или нарушение авторских прав Пожаловаться на материал