Студопедия

Главная страница Случайная страница

КАТЕГОРИИ:

АвтомобилиАстрономияБиологияГеографияДом и садДругие языкиДругоеИнформатикаИсторияКультураЛитератураЛогикаМатематикаМедицинаМеталлургияМеханикаОбразованиеОхрана трудаПедагогикаПолитикаПравоПсихологияРелигияРиторикаСоциологияСпортСтроительствоТехнологияТуризмФизикаФилософияФинансыХимияЧерчениеЭкологияЭкономикаЭлектроника






Система питания топливом






Система питания топливом обеспечивает очистку топлива и равномерное распределение его по цилин­драм двигателя строго дозированными порциями. На двигателях КамАЗ применена система питания топливом разделенного типа, состоящая из топлив­ного насоса высокого давления, форсунок, фильт­ров грубой и тонкой очистки, топливоподкачиваю-щего насоса низкого давления, топливопроводов низкого и высокого давлений, топливных баков, электромагнитного клапана и факельных свечей электрофакельного пускового устройства.

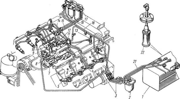
Принципиальная схема системы питания пока­зана на рис. 35. Топливо из бака 1 через фильтр грубой очистки 2 засасывается топливоподкачиваю-щим насосом и через фильтр тонкой очистки 17 по топливопроводам низкого давления 3, 9, 15, 21 подается к топливному насосу высокого давления; согласно порядку работы цилиндров двигателя на­сос распределяет топливо по трубопроводам 6 вы­сокого давления к форсункам 5. Форсунки распы­ляют и впрыскивают топливо в камеры сгорания. Избыточное топливо, а вместе с ним и попавший в систему воздух через перепускной клапан топливного насоса высокого давления и клапан-жиклер фильтра тонкой очистки по дренажным топливо-проводам 16 и 18 отводятся в топливный бак. Топливо, просо­чившееся через зазор между корпусом распылителя и иглой, сливается в бак через сливные топливопро­воды 4, 14, 20.



Автомобили КамАЗ


 



 


Рис. 35. Схема питания двигателя топливом: 1 - бак топливный; 2 - фильтр грубой очистки топлива; 3 - трубка топливная подводящая к насосу низкого давления; 4 - трубка топливная дренажная форсунок левых головок; 5 - форсунка; 6 -трубка топливная высокого давления; 7 - насос топливоподкачивающий низкого давления; 8 - насос топливоподка-чивающий ручной; 9 - трубка топливная отводящая насоса низкого давления; 10 - насос топливный высокого давления; 11 - клапан электромагнитный; 12-трубка топливная к электромагнитному клапану; 13 - свеча факельная; 14 - трубка топливная дренажная форсунок правых головок; 15 - трубка топливная подводящая ТНВД; 16 - трубка топливная отводящая ТНВД; 17 - фильтр тонкой очистки топлива; 18 - трубка топливная фильтра тонкой очистки топлива; 19 - тройник крепления топливных трубок; 20 - трубка топливная сливная; 21 - топливопровод к фильтру грубой очистки; 22 - труба приемная с фильтром




\?

 


 


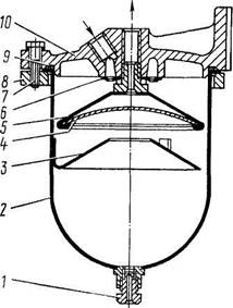
Рис. 36. Фильтр грубой очистки топлива: 1 - пробка сливная; 2 - стакан; 3 - успокоитель; 4 - сетка фильтру­ющая; 5 - отражатель; 6 - распределитель; 7 - болт: 8 -фланец; 9 - кольцо уплотнительное; 10 - корпус


Рис. 37. Фильтр тонкой очистки топлива: 1 - корпус; 2 -болт; 3 - шайба уплотнительная; 4 - пробка; 5, 6 -прокладки уплотнительные; 7 - элемент фильтрующий; 8 - колпак; 9 - пружина фильтрующего элемента; 10 - пробка сливная; 11 - стержень


Раздел II. Сборочные единицы и системы силового агрегата



 


Фильтр грубой очистки (отстойник) (рис. 36) предварительно очищает топливо, поступающее в топливоподкачивающий насос низкого давления. Он установлен на всасывающей магистрали системы питания с левой стороны автомобиля на раме.

Стакан 2 соединен с корпусом 10 четырьмя болта­ми 7 и уплотнен кольцом 9. Снизу в бобышку колпака ввернута сливная пробка 1. Топливо, посту­пающее из топливного бака через подводящий шту­цер, стекает в стаканы. Крупные частицы и вода собираются в нижней части стакана. Из верхней части через фильтрующую сетку 4 по отводящему штуцеру и топливопроводам топливо подается к топливоподкачивающему насосу.

Фильтр тонкой очистки (рис. 37), окончательно очищающий топливо перед поступлением в топ­ливный насос высокого давления, установлен в са­мой высокой точке системы питания для сбора и удаления в бак проникшего в систему питания воздуха вместе с частью топлива через клапан-жик­лер, установленный в корпусе 1. Начало сдвига клапана-жиклера 4 (рис. 38) происходит при давле-


нии â ï î ë î ñ ò è 24, 5... 44, 1 kÏ a (0, 25... 0, 45 ê ã ñ /ñ ì 2), а начало перепуска топлива из полости А в полость В — при давлении в полости А 196, 2... 235, 3 кПа (2, 0... 2, 4 кгс/см2). Регулируется клапан подбором регулировочных шайб 1 внутри пробки клапана.

Топливопроводы подразделяются на топливопро­воды низкого 392... 1961 кПа (4... 20 кгс/см2) и высо­кого более 19614 кПа (200 кгс/см2) давления. Топли­вопроводы высокого давления изготовлены из сталь­ных трубок, концы которых выполнены конусообраз­ными, прижаты накидными гайками через шайбы к конусным гнездам штуцеров топливного насоса и форсунок. Во избежание поломок от вибрации топли­вопроводы закреплены скобками и кронштейнами.

Насос топливный высокого давления предназначен для подачи в цилиндры двигателя в определенные моменты времени строго дозированных порций топ­лива под высоким давлением. В корпусе 1 (рис. 39) установлены восемь секций, каждая состоит из кор­пуса 17, втулки 16 плунжера 11, поворотной втулки 10, нагнетательного клапана 19, прижатого через уплотнительную прокладку 18 к втулке плунжера



В 1

К > t6 MM №5051 52 53

Рис. 38. Клапан-жиклер фильтра тонкой очистки топлива:

1 - шайба регулировочная; 2 - пробка клапана; 3-пружина; 4 - клапан-жиклер

Рис. 39. Топливный насос высокого давления: 1 - кор­пус; 2, 32 - ролики толкателей; 3, 31 - оси роликов; 4 -втулка ролика; 5 - пята толкателя; 6 - сухарь; 7 - тарелка пружины толкателя; 8 - пружина толкателя: 9, 34, 43, 45, 51 - шайбы; 10 - втулка поворотная; 11 - плунжер; 12, 13, 46, 55 - кольца уплотнительные; 14 - штифт устано­вочный; 15 - рейка; 16 - втулка плунжера; 17 - корпус секции; 18 - прокладка нагнетательного клапана; 19 -клапан нагнетательный; 20 - штуцер; 21 - фланец корпуса секции; 22 - насос ручной топливоподкачива­ющий; 23 - пробка пружины; 24, 48 - прокладки; 25 -корпус насоса низкого давления; 26 - насос топливоподкачивающий низкого давления; 27 - втулка штока; 28 - пружина толкателя; 29 - толкатель; 30 - винт стопорный; 33, 52 - гайки; 35 - эксцентрик привода насоса низкого давления; 36, 50 - шпонки; 37 - фланец ведущей шестерни регулятора; 38 - сухарь ведущей шестерни регулятора; 39 - шестерня ведущая регулято­ра; 40 - втулка упорная; 41, 49 - крышки подшипника; 42 - подшипник; 44 - вал кулачковый; 47 - манжета с пружиной в сборе; 53 - муфта опережения впрыскива­ния топлива; 54 - пробка рейки; 56 - клапан перепус­кной; 57 - втулка рейки; 58 - ось рычага реек; 59 -прокладки регулировочные



Автомобили КамАЗ


Характеристика топливной аппаратуры


392 (4) ì î ä. 33 ì î ä. 271
0, 300... 0, 308 0, 32 0, 25... 0, 30
> 21, 5 (215) 23, 5... 24, 2 (235... 242)

ì î ä. 33-01ì î ä. 334 8-4-5-7-3-6-2-1 правое 9 10

Поделиться с друзьями:

mylektsii.su - Мои Лекции - 2015-2026 год. (0.964 сек.)Все материалы представленные на сайте исключительно с целью ознакомления читателями и не преследуют коммерческих целей или нарушение авторских прав Пожаловаться на материал