Студопедия

Главная страница Случайная страница

КАТЕГОРИИ:

АвтомобилиАстрономияБиологияГеографияДом и садДругие языкиДругоеИнформатикаИсторияКультураЛитератураЛогикаМатематикаМедицинаМеталлургияМеханикаОбразованиеОхрана трудаПедагогикаПолитикаПравоПсихологияРелигияРиторикаСоциологияСпортСтроительствоТехнологияТуризмФизикаФилософияФинансыХимияЧерчениеЭкологияЭкономикаЭлектроника






Теоретические основы ротационной вискозиметрии






 

В вискозиметрах с вращающимися цилиндрами при малом зазоре между ними, характер течения близок к простому сдвигу, что упрощает обработку опытных данных. Диапазон пищевых материалов, свойства которых контролируются на ротационных вискозиметрах, достаточно широк: сиропы, молоко, молочные консервы, творожные и конфетные массы, шоколад, фарши и др.

Семейство ротационных вискозиметров включает в себя измерительные системы с соосными цилиндрами, конусами, дисками, сферами и комбинированные (рис. 1.3). Помимо типа измерительных систем ротационные вискозиметры отличаются также друг от друга устройствами для измерения момента вращения. Наибольшее распространение получили вискозиметры с коаксиально-цилиндрическими и комбинированными измерительными системами.

Известны два основных варианта исполнения вискозиметров с коаксиально-цилиндрическими и комбинированными измерительными системами.

В первом из них во вращение приводится внешний цилиндр. Материал, находящийся в зазоре деформируется при постоянной скорости сдвига (), а крутящий момент, переданный через испытуемый материал на внутренний цилиндр, измеряется на нем с помощью датчика крутящего момента. При втором варианте исполнения прибора внешний цилиндр неподвижен, а внутренний цилиндр приводится во вращение под действием постоянного крутящего момента (). При этом с помощью датчика скорости измеряется угловая скорость внутреннего цилиндра ω, зависящая от вязкости жидкости.

Таким образом, вариантам исполнения приборов соответствует методы:

а) постоянства скорости деформации = const;

б) постоянства крутящего момента М = const.

Математическая обработка результатов реометрии требует, чтобы измеряемый крутящий момент появился бы только как результат сопротивления жидкости, подвергаемой сдвигу в точно определенном сдвиговом зазоре, например, образуемым коаксиальными цилиндрами (рис. 1.3, а).

 

  (DIN 54 453)
а) б) в)
  (DIN 53 018)
г) д) e)
  (DIN 53 018)
ж) з) и)
Рис. 1.3. Измерительные блоки ротационных вискозиметров: цилиндрический (а, б); конический (в); дисковый (г); сферический (д); коницилиндрический (е); «конус- плоскость» (з); и) биконический (и)

 

Однако, вследствие того, что внутренние цилиндры (роторы) имеют нижние и верхние торцы, возникает добавочный крутящий момент при сдвиге в зазоре между этими торцами и поверхностью наружного цилиндра (стакана). Этот дополнительный момент, значение которого неизвестно, прибавляется к крутящему моменту M р, измеряемому датчиком крутящего момента, что снижает точность измерения вязкости.

Выбор подходящей геометрии измерительной системы позволяет свести к минимуму влияние торцовых эффектов, что достигается:

1) назначением малого размера измерительного зазора и большого (> 100 ) расстояния между торцом ротора и дном стакана (рис. 1.3, а);

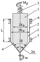
Рис. 1.4. Расчётная схема системы Муни-Эварта: 1, 2 - внутренний и внешний цилиндры; 3- кольцевой измерительный зазор; 4 – конический измерительный зазор; 5, 6, 7 - подшипники

2) использованием измерительных систем с двойным зазором (рис. 1.3, б);

3) выполнением выточек на нижнем и верхнем торцах ротора (рис. 1.3, ж); при этом верхняя выточка предназначена для приема избытка среды из измерительного зазора, а нижняя – для создания не оказывающей сопротивления воздушной подушки;

4) использованием коницилиндрической измерительной системы Муни-Эварта (рис. 1.4); при этом выбирают такой угол между конусами, чтобы среднее напряжение сдвига в коническом донном зазоре было равно среднему напряжению сдвигамежду цилиндрическими поверхностями.

Для элементарного кольцевого слоя материала, расположенного между цилиндрами 1 и 2 (рис. 1.4) в случае малой величины измерительного зазора 3 (), средние значения градиента скорости (скорости сдвига) находят из соотношений:

, (1.12)

где w – угловая скорость внешнего цилиндра, с-1; Δ R – величина измерительного зазора, м; – геометрическая константа цилиндрического зазора блока.

Касательные напряжения в зазоре создают момент М ц(Н∙ м), который уравновешивается противоположным по знаку реактивным моментом М р, приложенным в случае вращения внешнего цилиндра 2 – к внутреннему цилиндру 1:

(1.13)

где L – высота рассматриваемого цилиндрического слоя, м; – вязкость, Па∙ с.

Среднее значение касательных напряжений в зазоре с учетом выражения (1.13), вычисляется как

(1.14)

где R ср = (R н +R в )/2 – средний радиус измерительного зазора, м; – геометрическая константа цилиндрического зазора измерительной системы.

Величины передаваемого момента, касательных напряжений и скорости сдвига в коническом измерительном зазоре (рис. 1.3, в) могут быть вычислены по формулам:

; (1.15)

; , (1.17)

где – геометрическая константа конического измерительного зазора; – тригонометрическая функция.

Для комбинированной (коницилиндрической) измерительной системы Муни – Эварта задача сводится к подбору значений углов α и β, при которых достигается равенство геометрических констант . При этом разность углов принимают обычно δ у = β – α = 1…2°.

Величина касательных напряжений и скорости сдвига при этом равны

. (1.18)

Наиболее распространенными ротационными вискозиметрами, работающими с использованием метода являются вискозиметры, производимые фирмами «Haake» (Германия) и «Brookfiield» (США). Помимо основного набора цилиндрических измерительных элементов, эти приборы снабжены также и другими измерительным блоками (рис. 1.3), предназначенным для измерения вязкости при повышенных скоростях сдвига для средне- и высоковязких продуктов.

При кажущейся простоте ротационной вискозиметрии возникает ряд различных эффектов, снижающих точность измерений:

1. Турбулизация потока. Одним из условий точности измерений в ротационных приборах является ламинарность деформируемого потока, характеризуемая числом Рейнольдса (Re).

2. Тепловые эффекты. Сам принцип ротационной вискозиметрии подразумевает совершение работы над материалом, находящимся в зазоре прибора. Это приводит к диссипации механической энергии в испытуемом материале, изменению его температуры и, тем самым, изменению вязкости. Решению этой проблемы посвящено большое количество работ, суть которых сводится к введению поправочных коэффициентов.

3. Эффект Вейссенберга. Было обнаружено, что при течении вязко-упругих жидкостей в условиях простого сдвига возникают не только касательные, но и нормальные напряжения, ортогональные напряжению сдвига. Упругая жидкость при этом стягивается нормальными напряжениями, противодействующими силам тяжести и центробежным силам, и выдавливается из измерительного зазора вискозиметра.

4. Явление эластической турбулентности. При испытании вязко-упругих жидкостей в условиях высоких скоростях деформации материал может распадаться на отдельные зерна с нарушением сплошности потока в зазоре. При этом могут наблюдаться спонтанные колебания измеряемого крутящего момента.

5. Концевые эффекты. При работе ротационных вискозиметров крутящий момент передается на измерительный элемент не только через боковые (рабочие) поверхности, но и от днищ цилиндров. Поскольку математическое описание полей напряжений и скоростей сдвига, возникающих в зазорах, образованных днищами цилиндров, очень сложно, то расчетные формулы для ротационных приборов выводятся без учета влияния концевых эффектов, что вносит определенные погрешности в измерения.

 


Поделиться с друзьями:

mylektsii.su - Мои Лекции - 2015-2026 год. (0.645 сек.)Все материалы представленные на сайте исключительно с целью ознакомления читателями и не преследуют коммерческих целей или нарушение авторских прав Пожаловаться на материал